QQ登录

只需一步,快速开始

登录 | 注册 | 找回密码

三维网

 找回密码
 注册

QQ登录

只需一步,快速开始

展开

通知     

查看: 2266|回复: 4
收起左侧

[练习题] 『1011』实体+工程图练习(截至7月15日)

[复制链接]
发表于 2009-6-26 13:07:45 | 显示全部楼层 |阅读模式 来自: 中国山东济南

马上注册,结识高手,享用更多资源,轻松玩转三维网社区。

您需要 登录 才可以下载或查看,没有帐号?注册

x
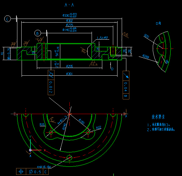
这个题看着简单,标注起来很过瘾~~能按照下面图纸出工程图,那么使用UG应该可以搞定常见的工程图纸了( O( [: v) W# Z. a
7 B, x1 e+ K& S) T$ J

: E3 {# f( [- l+ b根据附图所示的尺寸作出物体的实体造型【3分】5 _/ ]1 F& F( ~+ h" w
额外加分:
" ?) Q0 \/ i- U: t, a3 a3 v# _- `
  • 出工程图(下图中的视图+各种标注)【5分】
% U: A& A+ H6 K, d# j( ]( t- w7 I
要求:详情请见【NX 练习题 管理规定
- X1 J+ I& c5 w. o2 ?' j  P2 h$ C) J    1.上传练习时,需要包涵Part文档和附图,附图内容包涵:①NX版本;②完整特征树;③练习文件抓图。
2 C, [/ Z2 q9 e! v    2.针对符合做题要求跟帖练习情况,给予4~6三维币的奖励,可稍有突破此限制,做错的不予奖励。先参与的会员给予上限的加分奖励。思路不同的做法,请在回复标题中注明,仍按上限给予加分。- t$ ]' I4 I4 m4 {/ g
    3.发布时间超过15天(或超过版主规定的时间)的练习题,结束该练习题练习。此后所做的练习给予0~2三维币的加分(不是非常简单的都加2分)。
: v& a2 I, I# Q; w- o% ^
1011.jpg , h$ L" r9 @- ?+ R

: l' Y, n. A" @& f$ ^( A' ?$ \0 N* B+ L
图片看不清,可下载PDF文档

1011.pdf

77.81 KB, 下载次数: 79

发表于 2009-6-28 18:17:24 | 显示全部楼层 来自: 中国河北沧州
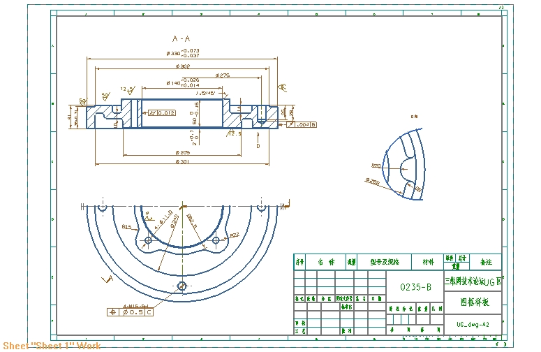
我开个头吧
; @" g3 H+ }$ S' R3 [# Y0 T
* v- }" v' s  c4 {  E[ 本帖最后由 beyond2009 于 2009-6-28 18:19 编辑 ]
1011.1.jpg
1011.jpg

1011.pdf

56.4 KB, 下载次数: 11

1011.rar

340.56 KB, 下载次数: 48

评分

参与人数 1三维币 +10 收起 理由
astrokylin + 10 这图出的相当漂亮

查看全部评分

发表于 2009-6-29 21:55:50 | 显示全部楼层 来自: 中国浙江台州
用6。0做了一个。
lx8-1.jpg
lx8-2.JPG

lx8.rar

331.22 KB, 下载次数: 18

评分

参与人数 1三维币 +8 收起 理由
astrokylin + 8 练习

查看全部评分

发表于 2009-7-6 22:49:04 | 显示全部楼层 来自: 中国北京
UG 6.03 Y+ }  R! D5 Z2 C& J$ L
感谢各位相助,终于对UG工程图有一点了解了。+ `  T4 e. x8 Q; h) {
未命名1.JPG
  M: i/ |* Q6 }" D5 V 未命名.JPG
" y2 C6 }) c3 S1 }9 B model01.rar (374.96 KB, 下载次数: 17)

评分

参与人数 1三维币 +8 收起 理由
astrokylin + 8 进步很快啊

查看全部评分

发表于 2009-7-8 10:56:05 | 显示全部楼层 来自: 中国湖北十堰
我的做的不好,大家指点下,2楼的工程图做的真好看,就是有一处尺寸“深度——32mm”我不知道怎么算出来的,我做的是深度是26mm
练习题.jpg

lianxiti.rar

258.13 KB, 下载次数: 11

评分

参与人数 1三维币 +3 收起 理由
astrokylin + 3 三维图。有问题可以去对应题目的讨论贴讨论

查看全部评分

发表回复
您需要登录后才可以回帖 登录 | 注册

本版积分规则


Licensed Copyright © 2016-2020 http://www.3dportal.cn/ All Rights Reserved 京 ICP备13008828号

小黑屋|手机版|Archiver|三维网 ( 京ICP备2023026364号-1 )

快速回复 返回顶部 返回列表