QQ登录

只需一步,快速开始

登录 | 注册 | 找回密码

三维网

 找回密码
 注册

QQ登录

只需一步,快速开始

展开

通知     

查看: 2662|回复: 20
收起左侧

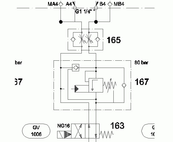
[已解决] 请问这个阀的工作原理

[复制链接]
发表于 2009-2-13 16:01:32 | 显示全部楼层 |阅读模式 来自: 中国广西柳州

马上注册,结识高手,享用更多资源,轻松玩转三维网社区。

您需要 登录 才可以下载或查看,没有帐号?注册

x
图中编号为167这个阀是SUN的插装阀,但是由于资料不全,对这个阀又不太了解,在这请教各位高手这个阀的工作原理。
液压.jpg
发表于 2009-2-13 16:35:25 | 显示全部楼层 来自: 中国湖北武汉
真没有见过这种阀,希望有人能解释一下
发表于 2009-2-13 17:14:50 | 显示全部楼层 来自: 中国北京
个人认为是个被压阀!
发表于 2009-2-13 17:18:13 | 显示全部楼层 来自: 中国广东江门
这应该是个平衡阀,楼主你这两个工作口是不是连接到一个竖直工作的液压缸上的。如果是,就一定是个平衡阀了。
发表于 2009-2-13 20:04:53 | 显示全部楼层 来自: 中国湖北武汉
167是两个插件构成的阀,用于实现差动。

评分

参与人数 1三维币 +3 收起 理由
qhdhcs + 3 应助

查看全部评分

发表于 2009-2-13 20:38:43 | 显示全部楼层 来自: 中国辽宁鞍山
请把全图发上来才能看懂
发表于 2009-2-13 20:53:10 | 显示全部楼层 来自: 中国山西大同
左上角的哪个单向阀怎样工作?
 楼主| 发表于 2009-2-13 20:59:52 | 显示全部楼层 来自: 中国广西柳州
谢谢大家,应该像4楼说的是两个插件,就是那两个插件的型号难找,明天再去找下SUN的型号对下,顺便把图纸都传全来再看看是什么用的。
发表于 2009-2-13 21:19:17 | 显示全部楼层 来自: 中国广东汕头
1、低压时通过单向阀差动快进。- {$ [& l# t. n% T
2、负载时单向阀关闭,为平衡阀。
发表于 2009-2-14 08:18:02 | 显示全部楼层 来自: 中国辽宁鞍山
B口进油还能干活吗.
发表于 2009-2-14 09:08:40 | 显示全部楼层 来自: 中国江苏盐城
差速阀,主要应用于注压成形机上面:A口工作实现差速。B口工作控制油关閟单向阀。用溢流阀和液控单向阀也可以实现这要求
发表于 2009-2-14 09:59:30 | 显示全部楼层 来自: 中国辽宁本溪
这个就是平衡阀
发表于 2009-2-17 07:33:27 | 显示全部楼层 来自: 中国湖北武汉
A进油时管路压力达到平衡阀开启压力之前可以差动,压力大于平衡阀压力时平衡阀开启。B口进油时液控单向阀被控制油关闭。
裁剪.jpg
 楼主| 发表于 2009-2-17 08:43:34 | 显示全部楼层 来自: 中国广西柳州
我觉得楼上说的很有道理,不过后来我看整个回路还是有点问题。
7 E6 o1 d7 p( e7 Y全部的图帖出来看不见,整个回路放大点还是可以看的见!这个阀上面还有一个阀309.1,压力标的是90bar。那167跟309.1两个是怎么工作的?
4 x  H+ n8 n4 ^; a- k! N4 C  R" M' d这个液压缸是控制一个非标阀门的换向的。阀门两边通的是助燃空气,气体压力不高有0.4公斤这样,只不过顶出时比较顺风,收回时有点逆风。
平衡阀1.JPG
发表于 2009-2-17 09:55:18 | 显示全部楼层 来自: 中国湖北十堰
我赞同13#楼的说法,至于14#的疑问应该根据油缸有杆腔与无杆腔的面积比进行计算一下就知道了。比如活塞直径200,活塞杆的直径100,则有杆腔与无杆腔的面积比为0.75,可知A侧压力只需要0.75X90=67.5bar(忽略摩擦阻力和负载只是示意)。
发表于 2009-2-17 15:38:09 | 显示全部楼层 来自: 中国辽宁鞍山
到现在也没看明白.B口怎么关闭.
) N# Y: C* C) t1 H
0 y. R7 @) l, U8 g[ 本帖最后由 liuxdliuxd 于 2009-2-17 15:40 编辑 ]
发表于 2009-2-17 16:39:51 | 显示全部楼层 来自: 中国浙江宁波
309.1应该是附带在油缸上的
 楼主| 发表于 2009-2-17 16:56:40 | 显示全部楼层 来自: 中国广西柳州
对呀,309是带在油缸上的,167是在阀台里的。我们的压力是100bar,设置两个平衡阀不知道有什么用,反而增加了故障诊断的难度。还有这个差动连接是不是能够实现?
发表于 2009-2-17 17:09:06 | 显示全部楼层 来自: 中国北京
用,反而增加了故障诊断的难度。还有这个差动连接是不是能够实现?
发表于 2009-2-17 20:35:27 | 显示全部楼层 来自: 中国湖北武汉
309和313功能是一样的.313处的油缸是立式安装的,如果管路故障会导致下滑,故装313。同样,你说309处“只不过顶出时比较顺风,收回时有点逆风”。309也就是和313一样,起到防止油缸在外里作用下伸出的功能。1 O* P7 ^/ {( y, A# w
309处压力90bar,167处压力80bar,是不是有点问题?这样的话是实现不了差动的。是不是这个压力值只是阀的调压范围,而不是调定值?
发表于 2009-2-18 11:04:55 | 显示全部楼层 来自: 中国湖南长沙
如果是用在油缸跟转扬马达上的话 叫做平衡阀 作用就是保持一定压力让物体可以停留在任意位置,还有马达内部也有类似的阀,叫压力切断阀  。
7 a4 @0 I( i# x$ ~. `: \* B9 W转载请注明出自三维网技术论坛 http://www.3dportal.cn/discuz/,本贴地址:http://www.3dportal.cn/discuz/viewthread.php?tid=666995
发表回复
您需要登录后才可以回帖 登录 | 注册

本版积分规则


Licensed Copyright © 2016-2020 http://www.3dportal.cn/ All Rights Reserved 京 ICP备13008828号

小黑屋|手机版|Archiver|三维网 ( 京ICP备2023026364号-1 )

快速回复 返回顶部 返回列表