QQ登录

只需一步,快速开始

登录 | 注册 | 找回密码

三维网

 找回密码
 注册

QQ登录

只需一步,快速开始

展开

通知     

查看: 3786|回复: 26
收起左侧

[讨论结束] 最基本机械制图知识,看看是不是有这样的错误?

 关闭 [复制链接]
发表于 2010-3-12 10:43:13 | 显示全部楼层 |阅读模式 来自: 中国四川甘孜藏族自治州

马上注册,结识高手,享用更多资源,轻松玩转三维网社区。

您需要 登录 才可以下载或查看,没有帐号?注册

x
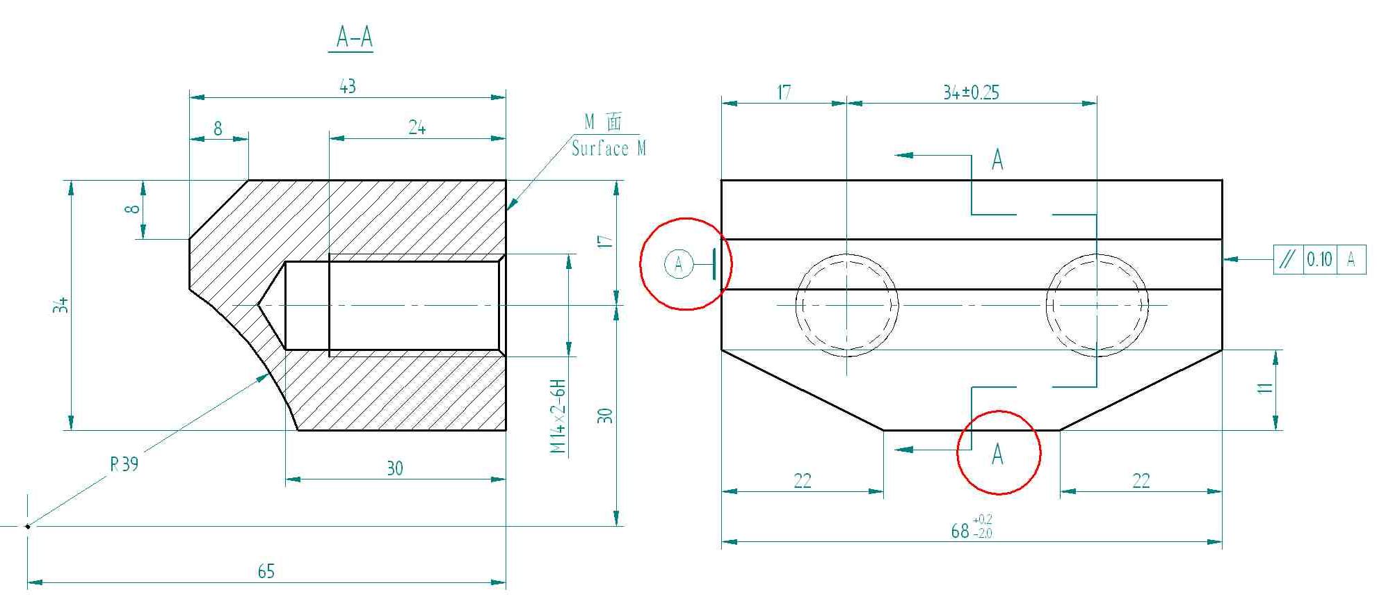
最基本机械制图知识,看看是不是有这样的错误?
, x2 f7 Q+ B# |2 H# Z6 b8 r- c
7 B4 b3 H$ R0 l: ^( F7 O有了一个剖面用了字母“A”,基准还可以用字母“A”吗?还是应该用其他字母,如“B”?
00.jpg
发表于 2010-3-12 11:15:42 | 显示全部楼层 来自: 中国山东济南
从实际应用方面看,这样的不能算做错误,基准字母都用圆圈的,不过新的标注标准中基准代号形式有所变动了,楼主可以查看新的标准看看。

评分

参与人数 1三维币 +2 收起 理由
天际孤帆 + 2 鼓励交流

查看全部评分

发表于 2010-3-12 11:16:47 | 显示全部楼层 来自: 中国重庆
我们一般都是改用其它字母的,这样才好区分

评分

参与人数 1三维币 +2 收起 理由
天际孤帆 + 2 一般工业习惯

查看全部评分

头像被屏蔽
发表于 2010-3-12 11:48:31 | 显示全部楼层 来自: 中国辽宁营口
提示: 作者被禁止或删除 内容自动屏蔽
发表于 2010-3-12 11:52:01 | 显示全部楼层 来自: 中国江苏常州
应该避免重复,没有什么争议的。

评分

参与人数 1三维币 +2 收起 理由
天际孤帆 + 2 一般工业习惯

查看全部评分

发表于 2010-3-12 15:14:28 | 显示全部楼层 来自: 中国湖南长沙
本帖最后由 98042819 于 2010-3-12 15:16 编辑
) @7 d& M' \8 S
  ^$ V% u' Z* z/ m  |同一张图纸上应尽量不出现基准面代号与剖面代号相重复的情况,以免造成误解。: ?1 Q8 k- H7 U4 {2 h
比如习惯上可以尽量用A、B、C、D等字母来做基准面,而用M-M、N-N、X-X、Y-Y等来做剖面代号。

评分

参与人数 1三维币 +2 收起 理由
天际孤帆 + 2 一般工业习惯

查看全部评分

发表于 2010-3-12 15:28:08 | 显示全部楼层 来自: 中国辽宁大连
可以的,基准符号与剖面符号可以重复利用,我们需要辨别的是基准符号与剖面符号;
4 K5 y( W  T7 f. i" ?$ S+ u剖面符号是箭头标识,基准符号是如楼主所示的圆圈圈住,并制定基准的部位;暂时还没有相关的标准来废止这种标注方法,我们也已经习惯了这样标注;

评分

参与人数 1三维币 +2 收起 理由
天际孤帆 + 2 鼓励交流

查看全部评分

发表于 2010-3-12 16:09:32 | 显示全部楼层 来自: 中国山西太原
那么多字母可用,尽量不要重复,以免造成误会。

评分

参与人数 1三维币 +2 收起 理由
天际孤帆 + 2 一般工业习惯

查看全部评分

发表于 2010-3-12 16:13:13 | 显示全部楼层 来自: 中国辽宁大连
8# 寂静天花板 4 }, ~; e6 ]. `
看你也是论坛的元老级人物,有不同的见解可以提出来,大家讨论嘛,你这种方式明显是在灌水!
# P" g: y( f& R7 I1 A" l我的说法是有道理的,我们现在生产的产品,有很多事老产品,用的是老图纸,很多图纸上面都是这种方式标注的,还有很多是国外的图纸,没有因为这样的标识出错过,另外,我们的工人素质是不错,否则我们也不会放心让他们来作业;
发表于 2010-3-12 16:17:18 | 显示全部楼层 来自: 中国江苏常州
本帖最后由 千军一将 于 2010-3-12 16:19 编辑
" p, l9 q4 c/ |* z2 N% C2 U& H& U! z+ C
剖视图,剖面图,向视图,9 D8 W6 I% f4 K! b
公差基准,都用到字母
: u" ~! K- @- e: t# c一般的情况下可以分片使用
4 M  }5 B8 `- a, ~A-G作为基准使用. c& n! s& n# G" A
H-N作为剖视使用
: Z  T2 [. Q5 A  F( r- ~; x! qO-Z作为向视图使用; o" y' @5 n' |$ N  o9 Q
--------------0 p# S1 y% u" C
除去引起误会的字母,I,O,T,M,Z
* g3 \( K" r7 g如果再不行,
: \7 Z9 @5 A' v3 \使用ⅠⅡⅢⅣⅤⅥⅦⅧⅨⅩ为剖面图。

评分

参与人数 1三维币 +2 收起 理由
天际孤帆 + 2 一般工业习惯

查看全部评分

发表于 2010-3-12 16:51:23 | 显示全部楼层 来自: 中国河南郑州
原则上没什么错误,但最好不要这样.

评分

参与人数 1三维币 +2 收起 理由
天际孤帆 + 2 鼓励交流

查看全部评分

发表于 2010-3-12 18:09:56 | 显示全部楼层 来自: 中国上海
一般不这么标
发表于 2010-3-12 20:10:35 | 显示全部楼层 来自: 中国江苏淮安
有人不喜欢这样,我认为不是原则错误,很容易区别的
发表于 2010-3-12 20:42:15 | 显示全部楼层 来自: 中国辽宁营口
8# 寂静天花板  ) ~0 R" b) }% W' C
看你也是论坛的元老级人物,有不同的见解可以提出来,大家讨论嘛,你这种方式明显是在灌水!* T& S2 F3 K: [
我的说法是有道理的,我们现在生产的产品,有很多事老产品,用的是老图纸,很多图纸上面都是这种方式 ...
. R1 P* ]; I0 N+ w/ G# O0 B8 O& g: ^trues2006 发表于 2010-3-12 16:13 http://www.3dportal.cn/discuz/images/common/back.gif
/ ?# {1 q2 g! \4 s9 ~2 f
这还振振有词呢,贵公司的管理足见多混乱,拿不是当理讲,难道贵公司就是这么执行质量体系的吗
发表于 2010-3-12 22:01:12 | 显示全部楼层 来自: 中国江苏常州
大家心平气和一点,把道理说清楚就行。
发表于 2010-3-13 10:38:17 | 显示全部楼层 来自: 中国上海
这还振振有词呢,贵公司的管理足见多混乱,拿不是当理讲,难道贵公司就是这么执行质量体系的吗2 o( g/ ]; X$ ~5 O0 H4 u, r/ ~
horseshoe 发表于 2010-3-12 20:42 http://www.3dportal.cn/discuz/images/common/back.gif
: K) O9 e8 ^8 M: ]# y  r8 H
" t6 }1 }+ k- y& \
哥们!这话过头了吧?我没看出来这个问题以及对此的讨论与啥“质量体系”有何种关系。
9 L+ Q+ E" A$ M; P* O* y5 z楼主的问题看清楚再说嘛!
+ n& Z- k5 r$ I- q0 s技术上我比不了你们这些小年轻,制图手册也久已不翻了,但图纸也看了二十年了,没觉得楼主的这一问题会引起什么歧义。

评分

参与人数 1三维币 +2 收起 理由
天际孤帆 + 2 鼓励交流

查看全部评分

发表于 2010-3-14 15:12:48 | 显示全部楼层 来自: 中国上海
我觉得没问题啊,基准和剖面完全不是一个概念阿
发表于 2010-3-14 15:37:29 | 显示全部楼层 来自: 中国上海
标准里没有规定这样会有问题,再说了基准是要方框的
发表于 2010-3-14 17:10:03 | 显示全部楼层 来自: 中国江苏苏州
本帖最后由 huanking 于 2010-3-14 17:11 编辑
  g" Q7 g) s4 V7 Q; K1 I
8 E7 q6 G# Q2 N同意trues2006、马尔马拉海,楼主的标法没问题,搞机械的同志,这样的图纸要是看不懂那我看他的书是白念了。
发表于 2010-3-14 17:17:23 | 显示全部楼层 来自: 中国上海
这样的标注没用问题。# n" {5 ~% o% i  @3 ^* T8 T: k
ASME Y14.5-2009中图例也有如此标注的。

评分

参与人数 1三维币 +2 收起 理由
天际孤帆 + 2 鼓励交流

查看全部评分

发表于 2010-3-19 23:09:05 | 显示全部楼层 来自: 中国福建泉州
原则上是没有什么错的,关键是要专业人士可以看懂。
发表于 2010-3-21 11:14:56 | 显示全部楼层 来自: 中国浙江丽水
应该一点问题都没有。要是这图纸会看混淆了的人根本就是不会看图纸。
发表于 2010-3-22 22:15:37 | 显示全部楼层 来自: 中国湖南长沙
如果较真的话这样标的确是有问题.但这样显的有些太守制了吧!!4 G  X1 B+ t! w: r
这样的图是个搞机械的人应该都能看懂.
发表于 2010-3-23 15:53:09 | 显示全部楼层 来自: 中国辽宁沈阳
可以的,基准符号与剖面符号可以重复利用,我们需要辨别的是基准符号与剖面符号;4 n0 Z6 U; c+ _+ Y
剖面符号是箭头标识,基准符号是如楼主所示的圆圈圈住,并制定基准的部位;暂时还没有相关的标准来废止这种标注方法,我们也已经习 ..." M' y- [* B5 ?: o
trues2006 发表于 2010-3-12 15:28 http://www.3dportal.cn/discuz/images/common/back.gif

# y5 _2 d' n: M很遗憾,最新的GBT1182-2008已经代替了GBT1182-1996,算不算废止?

评分

参与人数 1三维币 +2 收起 理由
天际孤帆 + 2 鼓励交流

查看全部评分

发表于 2010-3-23 22:53:50 | 显示全部楼层 来自: 中国浙江杭州
是不算错,但还是避免吧,毕竟不能保证看图的人就是画图的人.
发表回复
您需要登录后才可以回帖 登录 | 注册

本版积分规则


Licensed Copyright © 2016-2020 http://www.3dportal.cn/ All Rights Reserved 京 ICP备13008828号

小黑屋|手机版|Archiver|三维网 ( 京ICP备2023026364号-1 )

快速回复 返回顶部 返回列表