QQ登录

只需一步,快速开始

登录 | 注册 | 找回密码

三维网

 找回密码
 注册

QQ登录

只需一步,快速开始

展开

通知     

查看: 3582|回复: 18
收起左侧

[讨论] 这样标注有哪些地方不妥。

[复制链接]
发表于 2009-7-28 13:24:42 | 显示全部楼层 |阅读模式 来自: 中国江苏苏州

马上注册,结识高手,享用更多资源,轻松玩转三维网社区。

您需要 登录 才可以下载或查看,没有帐号?注册

x
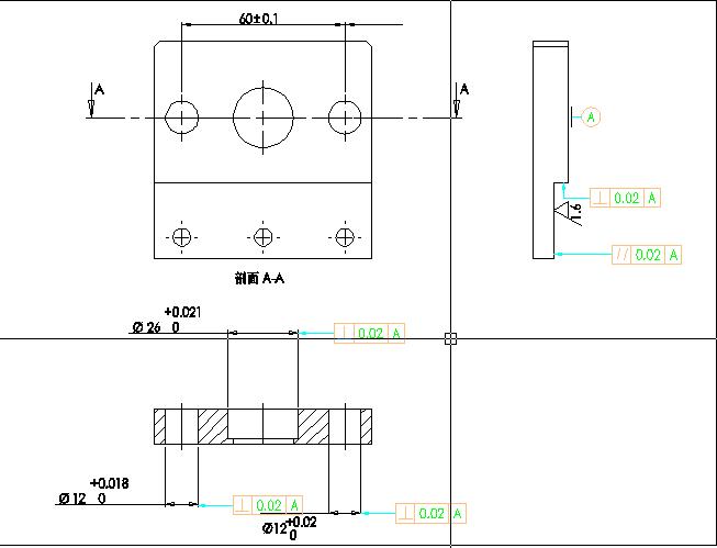
零件如图,各位置有说明:
& H0 f1 N* L9 r 3.JPG , }/ f( K# J/ ], y: t. Y$ d, Y
对此零件的工程图我做如下形位公差标注:  `( j# g5 }' B5 N- f
4.JPG ' l8 X/ l/ V0 n1 H% a
问题:
" j1 F7 v0 v/ Y' ^' Z# m3 p. y% m3 L, ~1、B,C 2个面是安装在型材上面的,我以这2个面作为基准,是不是比较好?! y  W8 r' w. e. C8 U% ]
2、如图的6个形位公差标注肯定有问题的了,哪些是多余的,或者哪里还缺少形位公差的标注?(这个是最主要的问题,一直不知道怎样标最精简最正确,附件里面有原图,SW09的,如果打不开的,有CAD)" v* \, b, M, N1 g8 E
3、图中标了一个平面度,又标了一个粗糙度,如果粗糙度满足要求了,平面度是不是就可以不需要标了?

dwg.rar

13.23 KB, 下载次数: 6

sw.rar

213.01 KB, 下载次数: 10

 楼主| 发表于 2009-7-28 15:08:42 | 显示全部楼层 来自: 中国江苏苏州
原帖由 寂静天花板 于 2009-7-28 14:32 发表 http://www.3dportal.cn/discuz/images/common/back.gif1 b  N* S% L2 e1 O( h' b' ?/ y
被加工面缘何成为基准面?
& H9 r* p) z9 X$ S1 f9 K9 w
被加工面不可以做为基准面吗?好像可以的吧
发表于 2009-7-28 15:24:19 | 显示全部楼层 来自: 中国浙江杭州
可以做基准面得,但是最好是用不加工的表面
发表于 2009-7-28 15:35:51 | 显示全部楼层 来自: 中国北京

tolerance

gc.JPG
发表于 2009-7-28 15:45:43 | 显示全部楼层 来自: 中国北京
这些基准即是加工基准同时也是测量基准,你把自己放在检验的位置上,看看你制定的这些公差尺寸你如是检验员你能不能测量,花多大代价能测量,这是一个综合考虑的问题,如你自己都做不到就最好不要标出来。
发表于 2009-7-28 15:46:10 | 显示全部楼层 来自: 中国北京
说明:1、你所说的两个面虽然是安装在型材上面,但是与之配合的型材的公差是啥样子你不知道,就是说虽然这边做的很好但是那边没有作为的时候,还是没有起到作用。另外你选的基准不是很好定位的。
% o/ O- I2 l0 n: @% i: e2、你的D、E、A基准都有问题,三个孔(导向轴、固定座)在正式安装过程中要保持一定的平行度就是说他们的中心要定位必须以一个基准进行定位,象你这样标注的话就说给一个兵配了好几个班长,最后不知道以谁的命令为准了。( q, f4 X, S0 w5 B9 G5 o  S
3、粗糙度满足的额情况下,平面度可以不标注,但是平面度满足的情况下,粗糙度不一定满足。
) M( E0 D# F5 A. e: h  E: Y0 m- j- T8 L0 c
以上意见提出仅供大家参考,不足之处请大家校正!
 楼主| 发表于 2009-7-28 16:14:03 | 显示全部楼层 来自: 中国江苏苏州
原帖由 liuzhankui_5 于 2009-7-28 15:35 发表 http://www.3dportal.cn/discuz/images/common/back.gif# E' T! G. o+ |! V  K
1384370

- l( d4 d. y" Z" L3 W* N: {" V对称度应该需要的吧?
* }8 u* O' P' ]' l# o9 F$ J孔垂直面,前面需要直接符号吗?
 楼主| 发表于 2009-7-28 16:17:50 | 显示全部楼层 来自: 中国江苏苏州
原帖由 liuzhankui_5 于 2009-7-28 15:46 发表 http://www.3dportal.cn/discuz/images/common/back.gif
1 |: U# N" |* n$ c说明:1、你所说的两个面虽然是安装在型材上面,但是与之配合的型材的公差是啥样子你不知道,就是说虽然这边做的很好但是那边没有作为的时候,还是没有起到作用。另外你选的基准不是很好定位的。- c! Y* E- c. _( N  V
2、你的D、E、A基准 ...

% j/ ^& m# I9 @6 O. u4 X, G非常非常的感谢,学习了。 :handshake :handshake
 楼主| 发表于 2009-7-28 20:28:35 | 显示全部楼层 来自: 中国江苏苏州
对称度需要标吗,以另外一面做为基准会不会好些
 楼主| 发表于 2009-7-29 16:09:21 | 显示全部楼层 来自: 中国江苏苏州
除了liuzhankui_5 兄的,就没有第二种标注的方法了吗?坛子里面的高手请指教了。
发表于 2009-7-29 22:05:23 | 显示全部楼层 来自: 中国浙江宁波
你标的复杂了点,一个尺寸怎么标要看你的零件是怎么用的,你都标上工差,看似严谨,其实现实中是满足不了你的要求的,只要标关键的尺寸就行了,要考虑后期的装配与使用就行了。
发表于 2009-7-29 22:57:07 | 显示全部楼层 来自: 中国浙江金华
形位对称度的基准这样标对吗,我认为不正确的,应该标在主视图的圆周边上
发表于 2009-7-30 15:04:21 | 显示全部楼层 来自: 中国北京
标注的方法多种多样,但是有几个基本的要求需要遵守,基准面要选择便于安装检测仪器,比如说上面得检测垂直度时,如果你选了另一个空座基准的话,那就需要检验人员做一个假轴装在孔上面再将一起固定在上面,去测量另一个孔德内表面。另一个就是基准不能互相打架
发表于 2009-7-30 15:32:22 | 显示全部楼层 来自: 中国湖北武汉
被加工面是可以做为精加工的基准面的
发表于 2009-7-30 15:47:26 | 显示全部楼层 来自: 中国四川成都
根本未考虑工艺加工,互相为基准,无法检测加工
发表于 2009-7-30 16:04:17 | 显示全部楼层 来自: 中国北京
其实弄俩基准就完事了。一个轴线,一个平面。像你这活给德国人干都没这么复杂。才学位置公差吧?
) S& D& u9 Z# ]2 X* b2 M) _2 P2 h0 Z& }/ l$ y/ \# S. m
[ 本帖最后由 白辞 于 2009-7-30 16:07 编辑 ]
 楼主| 发表于 2009-7-30 16:45:34 | 显示全部楼层 来自: 中国江苏苏州
有兴趣的朋友标一下,截图贴上来交流一下吧
 楼主| 发表于 2009-7-31 08:56:57 | 显示全部楼层 来自: 中国江苏苏州
其实大家一讨论,还是会发现自己本身存在的问题的,尽管平时认为自己是对的。
发表于 2009-7-31 09:13:20 | 显示全部楼层 来自: 中国北京

回复 19# xiricunfa 的帖子

嗯!同意您的观点,交流是工程技术人员水平提高的必由之路。
发表回复
您需要登录后才可以回帖 登录 | 注册

本版积分规则


Licensed Copyright © 2016-2020 http://www.3dportal.cn/ All Rights Reserved 京 ICP备13008828号

小黑屋|手机版|Archiver|三维网 ( 京ICP备2023026364号-1 )

快速回复 返回顶部 返回列表