QQ登录

只需一步,快速开始

登录 | 注册 | 找回密码

三维网

 找回密码
 注册

QQ登录

只需一步,快速开始

展开

通知     

查看: 2103|回复: 7
收起左侧

[求助] 0.7mm厚的扳手用什么钢比较好,在线等

[复制链接]
发表于 2009-1-20 11:04:32 | 显示全部楼层 |阅读模式 来自: 中国重庆

马上注册,结识高手,享用更多资源,轻松玩转三维网社区。

您需要 登录 才可以下载或查看,没有帐号?注册

x
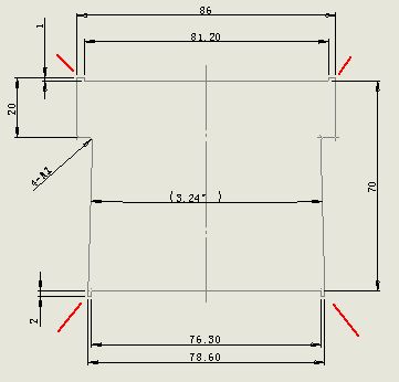
做0。7mm的旋螺纹压圈的扳手,用什么钢比较好,主要靠红线所标的突点旋压。要有一定的硬度,也要有些韧性。
7 ]: o5 Z; x& N( p* n; T4 ?8 N3 [急呀,在线等答案。
* p- Q! V$ V* M: u+ B; i4 e, S??????????
截图00.jpg
 楼主| 发表于 2009-1-20 11:39:59 | 显示全部楼层 来自: 中国重庆

怎么还没有人回答呀?

有人说淬火处理,那要处理什么程度呢?
发表于 2009-1-20 15:17:21 | 显示全部楼层 来自: 中国广东深圳
按你这么说只能用20CR了  渗碳层薄一点  别的估计肯定淬透了

评分

参与人数 1三维币 +3 收起 理由
userkypdy + 3 积极交流

查看全部评分

发表于 2009-1-26 14:18:59 | 显示全部楼层 来自: 中国上海
对,就用20Cr
发表于 2009-1-26 15:26:32 | 显示全部楼层 来自: LAN
楼主说的这个扳手的要求并不是很高呀,施工时从上往下施加点压力,然后板手的硬性与刚度够了就行,厚度并不很重要,可以从0.7mm或1mm处加一封盖即可。20Cr可以,20Mn2也行。
发表于 2009-1-27 17:50:40 | 显示全部楼层 来自: 中国贵州贵阳
可以采用38CrMoAl调质后表面氮化,氮化层深度0.2左右就可以了
发表于 2009-1-27 20:40:15 | 显示全部楼层 来自: 中国河南焦作
找一片木工用的带锯锯片(电锯),用线切割加工即可,不需要再做其他处理
发表于 2009-1-29 22:19:42 | 显示全部楼层 来自: 中国江西九江
弹素工具钢T8,淬火HRC40-45即可。
发表回复
您需要登录后才可以回帖 登录 | 注册

本版积分规则


Licensed Copyright © 2016-2020 http://www.3dportal.cn/ All Rights Reserved 京 ICP备13008828号

小黑屋|手机版|Archiver|三维网 ( 京ICP备2023026364号-1 )

快速回复 返回顶部 返回列表