QQ登录

只需一步,快速开始

登录 | 注册 | 找回密码

三维网

 找回密码
 注册

QQ登录

只需一步,快速开始

展开

通知     

查看: 4443|回复: 31
收起左侧

[求助] 这个东西好难画,高手来画下看看!谢谢!

[复制链接]
发表于 2008-12-3 15:45:19 | 显示全部楼层 |阅读模式 来自: 中国浙江宁波

马上注册,结识高手,享用更多资源,轻松玩转三维网社区。

您需要 登录 才可以下载或查看,没有帐号?注册

x
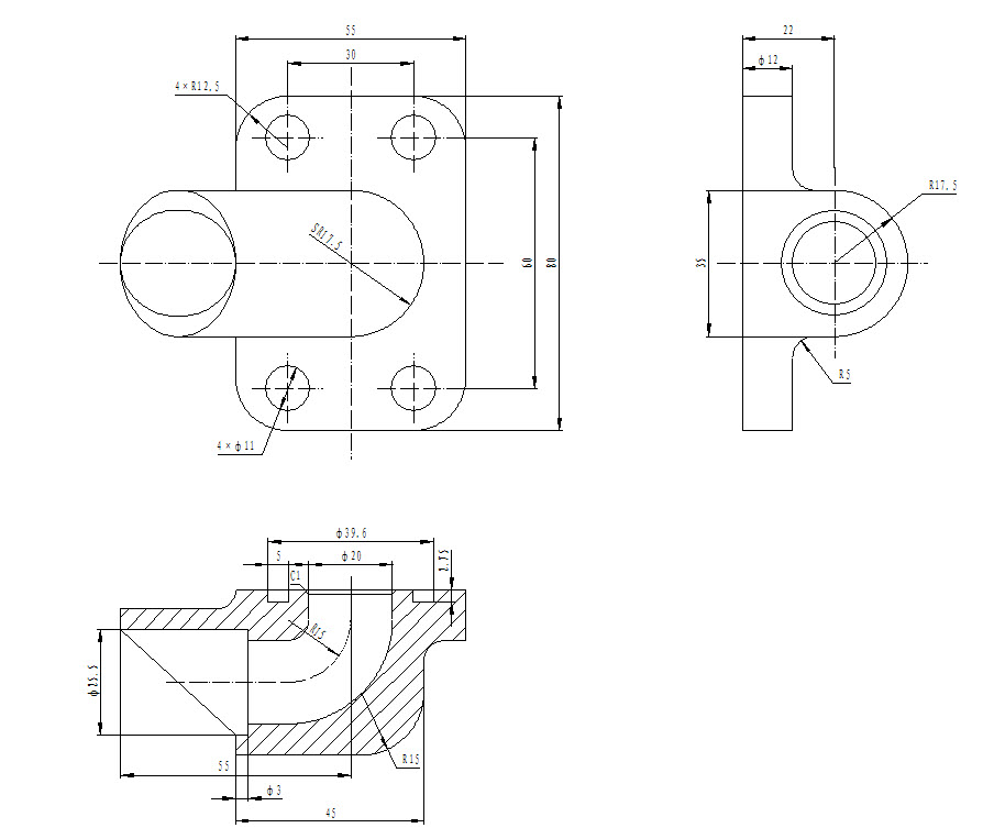
之前的那个问题谢谢各位论坛的朋友给我解答,现在有碰到个复杂的。
/ X$ n% ^5 l4 F, T6 Q下图的法兰看下怎么画,高手们来给偶画下造型,偶画的晕死了。眼睛都看花了,下图是偶画的2D图。
! V8 o) j7 j6 s  A, E2 r顺便问下各位大侠这个该怎么做才省成本啊?
. }4 Q% Z7 P: Z- y" y: u
# a( @6 B8 h1 ?" \0 \/ w" @2 l& b. S那个Φ3的尺寸是3,不好意思标错了
/ j+ B) y: O/ q0 Z: _6 b% R3 _我把截取的图片传上来,看不清楚的可以看这个,尺寸都是齐全的,谢谢各位. X: v1 i1 ?  D/ v7 k* ~
发错了。。。压缩了上。。。
, L' O4 ^& s; n9 s/ e# K/ I
; Y: E* T0 n& k" D3 `1 r[ 本帖最后由 bingshan 于 2008-12-3 17:07 编辑 ]
奇怪的法兰.jpg
奇怪的法兰.jpg

奇怪的法兰.rar

48.68 KB, 下载次数: 26

发表于 2008-12-3 16:10:32 | 显示全部楼层 来自: 中国北京
这张图我看着怎么那么别扭呢????+ y% ]1 ^3 n/ |+ Q7 v2 g! L3 Q# S$ R

! n# \: ]! r" x$ H[ 本帖最后由 dayGhost 于 2008-12-3 16:41 编辑 ]
 楼主| 发表于 2008-12-3 16:40:21 | 显示全部楼层 来自: 中国浙江宁波
谢谢楼上这位热心的朋友,非常之感谢   p/ T( a, C( c9 I  X
如有什么问题和需要请和我说
发表于 2008-12-3 16:43:03 | 显示全部楼层 来自: 中国浙江衢州
真的要找高手啊  我看了半天 没看出什么名堂来
发表于 2008-12-3 16:45:38 | 显示全部楼层 来自: 中国浙江衢州
这图是原图还是你画的 三视图的关系不明确啊
 楼主| 发表于 2008-12-3 16:50:25 | 显示全部楼层 来自: 中国浙江宁波
这个是原图(蓝图),我照原来的样子画好截图上传的!
发表于 2008-12-3 16:52:19 | 显示全部楼层 来自: 中国浙江衢州
那这个图就太有压力 我正在试呢
发表于 2008-12-3 16:53:45 | 显示全部楼层 来自: 中国北京
1、俯视图(1/4剖)中c1边上的尺寸5的特征是什么样子的槽?进深多少?;25.5直径  旁边的特征,左视图看不到
7 S1 g( N# A4 i2、主视图椭圆内部圆特征尺寸?左视图上看起来似乎有矛盾8 N0 b' [' m: t
3、左视图中圆孔,在俯视图看起来似乎位置尺寸不对应?(目测)* A$ U$ z4 e! Y4 n( ]

, \# ?7 e9 H3 w5 t7 Z' b: a关于加工:
3 z5 ?7 {, H7 p! e猜测该零件应为水管接头,很久不碰水管了,记得小时候家里厂子做这种东西貌似是翻砂,但是没这个难。3 s1 J+ K  Q7 O* E6 i+ g2 k/ q
感觉这个用蜡模做,应该能做出来, @; T+ r9 A4 o3 e/ p& K$ i  n

$ j$ |, f4 O, |( Q9 @: k/ u0 P还是请高手解答吧
( Y# b2 O, H7 T  l! a  K: |4 `1 v; E

7 g- i0 _! q+ X: R不好意思,刚才喝了点酒,头有点晕,现在看明白了,正在做。
* t* e7 E5 T( ?9 R呵呵呵
" [: W1 p; N* n. S7 G对不住了楼主2 C# E' h- N* s) c! Y% R* X
! p: z# W2 t4 P0 L" i. g

5 m+ l& Y/ x& y9 X0 Z; I! {1 |- b顺便问一下,主视图中,底盘的尺寸多少,看不太清楚。。。。。
: d! U& E  X+ v. n+ H, e# I+ h
2 `5 r: C* m5 A5 U( {6 P楼主现在就要么??今天中午喝酒了。。。。。& Y9 q5 y* o, H5 w  E

2 b( f! Z6 w) R) P; o/ y# ][ 本帖最后由 dayGhost 于 2008-12-3 17:10 编辑 ]
发表于 2008-12-3 17:01:08 | 显示全部楼层 来自: 中国浙江衢州
槽是环行槽 深2.75  应该是放密封圈的
8 y8 ?8 v% S& P7 L3 h, e5 l& y$ e其它的我也看不懂
 楼主| 发表于 2008-12-3 17:01:23 | 显示全部楼层 来自: 中国浙江宁波
原帖由 dayGhost 于 2008-12-3 16:53 发表 http://www.3dportal.cn/discuz/images/common/back.gif
6 O9 N6 _' z' W, J4 R3 X% B8 I1、俯视图(1/4剖)中c1边上的尺寸5的特征是什么样子的槽?进深多少?;25.5直径  旁边的特征,左视图看不到5 S& j: F9 `3 y+ e6 ?6 g
2、主视图椭圆内部正圆特征尺寸?左视图上看起来似乎有矛盾
4 d0 A  ?9 Z- Q/ ?  I3、左视图中圆孔,在俯视图看起来似乎位置尺 ...

- @9 T- F4 |, L回复dayGhost朋友:
3 J1 w+ {8 Y7 J8 P- M1.俯视图是“半剖试图”槽的深度上面有是2.75。$ x- l0 v. `$ m# q1 Q7 V$ {8 E
2.主视图看就是这个样子的,我之前好像在论坛看到过这样的结构就是过渡的一个面(中间剖开好像就是这个样子的,我不会画)
: k. G. u4 T/ Z3位置是对应的,没有问题。
5 @/ o+ N  a1 }6 c) x+ I7 V还望有经验的朋友帮忙看下,不胜感激!6 [0 }, d, |3 u
图纸附件已经上传。在一楼。" t9 \2 l' f" s/ K
4 F; w; l! R$ ?$ A2 B# R
[ 本帖最后由 bingshan 于 2008-12-3 17:08 编辑 ]
发表于 2008-12-3 17:03:06 | 显示全部楼层 来自: 中国浙江衢州
高手快画啊 很期待啊
发表于 2008-12-3 17:38:38 | 显示全部楼层 来自: 中国江苏苏州
这张图右边剖析不正确,请核对后再发上来。
 楼主| 发表于 2008-12-3 17:43:39 | 显示全部楼层 来自: 中国浙江宁波
原帖由 zf-mold65904129 于 2008-12-3 17:39 发表 http://www.3dportal.cn/discuz/images/common/back.gif
9 w% F. ]! O9 P- P* o这张图右边剖析不正确,请核对后再发上来。
* X$ M& ~3 y9 V
我看着也好像不对,它蓝图就是这样的应该35的圆是画整个圆的才对哦。
发表于 2008-12-3 18:41:46 | 显示全部楼层 来自: 中国江苏苏州
大至如下图:
i法兰.jpg

评分

参与人数 1三维币 +2 收起 理由
艾飞 + 2 参与讨论

查看全部评分

发表于 2008-12-3 18:44:47 | 显示全部楼层 来自: 中国江苏苏州
再来一张,
i法兰2.jpg
 楼主| 发表于 2008-12-3 21:44:44 | 显示全部楼层 来自: 中国浙江宁波
楼上的朋友可以穿上原文件吗?我也画了张不是很像。。。那个斜角的面怎么画啊?
2008-12-3 21-44-24.jpg
发表于 2008-12-3 23:50:51 | 显示全部楼层 来自: 中国河北张家口

回复 17# bingshan 的帖子

呵呵,你的斜角画翻了。( z* [- [2 h6 X
另外,图纸尺寸是有毛病,有了SR17.5的球,轮廓线上的R15就是多余的了。效果如图01
+ u6 f! l0 t) h9 z1 g图02是正确的。
( j( r; e9 ?0 w* h! R% L% s8 j我来上传源文件。9 l9 j, Y% _2 v% k  t
  Q& Z# V) ^# u8 a$ m, z4 w
[ 本帖最后由 6089250 于 2008-12-3 23:56 编辑 ]
01.jpg
02.jpg

零件1.rar

143.24 KB, 下载次数: 6

评分

参与人数 1三维币 +2 收起 理由
艾飞 + 2 参与讨论

查看全部评分

发表于 2008-12-4 00:41:26 | 显示全部楼层 来自: 中国广东深圳
剖视图投影有点小问题,但不影响看图
: t9 |+ |9 i9 g, o% i$ @! v. {3 {" \6 ^
[ 本帖最后由 xuhongejo 于 2008-12-4 00:47 编辑 ]
119.jpg
118.jpg
117.jpg
116.jpg
115.jpg

评分

参与人数 1三维币 +2 收起 理由
艾飞 + 2 参与讨论

查看全部评分

发表于 2008-12-4 08:11:15 | 显示全部楼层 来自: 中国浙江衢州
楼上的朋友   发个源文件呗
发表于 2008-12-4 08:19:02 | 显示全部楼层 来自: 中国江苏扬州
这个是不是国外的图纸啊
发表于 2008-12-4 10:33:49 | 显示全部楼层 来自: 中国福建厦门
未命名.gif
8 O1 |* t" x: RSW2008SP44 C1 n5 S' {3 A' v8 N3 o( `

- t+ O+ c! ]8 C3 d' t8 l" u$ C1 [. @[ 本帖最后由 yjf8828 于 2008-12-4 10:40 编辑 ]

零件1.rar

260.78 KB, 下载次数: 24

工程图.rar

126.14 KB, 下载次数: 17

评分

参与人数 1三维币 +2 收起 理由
艾飞 + 2 参与讨论

查看全部评分

发表于 2008-12-4 11:14:41 | 显示全部楼层 来自: 中国浙江衢州
在这先谢过了
发表于 2008-12-4 11:18:12 | 显示全部楼层 来自: 中国山东聊城
渲染的挺好的
发表于 2008-12-4 11:21:02 | 显示全部楼层 来自: 中国山东烟台
我用的07,打不开08,请问一下左边的斜孔是如何做出来的?谢谢
发表于 2008-12-4 11:36:40 | 显示全部楼层 来自: 中国福建厦门

回复 23# 寂静天花板 的帖子

谢谢提醒,下回注意
发表回复
您需要登录后才可以回帖 登录 | 注册

本版积分规则


Licensed Copyright © 2016-2020 http://www.3dportal.cn/ All Rights Reserved 京 ICP备13008828号

小黑屋|手机版|Archiver|三维网 ( 京ICP备2023026364号-1 )

快速回复 返回顶部 返回列表