QQ登录

只需一步,快速开始

登录 | 注册 | 找回密码

三维网

 找回密码
 注册

QQ登录

只需一步,快速开始

展开

通知     

查看: 2117|回复: 5
收起左侧

[讨论] 关于solidworks2008新增的三维标注的讨论

[复制链接]
发表于 2008-11-26 18:58:53 | 显示全部楼层 |阅读模式 来自: 中国陕西西安

马上注册,结识高手,享用更多资源,轻松玩转三维网社区。

您需要 登录 才可以下载或查看,没有帐号?注册

x
关于solidworks2008新增的三维标注的讨论
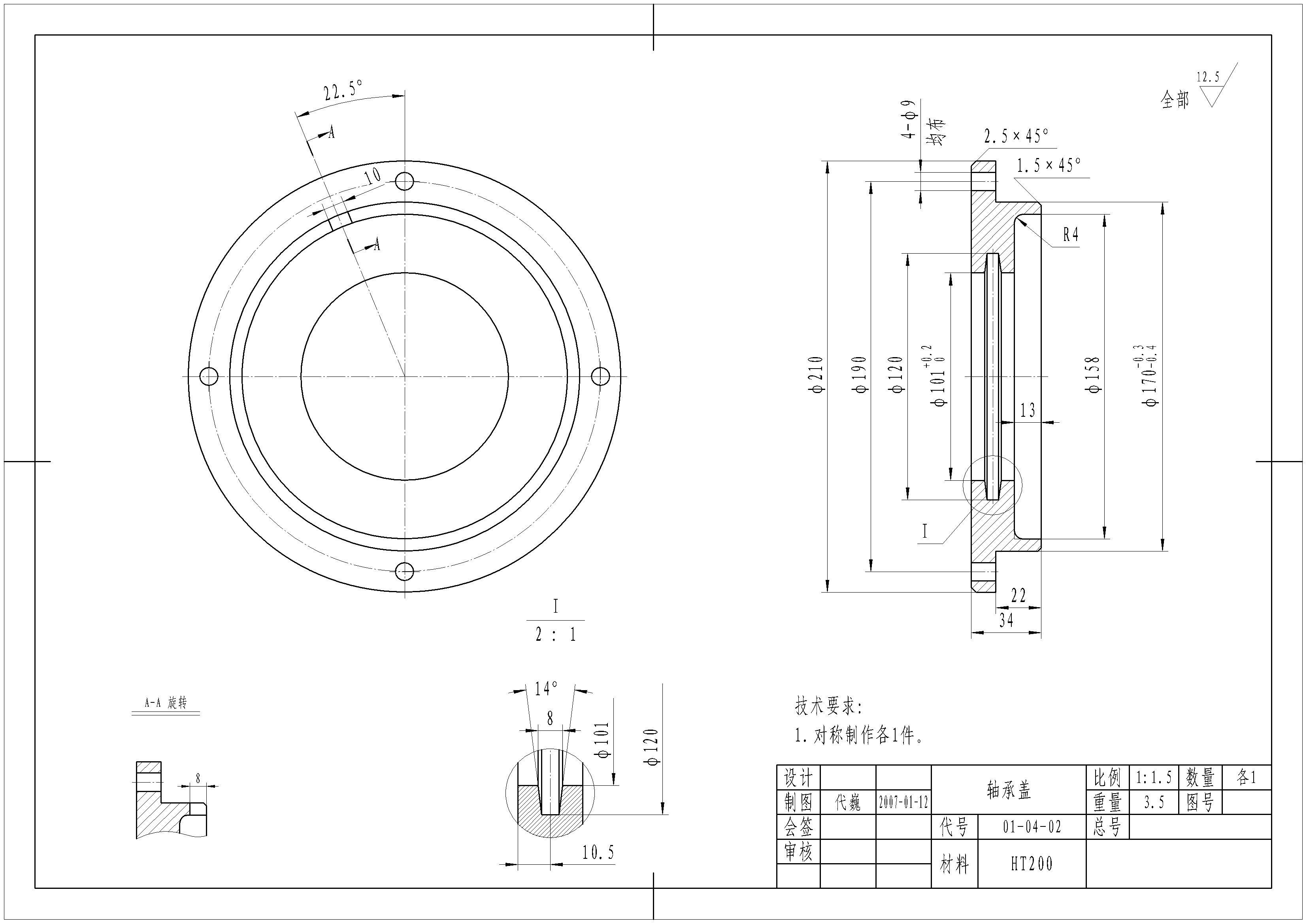
9 N4 _6 g$ r0 g6 O% u4 D如何使用solidworks2008新增的三维标注功能标注图1所示尺寸?% m9 N' C% Q/ P% N4 ]. L
源文件包含本人标注的部分尺寸,请高手把其余尺寸补全.( l) W7 J* C5 U/ p
注:具体尺寸公差可以忽略。

图1(工程图)

图1(工程图)

01-04-02 轴承盖.rar

69.89 KB, 下载次数: 18

原solidworks2008原文件

 楼主| 发表于 2008-11-26 19:02:35 | 显示全部楼层 来自: 中国陕西西安
请问高手视图A-A的角度尺寸22.5和视图Ⅰ的角度尺寸14如何标注?
发表于 2008-11-27 21:00:26 | 显示全部楼层 来自: 中国江苏苏州
工程团没有问题的,都可以标注的。) P# ^( G9 P) p4 P" c
2008的三维标注还没有研究过
) p1 p9 V5 G# u. n  y9 h
+ k" M! e' u8 a% A, I[ 本帖最后由 bugkillbug 于 2008-11-27 21:02 编辑 ]
发表于 2008-11-28 23:49:44 | 显示全部楼层 来自: 中国广东深圳
2008的三维标注! Y) _% E0 k( \' w
感觉没什么用   还更麻烦/ E6 H8 G; }/ E1 s! q; b
至少我们这边是这样
 楼主| 发表于 2008-11-29 22:24:37 | 显示全部楼层 来自: 中国陕西西安
用solidworks2008 Dimxpert功能标注的图形,请高手把其余标注补全: f7 W5 h+ J- z
可以用于后期的工程图 表示零部件的尺寸和精度要求
* {4 l" \4 ~7 H' D2 x  I5 E/ Z  Z. p6 F; {. J2 D5 Z- t! n' t
[ 本帖最后由 dwsxsl 于 2008-11-29 22:27 编辑 ]

用solidworks2008 Dimxpert功能标注的图形

用solidworks2008 Dimxpert功能标注的图形
 楼主| 发表于 2008-12-6 19:27:14 | 显示全部楼层 来自: 中国陕西西安
问题的关键就是如何进行基于参考平面的尺寸标注。
发表回复
您需要登录后才可以回帖 登录 | 注册

本版积分规则


Licensed Copyright © 2016-2020 http://www.3dportal.cn/ All Rights Reserved 京 ICP备13008828号

小黑屋|手机版|Archiver|三维网 ( 京ICP备2023026364号-1 )

快速回复 返回顶部 返回列表