QQ登录

只需一步,快速开始

登录 | 注册 | 找回密码

三维网

 找回密码
 注册

QQ登录

只需一步,快速开始

展开

通知     

查看: 2921|回复: 13
收起左侧

[求助] 关于工程图的几个实际问题

[复制链接]
发表于 2008-6-24 01:01:21 | 显示全部楼层 |阅读模式 来自: 中国湖北黄石

马上注册,结识高手,享用更多资源,轻松玩转三维网社区。

您需要 登录 才可以下载或查看,没有帐号?注册

x
用SW做出了产品后出工程图遇到了很多问题总结一下有如下几个方面,请真正使用过SW做过工程图来进行过加工生产的兄弟指点一下(我用的是SW20060):( `: m. T( O  X6 R. s1 a8 e/ j
1、将模型输入工程图中怎样才能知道建模时的尺寸全部输入到了图纸当中,怎样检查漏掉的尺寸问题。% f2 Z. m2 l8 Q% H
2、本身在建模时建立的特征是螺纹孔。而在工程图中显示却是Φ孔。5 u: W* k2 V& J% x- i* D
3、复杂模型标注特征尺寸时尺寸的基准是以中心线标注好,还是以原点标注好,或者是选加工基准面标注好。
, Y# f# c7 x  P4、关于视图的建立,什么时候用隐藏线可见、或者消除隐藏线来表达视图
6 r6 k1 p: F+ q$ A# E1 D7 {5、sw当中有没有加工中编好的技术要求,可直接应用到工程图中的,不需要每次输入。2 F$ @2 |: W3 K6 m* Q: Z$ d' v. O
6、在一幅工程图中如何同时建立半剖视图、全剖视图。
3 [/ ~' P/ q6 S/ n应为我们设计出来的图纸都需要加工的工人看得懂,而且要清晰。
- V( m7 ^% H& g0 q+ Y  q9 ?我这里传上一个机架图和文件供各位讨论一下,请指点一下我在建立这个模型时,建模思路、尺寸标注基准、有没有问题,
' ~, Q# U# r  q- U6 z$ ?谢谢      
3 O0 f  J* K' P* y; V# u1 p# W9 C, o; {& Q
关于我上传的模型的问题  @/ s2 \; i) _3 E: q: }6 g
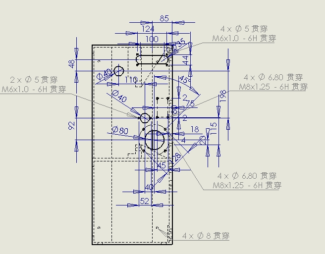
1、图2是把模型放到工程图中的情况,尺寸非常乱,还有一些数字不知道什么意思,可能是阵列的数字把(不能有更好的表达方法吗?能否消除)碰到这样的模型你是如何来建模的。
; L' b( j. v' C) Z' Q( Y6 }% j7 t2、模型文件在上面,我建模时标注尺寸是划中心线标的,这个模型这样标尺寸有问题吗,出的工程图给工人看会有误解吗?
2.JPG
1.JPG

机架.rar

828.61 KB, 下载次数: 16

 楼主| 发表于 2008-6-24 01:05:57 | 显示全部楼层 来自: 中国湖北黄石

图2问题

红圈的我估计是阵列的数,本身模型的尺寸自己都看得很乱,何况是工人看,请问这些问题有更好的解决方法吗?
2.JPG
 楼主| 发表于 2008-6-24 01:10:02 | 显示全部楼层 来自: 中国湖北黄石
还有一个问题,零件被渲染后,输入工程图中对模型尺寸有影响吗?
发表于 2008-6-24 10:49:13 | 显示全部楼层 来自: 中国天津
楼主很多都是制图的基础问题啊,一个个回答
" H7 M! h' f' @0 J8 T, \; R" ?1.图纸表达要清晰、准确、完整,标注尺寸有两个基本要素:形状和位置,检查每个特征都包含这两个要素就没有遗漏了,
. k' V  q9 ^8 l: t- e: j" |2.sw螺纹孔表达是装饰螺纹线,在投图的时候会有3/4圆,标注需要手工修改
* W9 s4 V7 W0 L+ n0 c9 N' D, b3.不论是简单模型还是复杂模型,其标注方式应该依据加工方式和精度要求来确定0 O4 n6 e( p0 x" x
4.以能够清楚表达为目的,看当时需要,必要时添加半剖,全剖及局部视图等
( n# H! a, H# ~* c5.可以制作工程图模板,在投图是选用5 e5 N+ i, F, Z, Q) w$ O
6.简单的就是投一个视图,然后进行半剖,另一个全剖,再把原始的删掉! F) R! H8 k* h& V, D* h0 P
总体来说就是基础没打好,多向老工程师请教,或者看看别人是怎么标的,另外去生产车间看看,一个零件是如何加工的,对你标注尺寸也有帮助1 K( V! p4 t6 [0 d/ Z. n
就楼主的这个零件来说,铸铝造型后要翻成铸模,这个暂不考虑,然后需要进行机加工才能成为成品交付使用,所以首先要分清那些是加工面哪些是配合面,这些都可以作为标注的基准(最好选粗加工面作为公共基准),图纸中也没有公差要求肯定是不行的,楼主努力吧: D% Z0 c  ]2 f  e; U8 M
ps:螺纹孔在生成特征时注意选择孔类型,否则显示出来的就不是你想要的
发表于 2008-6-24 10:56:22 | 显示全部楼层 来自: 中国山东青岛

关于工程图

关于尺寸问题,建议不要用自动生成尺寸,最好手动标注尺寸,这样比较工整明晰,
, w. R7 A8 `) w, K关于技术要求,可以先在“编辑图纸格式”中作好一个模版,作好常用的格式,包括注明技术要求等,然后保存图纸格式即可,以后在出工程图时直接选取此格式即可。如技术要求不一样时,可在编辑图纸时点编辑图纸格式进行修改
发表于 2008-6-24 10:58:04 | 显示全部楼层 来自: 中国河北沧州
简单一点说就是你在CAD中怎么作图,在SW中也是一样的。或者你可以把SW导入CAD中。
发表于 2008-6-24 13:44:02 | 显示全部楼层 来自: 中国北京
关于问题2
" }2 I" }6 b1 t1 y' M2.sw螺纹孔表达是装饰螺纹线。如果孔在三维模型中建对了,标注的时候注意选择螺纹线(3/4细线),就自动出现M字样。
发表于 2008-6-24 13:46:00 | 显示全部楼层 来自: 中国北京
楼主的箭头也应该换换,在“选项-文件属性-箭头”里修改成黑箭头。: N6 F; F7 w; J  H
最好还去买本书学习一下。你的问题太多了
发表于 2008-6-24 13:48:58 | 显示全部楼层 来自: 中国山东威海
楼主提的问题还真多,不过我看尺寸显的箭头就有问题,慢慢来吧
发表于 2008-6-24 13:53:28 | 显示全部楼层 来自: 中国山东聊城
没有软件是万能的,不象你想象的那样,点一下鼠标就什么工作都做好了,还需要自己下功夫的。
 楼主| 发表于 2008-6-25 14:50:40 | 显示全部楼层 来自: 中国湖北黄石
谢谢这么多老师了,在这里学到了好多东西,我的模型文件在上面可以下载,还想请问一下,具体的我这个模型的建模思路正确吗?就这个模型请帮忙分析一下,请就这个模型也做一张完整工程图,我对比一下自己做的图和你们批该后的图有什么区别,这样更容易提高,再次感谢!
发表于 2008-6-25 15:57:44 | 显示全部楼层 来自: 中国山东济南
另外标注尺寸的字号太大,修改小一些,楼主努力吧!
发表于 2008-7-29 12:47:49 | 显示全部楼层 来自: 中国江苏苏州
原帖由 jnshijin 于 2008-6-25 15:57 发表 http://www.3dportal.cn/discuz/images/common/back.gif3 |" e' R! t  @. J
另外标注尺寸的字号太大,修改小一些,楼主努力吧!

" V; J- O5 ?8 l: I2 b. D字号是大了,尺寸标注不美观.
发表于 2008-7-29 15:16:08 | 显示全部楼层 来自: 中国重庆
三人行必有我师7 i7 N' ^  }3 T/ l- \5 V
发表回复
您需要登录后才可以回帖 登录 | 注册

本版积分规则


Licensed Copyright © 2016-2020 http://www.3dportal.cn/ All Rights Reserved 京 ICP备13008828号

小黑屋|手机版|Archiver|三维网 ( 京ICP备2023026364号-1 )

快速回复 返回顶部 返回列表