QQ登录

只需一步,快速开始

登录 | 注册 | 找回密码

三维网

 找回密码
 注册

QQ登录

只需一步,快速开始

展开

通知     

全站
9天前
查看: 4576|回复: 20
收起左侧

[讨论] 液压缸竖直放置时,是否用液控单向阀就可以代替双向液压锁?

[复制链接]
发表于 2007-10-8 08:31:24 | 显示全部楼层 |阅读模式 来自: 中国天津

马上注册,结识高手,享用更多资源,轻松玩转三维网社区。

您需要 登录 才可以下载或查看,没有帐号?注册

x
液压缸竖直放置时,为了将其停在某一位置上而不下滑,用一个液控单向阀就能锁紧,而我看到许多回路采用了双向液压锁,一定有道理,想请教各位,是否用液控单向阀就可以代替双向液压锁?
发表于 2007-10-8 08:36:20 | 显示全部楼层 来自: 中国安徽马鞍山
如果另外一腔无需自锁,理论上当然可以。不过此类系统一般都不仅仅是一个双液控单向阀,楼主再仔细看看。
发表于 2007-10-8 09:08:34 | 显示全部楼层 来自: 中国河南郑州
一般需要在有杆腔加液控阀或平衡阀,但要注意油缸的速比和阀的开启比的关系,尢其是负负载的影响
发表于 2007-10-8 09:16:34 | 显示全部楼层 来自: 中国辽宁本溪
可以的
 楼主| 发表于 2007-10-8 09:55:23 | 显示全部楼层 来自: 中国天津
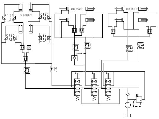
请看看下面的液压原理图,能否实现如下的动作:首先左边四个缸同步举升,到固定位置时能够锁止不动,而后与顶板铰接的两侧翼板(每侧两个液压缸)展开,要求同步(不严格),最后,两侧地板向外展开呈水平,要求同步(不严格)。举升缸是否可用夜空单向阀代替双向液压锁。?
展合液压系统图.jpg
发表于 2007-10-8 21:50:46 | 显示全部楼层 来自: 中国北京
这个液压原理图,能实现楼主所说的动作,但有一个问题换向阀中位油缸锁住可能有点问题,另外楼主原理图的油路图不清楚、完整!
7 P. `" v- K6 M; N3 i5 _6 X* H若考虑用用液控单向阀代替双向液压锁4 f, x: o" ]1 @. f$ H1 ~4 a( [) e
1.到固定位置时锁止不动可能比较慢7 j5 L' a8 ~8 {, S
2.根据你的原理图,若在原位置加须用外泄液控单向阀,外泄口直接接油箱
. D/ P1 T# I4 Z, Q! j这样也有一定的好处
% h4 G9 h/ R. Y. y5 q8 _+ k& N0 k1.可以增加分流阀的同步精度,减小了双向液压锁泄露的影响
0 n& R% A" B4 W: w2.成本低
发表于 2007-10-8 23:13:27 | 显示全部楼层 来自: 中国浙江绍兴
这样的代替应该没有问题!
, T( y1 F1 F) b9 g% ?$ g问题是楼主为什么非要换呢?成本没有影响的,难道还有其他原因?
 楼主| 发表于 2007-10-9 08:01:52 | 显示全部楼层 来自: 中国天津
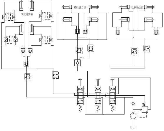
谢谢各位的指导,使我收获颇多。我因为从未实践过,对于各种液压元件的结构尺寸没有一点印象,单凭想象认为液控单向阀一定比双向液压锁体积小(1:2),当然成本也要低一半。下面将液压原理图完整的重发一遍。
Image00000.JPG
发表于 2007-10-9 08:52:59 | 显示全部楼层 来自: 中国广东中山
没看明白楼上的兄弟那图,那个溢流阀的油是回到什么地方了????哪位大哥指点一下啊????
发表于 2007-10-9 09:24:11 | 显示全部楼层 来自: 中国湖南长沙
对啊,溢流阀一般是直接回油箱,在这张图上没有看到任何的回油管,请高手指教一下?
 楼主| 发表于 2007-10-9 09:29:16 | 显示全部楼层 来自: 中国天津
是的,溢流阀的出口和多路阀的回油连接处是直接回油箱的,忘掉画了 ,三个手动换向阀组成了一个多路阀,多路阀的中位机能应采用Y型而不是O型。
发表于 2007-10-9 23:16:50 | 显示全部楼层 来自: 中国上海
首先楼主应该知道,液压锁就是液控单向阀。而双向液压锁一般是指叠加式双向液控单向阀,其体积和价格往往比板式液控单向阀更低,当然,其通流量也往往比板式液控单向阀低,这也是选择的关键考虑因素。
发表于 2007-10-9 23:35:54 | 显示全部楼层 来自: 新加坡
同意楼上的.........
发表于 2007-10-10 07:42:41 | 显示全部楼层 来自: 中国辽宁大连
楼主可以用液控单向阀替代。
 楼主| 发表于 2007-10-10 10:39:53 | 显示全部楼层 来自: 中国天津
首先感谢楼上各位的热情帮助,我还有一个问题,就是能不能把原理图上的阀集中在一个控制箱里,各阀是采用板式连接还是叠加阀式连接。带手柄的多路阀是否应单独放在驾驶室里便与操控?问题可能很幼稚,但我确实没有做过实际设计,也不知应从何做起,还望得到各位的无私指导。
发表于 2007-10-10 18:00:38 | 显示全部楼层 来自: 中国北京
你可以把阀集中在一个集成块上,至于采用板式连接还是叠加阀式连接看你选什么阀和布置。
* p4 h$ R8 _- [# N3 s* Q把经常操纵和调节的单独放在一个便于操控位置就行了。
发表于 2007-10-10 20:12:43 | 显示全部楼层 来自: 中国湖南长沙
油缸在缩回后不让掉下来要把有杆腔锁住,在伸出后要支撑,所以要锁住无杆腔,所以要双向液压锁
 楼主| 发表于 2007-10-11 11:58:03 | 显示全部楼层 来自: 中国天津
首先谢谢大家的热情回复,让我增添了很多实际的液压系统设计知识。我现在初步想把多路阀放置在驾驶室供司机操纵,把其他的阀选用叠加式阀,但还有如下疑问:3 n1 E8 A8 V" x4 `* C0 }, U) v
1.将所有的控制阀装在车厢地板的中间位置,不知是否可行?
" T8 s, v' U2 w/ z: K" h2.从网上查到有一种双单向节流阀,是否可代替进回油路的两个单向节流阀?8 ?8 n: e% ?* A' r
3.双向液压锁是否应装在液压缸处好一些呢?2 x& q. I" N1 Z' S
4.多路阀是否自带控制手柄,还是要另配滑阀手柄?
" r* T/ E; Q/ N$ k问题太多,自己都觉得不好意思。

评分

参与人数 1三维币 +3 收起 理由
晨砂 + 3 感谢您的热情参与!

查看全部评分

发表于 2007-10-11 19:44:26 | 显示全部楼层 来自: 新加坡
3.双向液压锁是否应装在液压缸处好一些呢?- S% k& r# ~' k

1 L6 W1 {' c7 I, l9 w这个我觉得没有关系了,主要是看放在什么位置最好方便而定,干扰最少。: L9 M6 ]6 X7 }$ a7 }
( [7 ^( U7 x3 y; G1 [+ _
4.多路阀是否自带控制手柄,还是要另配滑阀手柄?
0 D+ [5 h( r4 U& ]6 f' M& V7 g. o
是的,如果你选择的控制阀是手动控制的,它当然带手柄了。
 楼主| 发表于 2007-10-11 20:32:55 | 显示全部楼层 来自: 中国天津
谢谢楼上的回复。
发表于 2008-3-7 21:09:57 | 显示全部楼层 来自: 中国湖北武汉
可以的 你说的这样的应用一般用在升降油缸上面
发表回复
您需要登录后才可以回帖 登录 | 注册

本版积分规则


Licensed Copyright © 2016-2020 http://www.3dportal.cn/ All Rights Reserved 京 ICP备13008828号

小黑屋|手机版|Archiver|三维网 ( 京ICP备2023026364号-1 )

快速回复 返回顶部 返回列表