QQ登录

只需一步,快速开始

登录 | 注册 | 找回密码

三维网

 找回密码
 注册

QQ登录

只需一步,快速开始

展开

通知     

查看: 5032|回复: 27
收起左侧

[讨论] 一个高速差动液压回路

[复制链接]
发表于 2007-8-13 19:45:41 | 显示全部楼层 |阅读模式 来自: 中国

马上注册,结识高手,享用更多资源,轻松玩转三维网社区。

您需要 登录 才可以下载或查看,没有帐号?注册

x
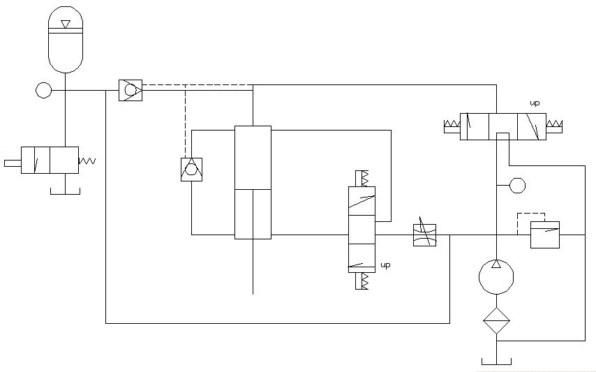
一个高速差动液压回路
: J/ N9 ^. a9 I) t& ^& k9 Z0 }1 d大家看看,有什么问题?需要怎样改进?
11d.jpg

评分

参与人数 1三维币 +3 收起 理由
江边 + 3 楼主积极响应主题并参与讨论。鼓励。

查看全部评分

发表于 2007-8-13 23:22:38 | 显示全部楼层 来自: 中国安徽铜陵
还真没见过这样的差动回路!能说说您的设计思想吗?特别是液控单向阀与三位换向阀的组合对回油流量有什么样的影响。
发表于 2007-8-14 07:31:49 | 显示全部楼层 来自: 中国江苏徐州
   猜想一下楼主的原理:当需要油缸下降时,右边的三位阀左位工作,液压油通过该阀进入液压缸无杆腔,同时打开两个液控单向阀,左边的三位阀在中位,组成差动回路,同时蓄能器可能向无杆腔补油,形成快速差动;
; p2 N  v2 c. ?: |1 x/ K! ?   当需要油缸上行时,右边的三位阀右位工作,两液控单向阀关闭,左三们阀下位工作,液压油经过节流阀和三位阀进入油缸有杆腔,同时为蓄能器补油,无杆腔回油通过右三位阀的右位回油箱
2 N( T' E# m9 \5 O/ b   最左边的二位阀应该是只为蓄能器卸荷用。( ?! _4 H( K  j3 A* y( ~; _! ^
   但是有一点没看明白,形成差动可以利用左三位阀的上位进行,为什么还在此处并联一个液控单向阀?

评分

参与人数 1三维币 +5 收起 理由
江边 + 5 鼓励积极参与技术交流、讨论。

查看全部评分

发表于 2007-8-14 08:06:22 | 显示全部楼层 来自: 中国江苏无锡
我想可能是快速差动用的。当差动的速度不够时选用左上位快速
/ b2 w2 k' b6 Z0 Y3 A# ~  S* M  y( W$ A
[ 本帖最后由 wuwanfu 于 2007-8-14 08:16 编辑 ]
 楼主| 发表于 2007-8-14 10:56:44 | 显示全部楼层 来自: 中国
原帖由 goldfluid 于 2007-8-14 07:31 发表 http://www.3dportal.cn/discuz/images/common/back.gif
4 Y, W  t- J  C) C9 u   猜想一下楼主的原理:当需要油缸下降时,右边的三位阀左位工作,液压油通过该阀进入液压缸无杆腔,同时打开两个液控单向阀,左边的三位阀在中位,组成差动回路,同时蓄能器可能向无杆腔补油,形成快速差动 ...

5 e5 `/ w, G: s5 K; I+ R一并回复版主和四搂:8 V* ~/ x; q" E8 _% X
版主,这位学徒说的原理基本正确,应该给他转正了。
  O: J1 `7 z# L0 q这是个快速差动系统。
; m- C6 A9 M8 h9 K* t5 [4 G' j油缸左边的液控单向阀和右边的三位阀在上位,是为确保无杆腔的回油量。
8 p4 T4 e" u1 d/ r7 J4 Z油缸右边的三位阀,本可以用液控单向阀的,是为了保证快速转换而用的。
发表于 2007-8-14 11:00:42 | 显示全部楼层 来自: 中国江苏无锡
蓄能器到泵那条油路上需加个单向阀

评分

参与人数 1三维币 +3 收起 理由
江边 + 3 鼓励参与技术交流

查看全部评分

 楼主| 发表于 2007-8-14 11:03:41 | 显示全部楼层 来自: 中国
原帖由 goldfluid 于 2007-8-14 07:31 发表 http://www.3dportal.cn/discuz/images/common/back.gif7 \* Z' s2 [6 r; z6 P, o8 U
   猜想一下楼主的原理:当需要油缸下降时,右边的三位阀左位工作,液压油通过该阀进入液压缸无杆腔,同时打开两个液控单向阀,左边的三位阀在中位,组成差动回路,同时蓄能器可能向无杆腔补油,形成快速差动 ...

& Q. Z) I7 z/ V* w$ v+ ?4 Y更正一点:当需要油缸下降时,……左边的三位阀应在上位……
发表于 2007-8-14 11:08:49 | 显示全部楼层 来自: 中国江苏无锡
另外觉得楼主右面的液单可以不要.
, ^% ?' ?7 V" g# t/ B右边电磁阀左电磁铁得电,左边电磁阀无论上位还是下位都能形成差动
 楼主| 发表于 2007-8-14 12:28:00 | 显示全部楼层 来自: 中国
原帖由 xuping5114 于 2007-8-14 11:00 发表 http://www.3dportal.cn/discuz/images/common/back.gif
! D8 J/ y' \! z/ E8 V% ^蓄能器到泵那条油路上需加个单向阀
) f! \: ~0 ^' O' |% e: i% s0 [) |  J
谢谢了!很好的提醒。
 楼主| 发表于 2007-8-14 12:29:55 | 显示全部楼层 来自: 中国
原帖由 xuping5114 于 2007-8-14 11:08 发表 http://www.3dportal.cn/discuz/images/common/back.gif
0 M4 w5 a% u* \4 {+ M3 o' M; q# o/ g另外觉得楼主右面的液单可以不要.
" D$ N* p2 m0 c+ `右边电磁阀左电磁铁得电,左边电磁阀无论上位还是下位都能形成差动
/ ?. O( q+ Z& S1 W
是为确保无杆腔的回油量。
发表于 2007-8-14 13:01:06 | 显示全部楼层 来自: 中国江苏无锡
原帖由 qwerty01 于 2007-8-14 12:29 发表 http://www.3dportal.cn/discuz/images/common/back.gif+ a& g1 x$ a7 x2 R& t# R
0 E: }7 l) Z# I0 b0 _( G$ @5 m7 G
是为确保无杆腔的回油量。
# F& ?1 |9 Y* w8 g- |* s# g
确保回油量可以通径选大点,并不赞成靠2路并联来增大油的流量的.
9 ~8 I; i' T; j0 m8 b) Q* x1 P这里不是很理解
 楼主| 发表于 2007-8-14 13:33:43 | 显示全部楼层 来自: 中国
原帖由 xuping5114 于 2007-8-14 13:01 发表 http://www.3dportal.cn/discuz/images/common/back.gif1 {( ?- f. z* s$ b
0 U4 o5 t  H# @, F3 G: {9 {
确保回油量可以通径选大点,并不赞成靠2路并联来增大油的流量的.9 z4 _4 v8 P( U
这里不是很理解
; K6 c7 f; w- ?$ N6 \6 x
缸径50或63,通径能多大?
发表于 2007-8-14 13:48:38 | 显示全部楼层 来自: 中国江苏无锡
阀的通径选择看流量的,50或63的,一般10通径足够了.
, }( {2 P9 I$ `10通径阀的流通能力可以达到100L/min& p7 V2 I  u) T, g
如果是63的缸,活塞杆取小值36.+ Y2 v! ]5 J: ~: D6 x
如果要使有杆腔的有到无杆腔的油流量达到100L/MIN
" I" {% z# O# F+ c7 h则油缸的速度需达到0.83M/S.即使再快速也不可能比这个速度更快吧2 a; I  J% h1 W$ G9 i
一般我见过的油缸,所能接受的最快速度也就0.5M/S

评分

参与人数 1三维币 +5 收起 理由
晨砂 + 5 积极参与技术讨论!

查看全部评分

 楼主| 发表于 2007-8-14 13:57:59 | 显示全部楼层 来自: 中国
问题是要求约=4.5M/S左右。要用到高速油缸。
发表于 2007-8-14 15:40:39 | 显示全部楼层 来自: 中国江苏无锡
4.5米/秒?那也太恐怖了吧6 l7 u5 O" }# B$ u8 x1 y8 ^1 r9 W
液压管路用多大的啊,63的缸,连的管子就要60X?的
 楼主| 发表于 2007-8-14 17:03:09 | 显示全部楼层 来自: 中国
原帖由 xuping5114 于 2007-8-14 15:40 发表 http://www.3dportal.cn/discuz/images/common/back.gif- Z' X* W& B; \$ x3 M
4.5米/秒?那也太恐怖了吧+ e# x: P+ P8 p6 l8 j& Q
液压管路用多大的啊,63的缸,连的管子就要60X?的

5 q0 B3 [6 o' e; A/ Y# R没那么也恐怖吧?

评分

参与人数 1三维币 +3 收起 理由
晨砂 + 3 楼主辛苦了,再加些!

查看全部评分

发表于 2007-8-14 22:09:47 | 显示全部楼层 来自: 中国安徽铜陵
原帖由 qwerty01 于 2007-8-14 10:56 发表 http://www.3dportal.cn/discuz/images/common/back.gif
; K$ {* P8 Y& ?6 o, K
  h5 A" n9 x3 K0 r0 q油缸左边的液控单向阀和右边的三位阀在上位,是为确保无杆腔的回油量。
$ s1 ]  R/ g, s+ h: `: G* g油缸右边的三位阀,本可以用液控 ...

4 Y4 J. @1 B2 v( K有道理!感谢您的回复。原先也是如此猜测的,但觉得没必要。只是没想到您的回路速度这么快! 再问下:实际使用效果如何,可达到要求吗?
 楼主| 发表于 2007-8-15 10:07:39 | 显示全部楼层 来自: 中国
原帖由 晨砂 于 2007-8-14 22:09 发表 http://www.3dportal.cn/discuz/images/common/back.gif; }1 X$ v, S- g8 x! ]4 @6 g& @
" [+ P8 }, ~* x* M# o5 X$ a
有道理!感谢您的回复。原先也是如此猜测的,但觉得没必要。只是没想到您的回路速度这么快! 再问下:实际使用效果如何,可达到要求吗?

* B* [8 B5 R" G' e谢谢版主光顾!* w! I2 J0 c4 q0 h8 e# p3 M
从理论计算看是完全可以达到要求的,现在需要考量的是各相关元件是否能胜任的问题了.( w  r; p" c2 @
所以盼望更多的朋友们能一起参与讨论.
发表于 2007-8-15 10:32:12 | 显示全部楼层 来自: 中国江苏无锡
不知道楼主的油缸行程多少.那速度走完一个行程1秒都不到.9 a4 g3 q7 j% g& R
而且得从速度0加速到4.5M/S加速度得几十甚至几百.
! Y2 {  Z3 Q, F/ C而且电磁阀的响应可能也危险.一般电磁阀1秒也就能换向2次左右+ e5 V2 ^( U$ A+ s2 |
我觉得听恐怖的.4 h8 @, S* u% r; r4 [) g# ~$ T
楼主:那系统还在设计阶段吧
 楼主| 发表于 2007-8-15 14:14:42 | 显示全部楼层 来自: 中国
原帖由 xuping5114 于 2007-8-15 10:32 发表 http://www.3dportal.cn/discuz/images/common/back.gif; v# ~8 T4 h- l) o9 O/ q2 X; V  Q
不知道楼主的油缸行程多少.那速度走完一个行程1秒都不到.1 Z8 O! ]& n8 w2 {0 Q6 Y  N
而且得从速度0加速到4.5M/S加速度得几十甚至几百.
; @# \( k3 W; @' x; B7 [而且电磁阀的响应可能也危险.一般电磁阀1秒也就能换向2次左右
9 S" Z9 G7 u  U7 X我觉得听恐怖的.7 \' [$ F+ E5 `( V: T1 C9 @5 N& r+ W
楼主:那系统还在设 ...
  ?1 }+ i* U. |/ ?7 t" `
杆出的快,回得慢(0.2M/S).
) I" M8 m) o' b7 C/ z8 o) i还在设计阶段.
发表于 2007-8-15 15:41:00 | 显示全部楼层 来自: 中国江苏徐州
这么快的速度,还要注意液压冲击了,不知道负载有多大,那个冲击能量不能低估的。
发表于 2007-8-16 19:45:14 | 显示全部楼层 来自: 中国天津
楼主的项目挺有挑战性4.5M!,一般情况的差动回路用缸左边或右边回路就可以了,楼主左右合用以确保小腔的回油量good ,但有一点有些不明白向楼主请教,左右回路间有没有可能产生流动影响速度,还请楼主从理论上给分析分析, ,另外油缸进口楼主选多大的负载有多大,关注楼主的话题,期待楼主成功。
 楼主| 发表于 2007-8-17 11:36:52 | 显示全部楼层 来自: 中国
原帖由 goldfluid 于 2007-8-15 15:41 发表 http://www.3dportal.cn/discuz/images/common/back.gif  G% c+ _! E- f7 `7 x
这么快的速度,还要注意液压冲击了,不知道负载有多大,那个冲击能量不能低估的。

1 `5 s- s0 E9 E, `7 P, B谢谢关注和提醒!
" ^' N# k4 E0 i( e; C$ U1 R负载不大200KG左右。
 楼主| 发表于 2007-8-17 11:48:03 | 显示全部楼层 来自: 中国
原帖由 cn9696 于 2007-8-16 19:45 发表 http://www.3dportal.cn/discuz/images/common/back.gif! a. a' G+ i8 i
楼主的项目挺有挑战性4.5M!,一般情况的差动回路用缸左边或右边回路就可以了,楼主左右合用以确保小腔的回油量good ,但有一点有些不明白向楼主请教,左右回路间有没有可能产生流动影响速度,还请楼主从理论上 ...

2 m" ~( X& z5 V4 {谢谢关注!这的确有挑战性。 $ w+ l! k  [/ G; b
从回路可以看出,左右回路间不可能产生流动,也不会因此而影响速度的。
- v" X# ?! ^, }8 `7 d. z而且整个回路受安装空间的限制,驱动系统和缸的距离在1米内,这也同时限制并保证了左右回路间产生流动的可能了。
发表于 2007-8-18 20:59:29 | 显示全部楼层 来自: 中国辽宁大连
提醒大家注意一下题目是存在的问题。
: c  p4 b( A% V: B我认为上面的两个液控单向阀的控制油压力要引出,同时考虑在动作停止后将油压卸掉,否则液控阀始终打开,油缸将保持浮动状态。
发表回复
您需要登录后才可以回帖 登录 | 注册

本版积分规则


Licensed Copyright © 2016-2020 http://www.3dportal.cn/ All Rights Reserved 京 ICP备13008828号

小黑屋|手机版|Archiver|三维网 ( 京ICP备2023026364号-1 )

快速回复 返回顶部 返回列表