QQ登录

只需一步,快速开始

登录 | 注册 | 找回密码

三维网

 找回密码
 注册

QQ登录

只需一步,快速开始

展开

通知     

查看: 2774|回复: 8
收起左侧

[求助] solidworks零件图如何设置各个面的草图显示?

[复制链接]
发表于 2013-11-29 11:10:37 | 显示全部楼层 |阅读模式 来自: 中国北京

马上注册,结识高手,享用更多资源,轻松玩转三维网社区。

您需要 登录 才可以下载或查看,没有帐号?注册

x
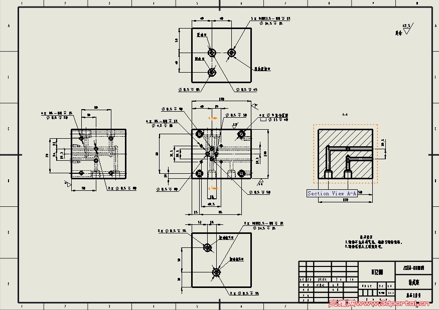
如图阀块的每个面都有不同的草图,同时显示比较乱,如何设置才能只显示当前面的草图。就是转到哪个面就只显示哪个面的草图,别的面的不显示,求大神帮忙,谢谢
1.jpg
 楼主| 发表于 2013-11-29 12:36:45 | 显示全部楼层 来自: 中国北京
寂静天花板 发表于 2013-11-29 11:58 static/image/common/back.gif; V1 P2 a' L7 t8 [6 \- E. D4 ^
你想显示当前的,那就让当前特征中的草图显示出来。

! R" |* D" p% h5 o" [# a* I所有草图我都要显示,我要不停地旋转,随时观察。就是想不让他显示 挡着的面 上的草图
发表于 2013-11-29 13:08:58 | 显示全部楼层 来自: 中国四川乐山
本帖最后由 啥都没准 于 2013-11-29 13:11 编辑 ; W4 v7 b1 V6 T1 s' ]5 z3 J, y

9 j2 _; m% {( y" H$ ?全部隐藏嘛,需要看哪个面的就显示哪个面的草图,不想看的就直接隐藏草图就可以了……
- B/ {/ q" n) ^3 @) M" w( g" G1 C' {想要看阀体的内沟通情况的哈可以显示隐藏线看
QQ截图20131129131401.jpg
 楼主| 发表于 2013-11-29 13:25:10 | 显示全部楼层 来自: 中国北京
啥都没准 发表于 2013-11-29 13:08 static/image/common/back.gif) Z9 ^- Z1 }0 ~
全部隐藏嘛,需要看哪个面的就显示哪个面的草图,不想看的就直接隐藏草图就可以了……
( T6 t( N: q* m- [/ d想要看阀体的内沟通 ...

: ]8 @0 ~6 ]3 a* b; p恩  我知道全隐藏也可以   如果阀多的话不是看不出阀之间的距离和干涉了,  你也液压的?你们出工程图也9 C& j+ a+ U+ P7 W; b- T
用solidworks嘛?
发表于 2013-11-29 14:57:11 | 显示全部楼层 来自: 中国四川乐山
本帖最后由 啥都没准 于 2013-11-29 14:59 编辑
7 p! _- }7 E& i6 l8 }- r) U0 i" Y
我要去巴黎 发表于 2013-11-29 13:25 http://www.3dportal.cn/discuz/static/image/common/back.gif! c' i; ^  |8 D( s8 v/ N
恩  我知道全隐藏也可以   如果阀多的话不是看不出阀之间的距离和干涉了,  你也液压的?你们出工程图也! i- ^) M+ a6 v+ B& D& n4 F1 L
...
7 ~# j/ j1 G: m3 ]

9 M5 [: O0 R0 P  N都是比较简单的
! e7 w5 D! N7 g& a, l7 p* M9 a  X
QQ截图20131129150226.jpg
发表于 2013-11-30 00:17:42 | 显示全部楼层 来自: 中国广东深圳
楼主,SW还没开发这功能你就不要一定要求要有这功能嘛。我觉得要求你这样用法的估计是少之又少少之又少吧?SW不一定会投入资金去开发你想要的这功能
 楼主| 发表于 2013-12-1 09:49:31 | 显示全部楼层 来自: 中国北京
NC@jiang@nan 发表于 2013-11-30 00:17 static/image/common/back.gif
3 l1 ~) j" p9 K$ c楼主,SW还没开发这功能你就不要一定要求要有这功能嘛。我觉得要求你这样用法的估计是少之又少少之又少吧? ...
& ~$ Q" }, z4 g- [, z' B7 |
注意没人去强求,我只是需要这么个功能,如果有怎么设置?没有就拉到
发表于 2013-12-1 09:52:33 | 显示全部楼层 来自: 中国辽宁盘锦
我要去巴黎 发表于 2013-12-1 09:49 static/image/common/back.gif
7 g3 N, @) c2 G注意没人去强求,我只是需要这么个功能,如果有怎么设置?没有就拉到

3 }7 z% D0 m4 u+ R你说的这个,还不如4楼的办法好,有些事只要你习惯就好7 t/ F3 K: B6 k3 J$ ]
或者将面改成透明的都是好解决的
( b8 B( G& e- T; _工具首先是你得适应它,然后才能合理的使用它
 楼主| 发表于 2013-12-1 10:27:59 | 显示全部楼层 来自: 中国北京
阿帕奇 发表于 2013-12-1 09:52 static/image/common/back.gif
- d: V( k4 R$ y/ c6 ?+ \你说的这个,还不如4楼的办法好,有些事只要你习惯就好
: ^  v3 D4 X! y; ?5 j' o8 \或者将面改成透明的都是好解决的
" Q! b8 u* P) Z8 {工具首先是你得 ...

- ^6 W4 B1 l4 P$ c: i# C2 L个人习惯,个人喜好而已,每个人适应的角度不一样,我只是需求一种解决我问题的方法,我也不清楚具体存在不存在,所以问问大神们,如果没有这方面功能,我当然也就不会再纠结这个问题
发表回复
您需要登录后才可以回帖 登录 | 注册

本版积分规则


Licensed Copyright © 2016-2020 http://www.3dportal.cn/ All Rights Reserved 京 ICP备13008828号

小黑屋|手机版|Archiver|三维网 ( 京ICP备2023026364号-1 )

快速回复 返回顶部 返回列表