QQ登录

只需一步,快速开始

登录 | 注册 | 找回密码

三维网

 找回密码
 注册

QQ登录

只需一步,快速开始

展开

通知     

查看: 3164|回复: 29
收起左侧

[已解决] 遇到个难题 希望大神帮助【感谢gt.adan等各位论坛朋友 谢谢大家】

[复制链接]
发表于 2013-9-2 18:00:01 | 显示全部楼层 |阅读模式 来自: 中国安徽合肥

马上注册,结识高手,享用更多资源,轻松玩转三维网社区。

您需要 登录 才可以下载或查看,没有帐号?注册

x
本帖最后由 小俊俊工艺 于 2013-9-5 20:36 编辑 . f% Y: l2 j8 `) l
* x+ l$ X6 o) K, V- j
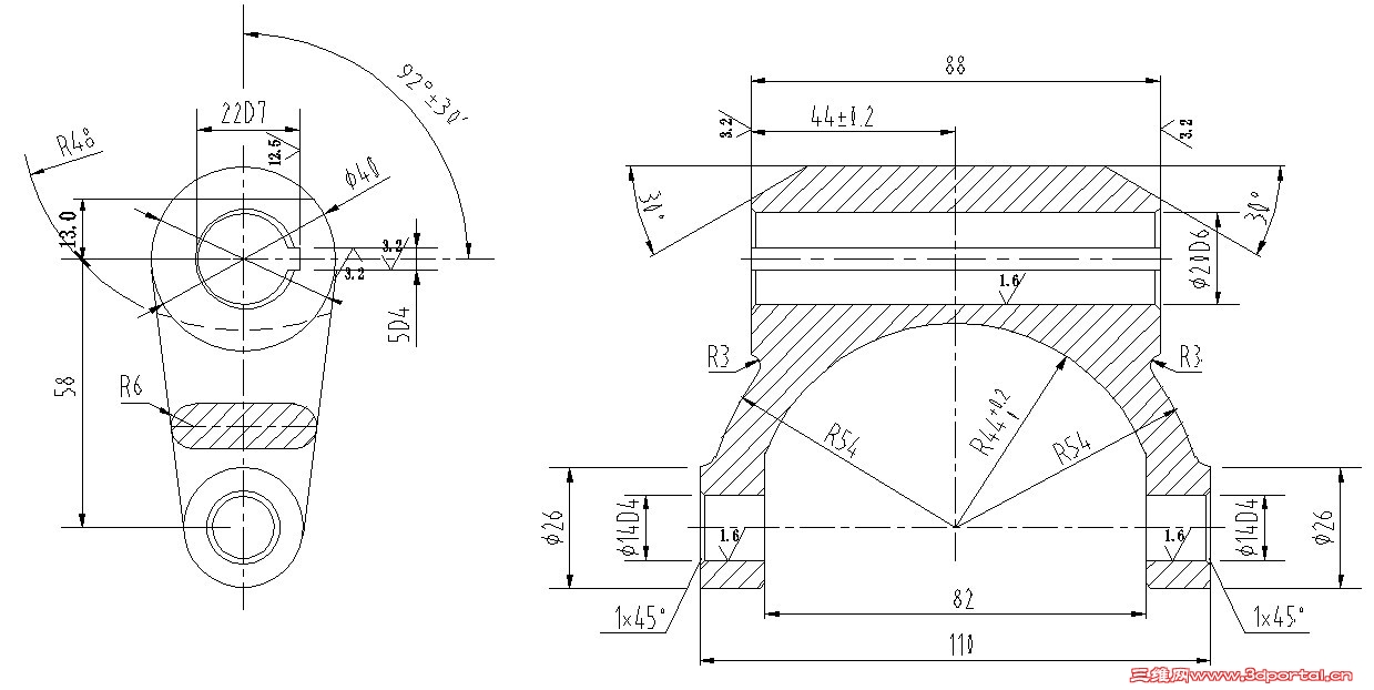
大神前辈们 最近在做一个东西 其中 图中那个R6我感觉好不容易画 那个R6应该是简易旋转剖视 , P% y( |* w1 k& l$ P( z

# c  X" V6 s) `; F% Y" n如果能有大神帮忙画下就太感谢了 拜托!0 E3 ?+ Q: n6 `; z8 k

1 H+ {  f  c% c( |0 ?' C
/ i8 A% s5 ?6 U( Y! S8 I已经解决了 我在看看附近好好学习一下
, S6 L; h' v" Z0 s' ]! H) Q- `
/ J( P/ G) W, P) W! O! d  N& d! z【感谢gt.adan等各位论坛朋友 谢谢大家】
1231231312.jpg
 楼主| 发表于 2013-9-2 18:14:13 | 显示全部楼层 来自: 中国安徽合肥
我画的图上 R6就没有体现出来 谢谢大家
12121.gif
发表于 2013-9-2 18:20:04 | 显示全部楼层 来自: 中国河北保定
那个是横断截面!
发表于 2013-9-2 18:21:02 | 显示全部楼层 来自: 中国河北保定
QQ图片20130902181843.jpg

评分

参与人数 1三维币 +3 收起 理由
阿帕奇 + 3

查看全部评分

发表于 2013-9-2 20:27:25 | 显示全部楼层 来自: 中国广东广州
4#看图很厉害啊!
发表于 2013-9-2 20:32:13 | 显示全部楼层 来自: 中国山东青岛
确实不好看
 楼主| 发表于 2013-9-2 21:14:06 | 显示全部楼层 来自: 中国安徽马鞍山
本帖最后由 小俊俊工艺 于 2013-9-2 21:23 编辑 $ _- U- E8 F# ]' p& i. V0 X
lanjiu1987 发表于 2013-9-2 18:21 static/image/common/back.gif
& L( O* [6 b( O  k4 }% ~
您好 我知道是这个截面的视图 但是 现在建模就遇到问题了 . t! q1 }  C' T# E! g" H+ a
; B1 V/ w& k; o- h: P4 U& u
这处的建模 我不知道怎么建 希望能得到您的帮助 谢谢!
发表于 2013-9-2 22:42:23 | 显示全部楼层 来自: 中国广东惠州
楼主近似吗?2 c3 A, g! b  ~& v  ~
0.250.jpg

评分

参与人数 1三维币 +1 收起 理由
阿帕奇 + 1 如可以,请分享源文件

查看全部评分

发表于 2013-9-3 07:20:25 | 显示全部楼层 来自: 中国浙江温州
扫描、放样均可,只要把引导线画出来就不成问题了。
发表于 2013-9-3 12:57:35 | 显示全部楼层 来自: 中国山东枣庄
8楼,理解力太高了!!!!!
发表于 2013-9-3 13:04:59 | 显示全部楼层 来自: 中国江苏南京
fsjt 发表于 2013-9-2 22:42 static/image/common/back.gif
" z# |6 ?: p: p+ G7 o7 a楼主近似吗?
& r7 h. f6 S: H" X& I# X& w) R
8#可以分享个原文件供学习下吗?
 楼主| 发表于 2013-9-3 13:30:23 来自手机 | 显示全部楼层 来自: 中国安徽合肥
fsjt 发表于 2013-9-2 22:42
8 M" l$ b/ ?1 I3 Z% c$ Q! I楼主近似吗?

: c$ e4 Q2 u5 Y/ |7 ]您好 感谢您的帮忙! 相似是相似 可是好像稍微与图不符 我画的无法利用倒圆角倒圆 倒圆的那个面是不是应该是变半径呢 ^-^
发表于 2013-9-3 20:54:24 | 显示全部楼层 来自: 中国福建福州
小俊俊工艺 发表于 2013-9-2 18:14 static/image/common/back.gif' u6 q9 U, v5 J1 R4 e  Z3 L
我画的图上 R6就没有体现出来 谢谢大家

! P* C2 ]% W# B, A2 [你图画错了!两边是圆的!
发表于 2013-9-4 08:58:33 | 显示全部楼层 来自: 中国广东汕尾
8楼把那截面正确的描述出来了,其他的要自己改正了!!
发表于 2013-9-4 09:54:49 | 显示全部楼层 来自: 中国浙江温州
小俊俊工艺 发表于 2013-9-3 13:30 static/image/common/back.gif
+ R$ a( I4 N6 \1 D5 k* T您好 感谢您的帮忙! 相似是相似 可是好像稍微与图不符 我画的无法利用倒圆角倒圆 倒圆的那个面是不是应该 ...

7 O8 J) X8 z/ R7 ?" M不是倒角的,是放样或扫描时的截面就已经是半圆了,直接成形的。

评分

参与人数 1三维币 +3 收起 理由
阿帕奇 + 3

查看全部评分

 楼主| 发表于 2013-9-4 11:02:36 来自手机 | 显示全部楼层 来自: 中国安徽合肥
qq625267377 发表于 2013-9-4 09:548 q6 [6 k  \; s8 M) D& L
不是倒角的,是放样或扫描时的截面就已经是半圆了,直接成形的。
6 o9 V4 C$ m6 ~1 x  r* p! ~/ B' s
哦 谢谢帮助 我再好好看看
 楼主| 发表于 2013-9-4 11:03:38 来自手机 | 显示全部楼层 来自: 中国安徽合肥
396785110 发表于 2013-9-3 20:54
- g, d$ t. y8 [  `) Z$ |3 C. T你图画错了!两边是圆的!
, ]9 D& v  @* x& C* U) w2 t
是的呀 我就不知道两大端面的圆角怎么放样生成(>﹏<)
发表于 2013-9-4 17:41:50 | 显示全部楼层 来自: 中国香港
fsjt 发表于 2013-9-2 22:42 static/image/common/back.gif- p4 D/ b6 e1 T
楼主近似吗?
3 z, H8 t* ~7 E: `) k$ i" M
向fsjt兄學習* {+ R" R" Y  ?8 y( K9 g9 X  v
capture26.png / \1 ~% g( J9 J; n
发表于 2013-9-4 22:10:18 | 显示全部楼层 来自: 中国台湾
本帖最后由 gt.adan 于 2013-9-5 08:49 编辑
7 r3 p4 h0 x( C" M, ]8 w8 M( h2 C  I) ~: G' w& K$ H2 v7 ^
向悶大學習~~
5 z8 F& A( ?; v- Y* Y3 S+ Z* A
  E7 l- V0 D# E+ ] 2013-9-5 上午 08-48-43.jpg   W. y& L0 q' A/ [6 X

6 v% v* V2 f6 p, `) v" N 66.gif : j" L+ A* F, F7 S: l- T
2 X8 H% l0 _+ T: y0 Z; {' J
- ]0 U  n4 t9 f$ c9 s7 v) [

1 x' C8 ]5 u3 A7 j3 G
发表于 2013-9-4 23:11:15 | 显示全部楼层 来自: 中国四川攀枝花
楼上画的零件都没有把R48画出来& \  q$ ]+ M! z  B" W0 q
而且这个图的尺寸似乎有点问题!?
' X3 Q4 g& Y) Z( Y" L t.png
6 @& |7 Z; @% G, e. g
发表于 2013-9-5 00:38:35 | 显示全部楼层 来自: 中国台湾
本帖最后由 gt.adan 于 2013-9-5 08:51 编辑 : C) U8 o. J7 O* Z: L% p% T
pzhzs 发表于 2013-9-4 23:11 static/image/common/back.gif+ `- T. Z: o; E  t
楼上画的零件都没有把R48画出来
  r* E/ G. C0 D" `2 K而且这个图的尺寸似乎有点问题!?
1 @7 U; F1 P7 i
前輩有請了~  M9 i+ p5 _' s. M( ^9 i
話說回來,阿丹當初也覺得尺寸有問題,不過旨在練習建模,不足處勿怪…
8 J& W# I* ]5 z8 _8 t5 W) U7 |# ^% ~5 A8 M& |, t' V
2013-9-5.gif
发表于 2013-9-5 11:01:36 | 显示全部楼层 来自: 中国四川攀枝花
gt.adan 发表于 2013-9-5 00:38 static/image/common/back.gif; p" d; N( F( o0 `
前輩有請了~! o6 R' i4 k$ o3 H( D  @2 k
話說回來,阿丹當初也覺得尺寸有問題,不過旨在練習建模,不足處勿怪…
% \$ C( Q( b0 T; C; Q; z! ], R
现在看到你画的R48了,开始没看见请别见怪
+ V7 H- [: I  Q# v  O" N: ^我也不是什么前辈,请别这样称呼
3 A/ l5 f7 D0 s7 @! i6 ?" n4 v# Q" T0 G5 S6 B7 ^
我开始也画了个,感觉图纸尺寸有问题就没有继续了。
发表于 2013-9-5 13:54:30 | 显示全部楼层 来自: 中国台湾
pzhzs 发表于 2013-9-5 11:01 static/image/common/back.gif# x9 H$ Q  t8 O0 F, l
现在看到你画的R48了,开始没看见请别见怪5 f1 P) h+ G$ E0 p  {
我也不是什么前辈,请别这样称呼
0 e4 y1 T% ^% @& I
呵呵,交流交流~無所謂見怪問題~: X1 ?0 }# @4 s1 }% Q, ]2 h
拜讀過前輩一些精彩文章,很是佩服呀~
 楼主| 发表于 2013-9-5 17:46:50 | 显示全部楼层 来自: 中国安徽马鞍山
Francis 发表于 2013-9-4 17:41 static/image/common/back.gif
1 L; s6 p( s) g4 K2 {  O+ U向fsjt兄學習
/ Q  L; H: r0 e$ z' j; [: p/ t, Z
感谢帮助
 楼主| 发表于 2013-9-5 17:47:25 | 显示全部楼层 来自: 中国安徽马鞍山
gt.adan 发表于 2013-9-4 22:10 static/image/common/back.gif" Y/ M5 f1 D9 [% ~% S
向悶大學習~~

9 \" A9 {: z( A1 j9 F2 n% k9 E哇 太感谢您了!!!)15*()15*(
发表回复
您需要登录后才可以回帖 登录 | 注册

本版积分规则


Licensed Copyright © 2016-2020 http://www.3dportal.cn/ All Rights Reserved 京 ICP备13008828号

小黑屋|手机版|Archiver|三维网 ( 京ICP备2023026364号-1 )

快速回复 返回顶部 返回列表