QQ登录

只需一步,快速开始

登录 | 注册 | 找回密码

三维网

 找回密码
 注册

QQ登录

只需一步,快速开始

展开

通知     

查看: 1310|回复: 7
收起左侧

[求助] 台阶剖实线怎么去掉,急求

[复制链接]
发表于 2013-5-22 15:12:57 | 显示全部楼层 |阅读模式 来自: 中国天津

马上注册,结识高手,享用更多资源,轻松玩转三维网社区。

您需要 登录 才可以下载或查看,没有帐号?注册

x
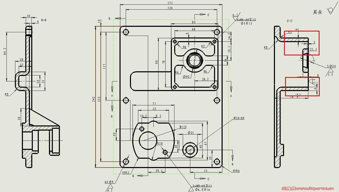
台阶剖时转折处多出一条实线,右击无隐藏边线选项,在视图上右击选择隐藏边线后,再选择这条线会显示上色模式中不受支持.
2`E(8W%PL3I0{8(S}$12SWA.jpg
发表于 2013-5-22 15:37:28 | 显示全部楼层 来自: 中国广东揭阳
试试看把这个线放入一个图层,然后隐藏图层
发表于 2013-5-22 15:37:28 | 显示全部楼层 来自: 中国山东济南
/ @% g' y' z0 _' \4 z' T. A
无标题.png * g% [! C- |' B0 x) n9 J
点击线
 楼主| 发表于 2013-5-22 18:02:47 | 显示全部楼层 来自: 中国江苏镇江
SWJINGLING 发表于 2013-5-22 15:37 static/image/common/back.gif- T# M8 U; y1 `2 n6 x2 ^
点击线
) b7 Q4 ^; p4 ~7 `& V& p
如之前所述,单纯的点击线的话隐藏边线这个图标不出现
 楼主| 发表于 2013-5-22 18:05:51 | 显示全部楼层 来自: 中国江苏镇江
asencwx 发表于 2013-5-22 15:37 static/image/common/back.gif( i- f( w4 V0 q& C; r2 S/ C' [  _
试试看把这个线放入一个图层,然后隐藏图层
: L" i7 M; U) q5 ]0 a8 c
这个治标不治本啊,不过也是一个办法,只是在画另一幅图时就没这个问题,所以关键还是这个上色模式是怎么回事,能不能想办法去掉
发表于 2013-5-22 20:46:34 | 显示全部楼层 来自: 中国广东东莞
这个线是必要的嘛,不然就给真剖一样了.
发表于 2013-5-22 20:49:24 | 显示全部楼层 来自: 中国天津
非上色模式下可以隐藏这条线,上色模式下是无法隐藏的,但阶梯剖建议用直剖命令完成,可以不带那条线出来。

评分

参与人数 1三维币 +3 收起 理由
阿帕奇 + 3

查看全部评分

发表于 2013-5-23 07:50:07 | 显示全部楼层 来自: 中国山东潍坊
寂静天花板 发表于 2013-5-23 07:20 static/image/common/back.gif
* D4 t1 P0 X  M1 K, Q0 ?' |剖视哪有上色模式的,明明是你在胡整。
& j  O& ?- \8 C9 y! }
天花板,你是高手,请斧正:3 t; B! H* J% b
41.jpg
1 k2 c+ w# i; z 42.jpg
* C- h- W  ~( }" p+ l, X如果不采用上图的上色模式,下图中红框内的凸台怎么显示出来?我不想采用隐藏线可见模式,那样虚线太多,很乱。; t0 X4 n8 y2 P, O# A
+ g; O. a; n5 Z9 |" W
3 E( a8 S: Z# B9 X0 d$ D+ P

评分

参与人数 1三维币 +3 收起 理由
阿帕奇 + 3

查看全部评分

发表回复
您需要登录后才可以回帖 登录 | 注册

本版积分规则


Licensed Copyright © 2016-2020 http://www.3dportal.cn/ All Rights Reserved 京 ICP备13008828号

小黑屋|手机版|Archiver|三维网 ( 京ICP备2023026364号-1 )

快速回复 返回顶部 返回列表