QQ登录

只需一步,快速开始

登录 | 注册 | 找回密码

三维网

 找回密码
 注册

QQ登录

只需一步,快速开始

展开

通知     

全站
9天前
楼主: 糍粑
收起左侧

[原创] 行星齿轮传动比快速计算

 关闭 [复制链接]
发表于 2007-8-14 08:47:01 | 显示全部楼层 来自: 中国河南洛阳
看了,确实不错,谢谢你
发表于 2007-8-18 22:05:04 | 显示全部楼层 来自: 中国重庆
很不错的资料
发表于 2008-1-5 11:17:59 | 显示全部楼层 来自: 中国浙江宁波
要发很多贴才可以下!
发表于 2008-1-5 11:28:50 | 显示全部楼层 来自: 中国广西河池

学习学习

真是好东西,留着一后学 :lol: :lol:
发表于 2008-1-5 13:20:44 | 显示全部楼层 来自: 中国浙江台州
很不错,简洁明了。呵呵,收下了/
发表于 2008-1-7 16:01:37 | 显示全部楼层 来自: 中国山东济南
好东西啊~!顶 谢谢楼主!
发表于 2008-5-30 18:33:34 | 显示全部楼层 来自: 中国重庆
谢谢楼主,下载学习一下
发表于 2008-6-8 16:30:35 | 显示全部楼层 来自: 中国山西太原

fasdfasfsf

锁止式差速器,在没有锁止的时候,其传动特性与开式差速器完全相同
发表于 2008-6-18 12:42:48 | 显示全部楼层 来自: 中国山东济宁
好东西,下来学习一下怎样计算行星齿轮传动比
发表于 2008-6-19 08:16:11 | 显示全部楼层 来自: 中国浙江台州
学习一下,顺待收藏了。
发表于 2008-8-13 10:43:36 | 显示全部楼层 来自: 中国云南昆明
谢谢楼主的分享& R# b4 B  w; q3 W& f& L& [. k6 V- Q

) t) t" F: u0 i7 _# `[ 本帖最后由 hero2006 于 2008-8-13 22:33 编辑 ]
发表于 2008-8-18 15:43:34 | 显示全部楼层 来自: 中国上海
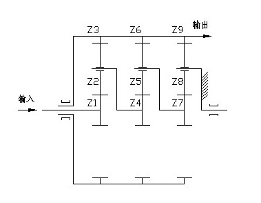
请较楼主,下图的传动比怎样计算.
7 A5 K8 e6 N: p 行星箱减速比a.JPG
发表于 2008-8-18 23:34:28 | 显示全部楼层 来自: 中国重庆

回复 1# 的帖子

我没流量,能发给我吗?yspz7707@163.com
发表于 2008-9-5 16:40:47 | 显示全部楼层 来自: 中国山东日照
正需要计算,弄下来先看看,
发表于 2008-9-8 15:20:36 | 显示全部楼层 来自: 中国四川眉山
谢谢楼主提供分享!辛苦了!
发表于 2008-9-9 14:10:08 | 显示全部楼层 来自: 中国浙江杭州
谢谢,正需要呢!顶一下!
发表于 2008-9-16 21:28:13 | 显示全部楼层 来自: 中国湖北十堰
哈哈,好东西。可以我没有流量了
发表于 2008-9-19 12:32:51 | 显示全部楼层 来自: 中国湖北天门
好文章啊!!
- Q1 \, {8 K& Z% s5 r7 W2 g你的文章很容易明白!
发表回复
您需要登录后才可以回帖 登录 | 注册

本版积分规则


Licensed Copyright © 2016-2020 http://www.3dportal.cn/ All Rights Reserved 京 ICP备13008828号

小黑屋|手机版|Archiver|三维网 ( 京ICP备2023026364号-1 )

快速回复 返回顶部 返回列表