QQ登录

只需一步,快速开始

登录 | 注册 | 找回密码

三维网

 找回密码
 注册

QQ登录

只需一步,快速开始

展开

通知     

楼主: dcz19831009
收起左侧

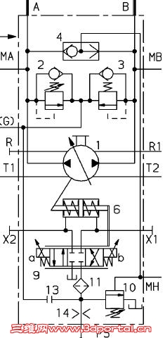
[求助] 力士乐闭式泵压力切断阀原理

[复制链接]
发表于 2009-2-19 21:16:34 | 显示全部楼层 来自: 中国江苏连云港
这么多人讲的  哪个正确啊
发表于 2009-2-20 09:18:36 | 显示全部楼层 来自: 中国重庆
原帖由 tieshouchan 于 2008-6-27 16:57 发表 http://www.3dportal.cn/discuz/images/common/back.gif
: _. z7 W- D8 Q* ^2 I7 V这个论坛里不懂乱说的人还是挺多的2 T& a7 V  c# m5 ~0 @9 Y
有误人子弟的嫌疑阿
4 X. d* Q! j5 D  S9 X- `7 l- Q
兄弟说说你的见解。
发表于 2009-2-23 18:40:51 | 显示全部楼层 来自: 中国北京
红框里的阀是调你的工作压力的,正反转的工作压力都一样,不是安全阀,和普通的恒压变量泵的原理没有什么大区别
发表于 2009-2-24 10:57:54 | 显示全部楼层 来自: 英国
那曲线很像恒功率恒压复合控制啊,曲线段是恒功率吧
发表于 2010-10-24 11:32:47 | 显示全部楼层 来自: 中国北京
有意思。控制油是另外的泵提供的,压力切断阀是在压力超过一定限值(可以调节)后,动作,控制油卸荷。
( P& H( L  g- M0 j8 U" i: z上面的楼主都说了,那个X1、X2口要接个溢流阀之类的吗
发表于 2011-10-4 12:23:35 | 显示全部楼层 来自: 中国新疆石河子
高手如云啊,学习了。
发表于 2011-10-5 08:51:21 | 显示全部楼层 来自: 中国江苏镇江
说得很清楚了
发表于 2012-3-23 12:54:52 | 显示全部楼层 来自: 中国山东东营
泄荷阀卸掉的不是补油泵,而是主泵的控制油,从而主泵在弹簧作用下倾角减小,排量减小,从而达到压力切断的目的。压力切断用于B带电的时候。B带电泵输出为最大流量,如果系统无动作会使系统憋高压。这样就可以在大流 ...1 u( U4 }3 a: i  J$ W: A2 H8 @
46792974 发表于 2008-6-24 17:17 http://www.3dportal.cn/discuz/images/common/back.gif
卸荷掉的怎么可能不是补油泵的有的,图上不是画的很清楚吗,补油泵的油去控制伺服油缸
发表于 2012-3-23 12:56:26 | 显示全部楼层 来自: 中国山东东营
卸荷掉的实补油泵的油啊,达到压力切断压力时,图上画的不是很清楚吗
发表于 2012-3-27 21:30:46 | 显示全部楼层 来自: 中国江苏南京
既然叫cut-off valve,必然起到压力切断的作用,给你们看我自己工作上的一个闭式系统实例就很清晰了,用的是力士乐的泵,
+ P/ p. j* c( O2 W pump.JPG 9 U8 ?8 }# c( y4 A1 j( _( A: r' n
" j* i" x# k7 X  ~- Q
Ps是接控制油路的的,压力32bar,(G)处接补油泵的,压力18bar,。当电磁阀持续给电,泵开始输出的情况下,当B油路负载(压力)到达安全设定(cut-off pressure)的时候, 控制油路失压,弹簧作用下斜盘倾角减小,泵排量输出最小化。注意泵的输出流量这时候不能武断说成是0,因为泵的“零位”是可以调的,也就是Vgmin是可以调的,cut-off valve就是起到将泵的排量减小至Vgmin.' \2 U# p2 i) `; w
图中13在阀块是预留的,如果A油路需要同样的效果,一样是可以添加的。
发表于 2012-4-3 21:09:17 | 显示全部楼层 来自: 中国山东东营
这个压力切断阀的压力该如何调节,请高手指导
发表于 2012-4-16 13:50:04 | 显示全部楼层 来自: 英国
没有人提到为什么要设置这个切断阀吗
发表于 2012-4-16 14:39:51 | 显示全部楼层 来自: 中国江苏无锡
图上的节流孔的作用很大,它可使系统压力超过压力切断阀的设定压力时,使补油泵的压力油不能全部回油箱,一部分油可通过安全补油阀补给系统。
. @% E- x; b. v) ~3 f沐浴阳光 发表于 2008-6-29 10:43 http://www.3dportal.cn/discuz/images/common/back.gif
完全同意,节流阀给管路产生背压,有压差,所以一部分油可以补给系统。最近就因为一个节流阀的压差问题,使原理出问题。
发表于 2012-4-22 00:22:54 | 显示全部楼层 来自: 中国湖南长沙
压力切断阀切断泵的控制压力,斜盘回摆,泵的流量降低,系统压力也降低,使溢流阀不至于打开,从而能防止发热。当然,如系统液压冲击过大,切断阀响应速度来不及,溢流阀还是会打开。
发表于 2012-4-23 11:27:17 | 显示全部楼层 来自: 中国广西柳州
既然叫cut-off valve,必然起到压力切断的作用,给你们看我自己工作上的一个闭式系统实例就很清晰了,用的是力士乐的泵,8 u2 m/ f. P9 b. K/ l' n. t
2019370' Z) K8 ^$ i9 o& |8 e( S1 B' W+ r- G
* E3 F# E; r, x9 M) y
Ps是接控制油路的的,压力32bar,(G)处接补油泵的,压力18bar,。当电磁阀持续 ...
, X$ M- i& o& M. A/ [  z" Timaxxx 发表于 2012-3-27 21:30 http://www.3dportal.cn/discuz/images/common/back.gif

5 V, x7 O$ u0 z4 t7 v
* i! @8 h  u" D双向泵如果没有零位,这么切换?
发表于 2017-3-15 23:16:08 | 显示全部楼层 来自: 中国河北唐山
电磁阀断电,系统还在供油是怎么回事1 A* {. N/ S/ p; ?) c* \! Z8 |
发表于 2017-4-1 11:07:01 | 显示全部楼层 来自: 中国陕西西安
dcz19831009 发表于 2008-6-25 09:35
; W: d5 y3 ?/ x也就是说卸荷溢流阀存在中间状态了?不过我看书上讲,卸荷溢流阀一般是控制油打开先导阀芯,从而主阀芯打开 ...

/ f9 d* Q' E) U6 T, l/ t这个压力切断阀内部原理跟溢流阀差不多,它不是一般的换向阀要么开要么关,溢流阀的开启和关闭是线性的,压力不一样开启的大小不一样,我个人是这么理解的!
发表于 2017-4-1 16:00:58 | 显示全部楼层 来自: 中国北京
很精彩,学习了/ _4 ^! F6 ~: @- Q! t1 c' n
发表于 2017-6-6 10:36:05 | 显示全部楼层 来自: 中国北京
在起重机中控制回转用的就是闭式回路,冲洗阀 这个不是压力切断。个人意见
发表回复
您需要登录后才可以回帖 登录 | 注册

本版积分规则


Licensed Copyright © 2016-2020 http://www.3dportal.cn/ All Rights Reserved 京 ICP备13008828号

小黑屋|手机版|Archiver|三维网 ( 京ICP备2023026364号-1 )

快速回复 返回顶部 返回列表