QQ登录

只需一步,快速开始

登录 | 注册 | 找回密码

三维网

 找回密码
 注册

QQ登录

只需一步,快速开始

展开

通知     

楼主: yl7267
收起左侧

[讨论] 在一个小厂遇到的

[复制链接]
发表于 2007-4-14 23:08:52 | 显示全部楼层 来自: 中国河南安阳
原帖由 yl7267 于 2007-4-12 19:39 发表 http://www.3dportal.cn/discuz/images/common/back.gif! f$ s% \& q" i: t6 X4 a* `) J0 W
但换向阀还是有一定量的内泻。 ...

8 B( F$ y/ ~4 {) U6 d加一个液控单向阀就可以解决,可以在换向阀下面垫一个叠加型的液控单向阀。如图:
123.JPG
发表于 2007-4-14 23:24:41 | 显示全部楼层 来自: 中国黑龙江佳木斯
修阀吧,先看一下弹簧的状态,如不行换掉,阀体内孔进行研磨,做一研棒(HT250),精研,研后,配磨一阀芯,即可搞定,精度保证后,重新用,应该没问题?
 楼主| 发表于 2007-4-16 05:48:00 | 显示全部楼层 来自: 中国吉林长春
原帖由 qq12142111 于 2007-4-14 23:24 发表 http://www.3dportal.cn/discuz/images/common/back.gif
6 z& t& K+ t" k) P! R1 Q/ A, p修阀吧,先看一下弹簧的状态,如不行换掉,阀体内孔进行研磨,做一研棒(HT250),精研,研后,配磨一阀芯,即可搞定,精度保证后,重新用,应该没问题?
/ R0 m7 d/ K, N# ~/ {; f
弹簧是好的,就是换向阀的间隙大了点,P O间有窜油。
 楼主| 发表于 2007-4-16 05:56:21 | 显示全部楼层 来自: 中国吉林长春
原帖由 9619 于 2007-4-14 23:08 发表 http://www.3dportal.cn/discuz/images/common/back.gif; @2 B; m! L, S

  @9 ^. ^& |3 P) g- R2 V8 z' M; ^+ T$ ?- h加一个液控单向阀就可以解决,可以在换向阀下面垫一个叠加型的液控单向阀。如图:
' `: n, a" a- G/ w; t

* |7 N+ ]8 z( _5 @4 p谢谢你的回复,却是一个绝决问题的好方法,但具体操作是与一定难度的。还有就是在油泵供油时,换向阀还是有泄漏的。7 s+ T2 l) q- \* N! L1 d+ n9 _6 `6 j

, j  n' F2 S* N
5 m' _& T/ s$ y7 x你看像我下面这样解决好么?6 R9 ^- K! x. T3 q
1 w  q, n7 ^3 F" s3 a4 ?
[ 本帖最后由 yl7267 于 2007-4-16 06:17 编辑 ]
 楼主| 发表于 2007-4-16 06:14:03 | 显示全部楼层 来自: 中国吉林长春

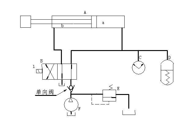
全部解决过程

1.油缸内漏问题:更换活塞密封件,保证油缸无内漏
; s2 F% M% ]; O) F* q2.油泵在停车瞬时高压泻油问题:在油路的供油系统加一个管式单向阀,既简单又解决问题。
$ E/ b: q! h0 p' W+ R' k2 b1 V7 m3.换向阀窜油问题:把三位四通的换成两位四通的。管它中位机能那,终归是起一个换向作用就可以啦。三位四通的换成两位四通修理成本低了好多。
, ?& R( c$ C6 f! o2 ^! j+ U/ i' i
- G) b9 N1 B7 e) `) D[ 本帖最后由 yl7267 于 2007-4-16 06:20 编辑 ]
456.JPG
发表于 2007-4-19 20:29:05 | 显示全部楼层 来自: 中国黑龙江佳木斯
上面的原理图是不是这样,一开机,活塞杆就窜出去了,有这样工作的吗?
 楼主| 发表于 2007-4-20 03:39:59 | 显示全部楼层 来自: 中国吉林长春
原帖由 qq12142111 于 2007-4-19 20:29 发表 http://www.3dportal.cn/discuz/images/common/back.gif
; O( \" N( [/ V. C- c上面的原理图是不是这样,一开机,活塞杆就窜出去了,有这样工作的吗?

6 J# J8 ]0 h1 g1 S+ g- S3 I! z# D8 w$ n6 k  e( S- I" [

  Z& Y* V5 q5 K% g/ Q! c丁胶机的工作需要就是保持胶缸的压力,该液压系统就为这个胶缸工作。
发表于 2007-4-20 12:33:20 | 显示全部楼层 来自: 中国黑龙江哈尔滨
是不是阀坏了?
) ~4 z6 ?+ s6 D3 n9 i阀的出油口与A缸相连了?
发表于 2007-4-20 12:59:01 | 显示全部楼层 来自: 中国北京
如无外泄,则是油缸或电磁阀内泄, 电磁阀频繁启动,看看是否安装压力开关。如油缸能正常保压,应该就不会出现频繁启动的问题啦,也可以将系统断开分步检查。
发表于 2007-4-20 13:56:40 | 显示全部楼层 来自: 中国湖北武汉

呵呵

我认为阀没有问题,如果阀有问题的话,就应该有泄露油。
# S# C' u2 p* _4 G3 f' A. I( ]最有可能就是蓄能器坏了
 楼主| 发表于 2007-4-21 06:08:29 | 显示全部楼层 来自: 中国吉林长春
楼上的几位我就不一一回答了,出现的问题在一楼。即缸和换向阀内泻,电器控制有一些问题。解决的过程在30楼。
发表于 2008-9-12 11:32:19 | 显示全部楼层 来自: 中国河南新乡
出现的问题在一楼。即缸和换向阀内泻,电器控制有一些问题
发表于 2008-9-12 12:08:29 | 显示全部楼层 来自: 中国浙江杭州
那个中位机能确实诡异
发表于 2008-9-12 20:19:14 | 显示全部楼层 来自: 中国江苏镇江
我教你一个省钱办法,在a 腔油管加个手动高压阀,保压时关阀。
发表于 2008-9-15 21:46:57 | 显示全部楼层 来自: 中国湖北武汉
1.检查蓄能器的压力是否正常   O& b5 U+ [5 z0 ~
2.检查油缸是否有内泄
8 r$ I0 G" {/ q& i; q4 {3 {; C3.经常换向阀是否有内泄的问题(主要问题)
发表于 2008-9-15 22:51:39 | 显示全部楼层 来自: 中国山东青岛

回复

不会是小厂出得换向阀吧 泄露很大的  加液控单向阀吧 没几个钱
发表于 2008-9-16 08:46:18 | 显示全部楼层 来自: 中国
原帖由 9619 于 2007-4-14 23:08 发表 http://www.3dportal.cn/discuz/images/common/back.gif/ V/ ~1 \5 I+ M; E" i

% z9 C4 f$ E0 M9 W: L0 \加一个液控单向阀就可以解决,可以在换向阀下面垫一个叠加型的液控单向阀。如图:
2 a9 v8 ]! L+ u! L1 z1 j
1、原来可以正常使用,现在才出问题,说明系统设计可行,只是不够完善;! h5 }1 x' |5 j
2、同意96196液控单向阀的方案;但必须去掉泵出口单向阀(背压可能造成液控单向阀打开或关闭滞后);
  y7 u6 K3 K0 b& t; y+ O. Y3、h型机能可能买不到,直接换j型阀叠加b口单锁吧。
发表于 2008-9-16 08:55:47 | 显示全部楼层 来自: 中国河北唐山
建议楼主在a腔进口加装液控单向阀,以保证阀B在换向过程没有卸荷。
发表于 2008-9-16 16:10:26 | 显示全部楼层 来自: 中国湖南长沙
加需保压侧加一液控单向阀。
发表于 2008-9-16 16:17:55 | 显示全部楼层 来自: 中国浙江温州
26楼的说得很好,加了一个液控单向锁。由液控单向锁锁紧。
发表于 2008-9-16 19:31:03 | 显示全部楼层 来自: 中国河北廊坊
将换向阀换成Y型机能的,并加液压锁,可实现
发表于 2008-9-17 11:33:35 | 显示全部楼层 来自: 中国湖北武汉
到市场上去配,有这种阀卖。我是武汉的
发表于 2008-9-17 22:38:46 | 显示全部楼层 来自: 中国北京
滑阀是不可能保压的8 W$ E7 G6 a2 r6 b2 e6 a
加液压锁吧
发表回复
您需要登录后才可以回帖 登录 | 注册

本版积分规则


Licensed Copyright © 2016-2020 http://www.3dportal.cn/ All Rights Reserved 京 ICP备13008828号

小黑屋|手机版|Archiver|三维网 ( 京ICP备2023026364号-1 )

快速回复 返回顶部 返回列表