QQ登录

只需一步,快速开始

登录 | 注册 | 找回密码

三维网

 找回密码
 注册

QQ登录

只需一步,快速开始

展开

通知     

全站
1天前
楼主: yechen
收起左侧

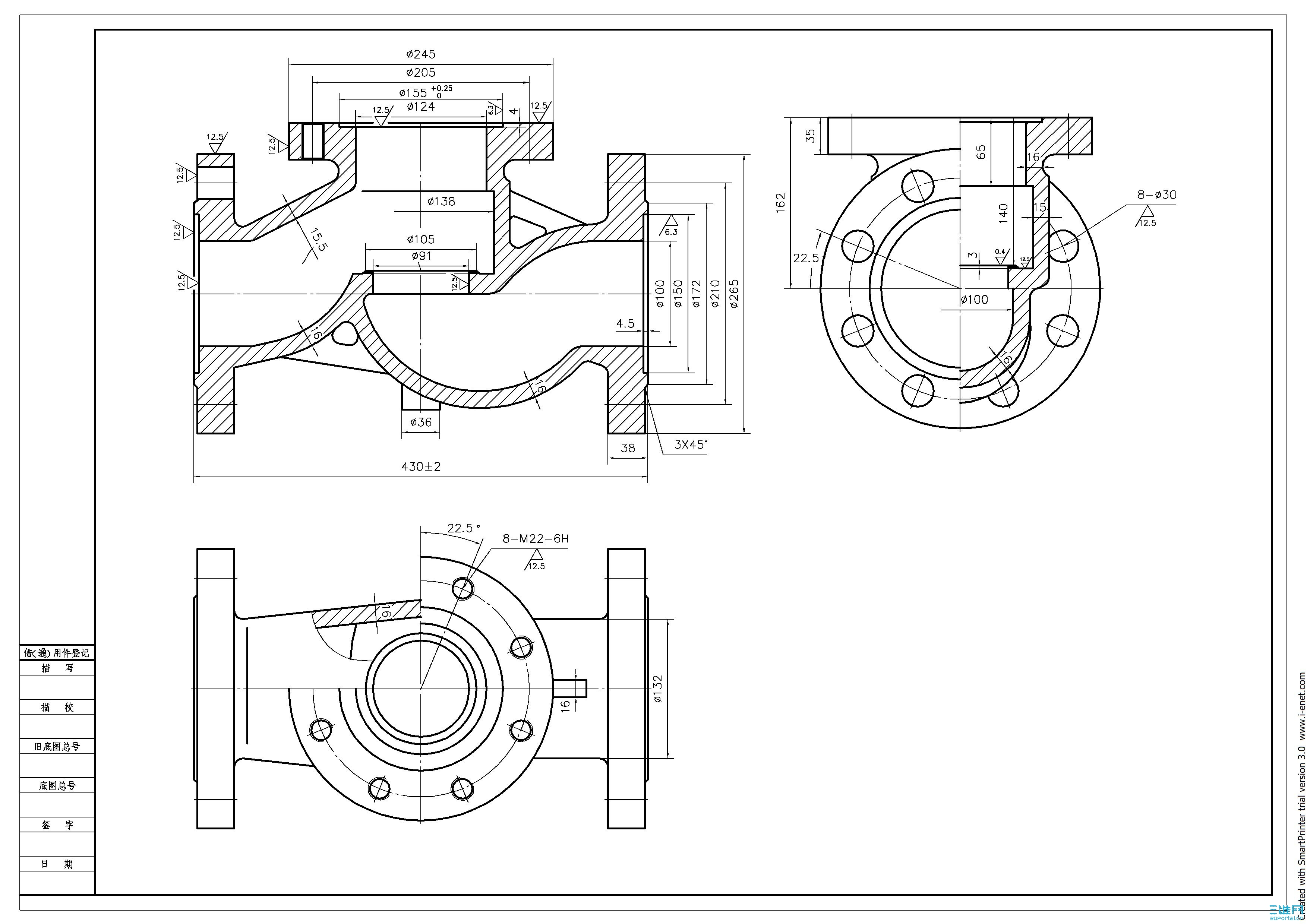
[分享] 用SolidWorks设计的截止阀体

 关闭 [复制链接]
发表于 2009-3-31 19:04:28 | 显示全部楼层 来自: 中国湖北武汉
有源文件学习一下就好。
发表于 2009-3-31 19:18:57 | 显示全部楼层 来自: 中国陕西西安
楼主发个PART么
发表于 2009-3-31 19:29:58 | 显示全部楼层 来自: 中国陕西西安
如果有相应的阀体数据库就好了
发表于 2009-3-31 19:31:34 | 显示全部楼层 来自: 中国陕西西安
如果有相应的阀体数据库就好了
发表于 2009-3-31 20:13:39 | 显示全部楼层 来自: 中国湖北武汉
楼主画的不错,请提供源文件供大家欣赏
发表于 2010-1-23 20:30:29 | 显示全部楼层 来自: 中国北京
高人很多呀,我正在学习阀体造型,多多向各位学习!
发表于 2010-1-23 23:09:08 | 显示全部楼层 来自: 中国福建福州
截止阀,还不知道如何下手绘制。楼主可否指点迷津?
发表于 2010-4-7 09:48:24 | 显示全部楼层 来自: 中国上海
能不能搞个源文件啊,搞图片有意思吗???8 l7 j2 S6 Y# k
大家在一起交流,来点真诚的,不是让你炫耀你的水平的!!!!
发表于 2010-4-7 13:49:54 | 显示全部楼层 来自: 中国上海
55.jpg
% K  T% g0 @: q2 f4 p. t( `& m高手们能否帮我把这个截止阀画出来啊
# d$ @& P+ O# L2 B我这边有尺寸!!!
发表于 2010-4-7 13:51:38 | 显示全部楼层 来自: 中国上海
我的邮箱mxt110@163.com
发表于 2010-4-27 11:22:55 | 显示全部楼层 来自: 中国上海
我搞不明白,不什么不发一个源文件呢?????
发表于 2010-4-27 17:29:01 | 显示全部楼层 来自: 中国北京
厉害,用了多久才绘制出来
发表于 2010-4-27 18:41:24 | 显示全部楼层 来自: 中国山东临沂
楼主能否发个源文件上来看看?
发表于 2010-4-27 18:50:14 | 显示全部楼层 来自: 中国黑龙江大庆
学习了,3Q
发表于 2010-4-27 19:05:06 | 显示全部楼层 来自: 中国黑龙江大庆
欣赏中,谢谢
发表于 2010-4-27 22:37:13 | 显示全部楼层 来自: 中国广东深圳
还是渲染一下吧,看起来不太舒服
发表于 2010-4-28 13:18:42 | 显示全部楼层 来自: 中国山东烟台
过来学习,却赚足了惊奇!!
发表于 2010-4-28 13:23:21 | 显示全部楼层 来自: 中国安徽合肥
同行,不过阀门一般没有什么
发表于 2010-4-28 13:55:34 | 显示全部楼层 来自: 中国台湾
incredible, well done!
发表于 2010-4-28 14:59:38 | 显示全部楼层 来自: 中国广东韶关
我这里有一个类似的源文件。遗憾的是公司防火墙加了设置密码,上传不了。, j( a  u" e" d: V9 d* ^
对了,大家可以去龙震工作室的网站下载,那里有很多练习的源文件学习。我就是在那下的。
发表于 2010-4-28 14:59:55 | 显示全部楼层 来自: 中国上海
发part来研究一下就好了。看图片真的太厉害了,希望可以分享成果
发表于 2010-4-28 15:21:58 | 显示全部楼层 来自: 中国湖北武汉
看样子楼主是肯定发不了的,都被禁止访问了
头像被屏蔽
发表于 2010-7-9 12:45:20 | 显示全部楼层 来自: 中国湖南长沙
提示: 作者被禁止或删除 内容自动屏蔽
发表于 2010-7-9 13:28:46 | 显示全部楼层 来自: 中国广东惠州
看来我要充电了
发表于 2010-7-9 13:43:32 | 显示全部楼层 来自: 中国北京
不错呀
发表回复
您需要登录后才可以回帖 登录 | 注册

本版积分规则


Licensed Copyright © 2016-2020 http://www.3dportal.cn/ All Rights Reserved 京 ICP备13008828号

小黑屋|手机版|Archiver|三维网 ( 京ICP备2023026364号-1 )

快速回复 返回顶部 返回列表