QQ登录

只需一步,快速开始

登录 | 注册 | 找回密码

三维网

 找回密码
 注册

QQ登录

只需一步,快速开始

展开

通知     

楼主: lxq11047
收起左侧

[求助] 开孔问题(大多数人可能会遇到)

[复制链接]
发表于 2014-1-16 17:50:53 | 显示全部楼层 来自: 日本
gt.adan 发表于 2014-1-16 00:42 static/image/common/back.gif/ i# F# x# m2 @6 G3 ~/ A3 n/ f
謝謝前輩回覆~以下接續討論。) B% f* T; }$ k, i4 b' q+ \
誠如阿丹樓上所述,此例變量最多只得兩個,無法三者兼備。3 w' T& T$ _0 ]! ^6 {
例如 ...

; n& P- G" ?# ^+ p2 Q4 R: j4 E阿丹兄所言极是,要是约束边距的尺寸,可以推出总长度,比较简单。
$ A' d1 k" p. ^2 B( F5 P! R) Q+ L9 {9 Y- m$ U3 ?. q+ ~0 @+ O
也都不是很了解楼主的意图,按照自己的意图,尽量达到楼主的要求,不知是否可行?
6 t+ |3 _. V3 k8 b" ~阿丹兄看出是使用了iif语句,使用iif语句也许可以做到楼主的要求,通过建模报错来提示,尺寸关系有误,需要调整,不知如何?# l+ W+ s1 \! `* l) I4 J# l

& j( U1 V. u/ t7 R 捕获3.PNG 9 M8 \+ @9 z8 @4 V
, Q' Y' R$ i" P' ~* t

$ o. Z: v% \; g
1 o9 j4 y- m$ l3 o( u' \* u5 v% m8 F* U) V. X
* E) y% ^3 I* p* H
" i0 B8 P# T2 k% w  q

" X. h: d: Y" H! U$ o
& H! Y: V3 N/ {8 R
3 X0 n* v' i4 W8 m. Z3 l: I9 t9 \0 D
发表于 2014-1-16 18:02:43 | 显示全部楼层 来自: 中国台湾
hongwei_1987jp 发表于 2014-1-16 17:50 static/image/common/back.gif$ e( I4 j' K5 {0 R. I5 @" ?
阿丹兄所言极是,要是约束边距的尺寸,可以推出总长度,比较简单。2 [" M+ j1 J/ C6 ~! k# ^) ?
( j6 x+ \  y- U# L7 D
也都不是很了解楼主的意图,按照自 ...

7 d: I- [* e2 P; |  c9 T謝謝前輩回覆~
+ H0 S3 s/ u, g' b6 m/ ?阿丹以為,總是能找出個權宜之策,重要的是看樓主如何回覆了~~
发表于 2014-1-16 23:25:47 | 显示全部楼层 来自: 日本
gt.adan 发表于 2014-1-16 16:32 static/image/common/back.gif
4 L/ d' ?  ?! Q, S再三呼籲,煩請樓主說明一下具體要求以方便接續討論~  ?; l# q  |4 i9 r  A1 B
0 a8 d  s& D! |
樓上20~23樓的內容請仔細看一下,謝謝 ...
* a0 Z" K" j" H0 j/ Z6 X9 M
楼主睡觉了  j" ~: c* ?( W3 k& v5 W# {
8 d* l% p1 N. h4 y. J8 [" \7 o/ b! W0 C
两边等距,加上这样一个报错功能(问题1的要求),应该OK啦,不用使用iif语句来限制边距,就是你动画的做法。. X; Q7 a# E+ Y1 d: i6 T, K
捕获.PNG 0 w" y+ ^, e* y3 ~7 V6 {
+ r. [% F0 w9 z, n2 d+ m
捕获2.PNG ) P1 a4 u+ W. t7 C
! q' N) y9 c" T1 O) l3 F. N
捕获3.PNG - q/ w4 G: U! U& `7 r
7 y9 n9 ?* J# ~; {% A
发表于 2014-1-17 02:23:03 | 显示全部楼层 来自: 中国香港
簡單做了一下,數量少于2會出錯,奉上劣作的源文件。(2008版本)
8 z& z1 }( O; N* E- I4 m* \ lxq11047.gif

lxq11047.rar

44.98 KB, 下载次数: 21

 楼主| 发表于 2014-1-17 09:38:48 | 显示全部楼层 来自: 中国上海
gt.adan 发表于 2014-1-16 18:02 static/image/common/back.gif4 [& w, y8 p0 C+ Z# j; w/ ]# L8 B
謝謝前輩回覆~
- Q2 `- V2 M9 E% M阿丹以為,總是能找出個權宜之策,重要的是看樓主如何回覆了~~
' p$ A" i4 b. m$ ~; b9 S) W& _
感谢,大多数情况下两边孔是控制在50-160之间(有时也有变化)
 楼主| 发表于 2014-1-17 09:40:13 | 显示全部楼层 来自: 中国上海
hongwei_1987jp 发表于 2014-1-16 23:25 static/image/common/back.gif: K* k2 i4 J$ _$ ]
楼主睡觉了. l  E+ p) p, {$ Y7 r, P

# }* v( o' Z# O; Z8 R7 x: x两边等距,加上这样一个报错功能(问题1的要求),应该OK啦,不用使用iif语句来限制边 ...

' |9 p3 j0 m7 b* {# ?& M3 v非常感谢你的指导
4 j5 V0 C$ H# |0 T
- ?( e% {0 u. j5 ], x9 A$ A# V) p5 }5 N大多数情况下两边孔是控制在50-160之间(有时也有变化)
发表于 2014-1-17 10:14:58 | 显示全部楼层 来自: 中国香港
lxq11047 发表于 2014-1-17 09:40 static/image/common/back.gif4 g5 J) H! F3 {2 v6 A7 L2 j
非常感谢你的指导* o* U! J! y% A) I
/ K% O, |# O% G+ p# z7 K
大多数情况下两边孔是控制在50-160之间(有时也有变化)
1 l" \: j' H  E, C' U% I- ^
步進150,最大余數就是150,每邊步進差就是75,如果下限是50,上限就是125。
, t3 W9 u* q$ w% Y5 H
( F7 e4 B1 W1 f( c5 V* Y* L* w如果要求50-160之間,會出現多解情況。
 楼主| 发表于 2014-1-17 10:25:45 | 显示全部楼层 来自: 中国上海
Francis 发表于 2014-1-17 10:14 static/image/common/back.gif- j' ]2 c2 g! n
步進150,最大余數就是150,每邊步進差就是75,如果下限是50,上限就是125。8 u) l6 M4 ^, y  V6 ^" A* `

+ }5 H" E4 T5 n6 _: o* x% ?# e如果要求50-160之間,會出 ...

- |. i' ]1 l1 ~! \5 i: o' L  N非常感謝你的指点,你的附件里的做的很好
发表于 2014-1-17 10:35:19 | 显示全部楼层 来自: 日本
lxq11047 发表于 2014-1-17 09:40 static/image/common/back.gif. p, p2 {' y/ x, v7 c; Q, j5 P
非常感谢你的指导9 b, `3 O4 g6 K! P

  E) s$ x1 H: ]1 {3 b2 ]2 e$ T大多数情况下两边孔是控制在50-160之间(有时也有变化)
* U7 f+ e& y8 l0 l4 T
要在50-160之间的话,用我的报错方法可以自由设定范围的,你试试
发表于 2014-1-17 11:33:17 | 显示全部楼层 来自: 中国台湾
雖然樓主還是沒有說明具體要求,但此帖應該可以下課了~因為方式各隨喜變。
9 c0 L6 r# U& S悶大和 hongwei 兄的方法都很值得學習~
2 \% p: s3 X" N; k% U- y2 F# c8 ^: ^0 K
发表于 2014-1-17 13:25:33 | 显示全部楼层 来自: 中国香港
gt.adan 发表于 2014-1-17 11:33 static/image/common/back.gif0 U/ V0 g" @1 }- h; U
雖然樓主還是沒有說明具體要求,但此帖應該可以下課了~因為方式各隨喜變。
0 e3 `. I$ d- M% _$ l1 h; R悶大和 hongwei 兄的方法都很值 ...

# ~7 a5 @7 W. q( y% P在這個論壇只有丹哥看到悶人的東東,可能這個系統有選擇性透明的特異功能。
发表于 2014-1-17 15:18:02 | 显示全部楼层 来自: 中国台湾
本帖最后由 hero522 于 2014-1-17 15:21 编辑 # g7 ?1 k1 \$ E7 l
: _/ s  \) \! }+ R
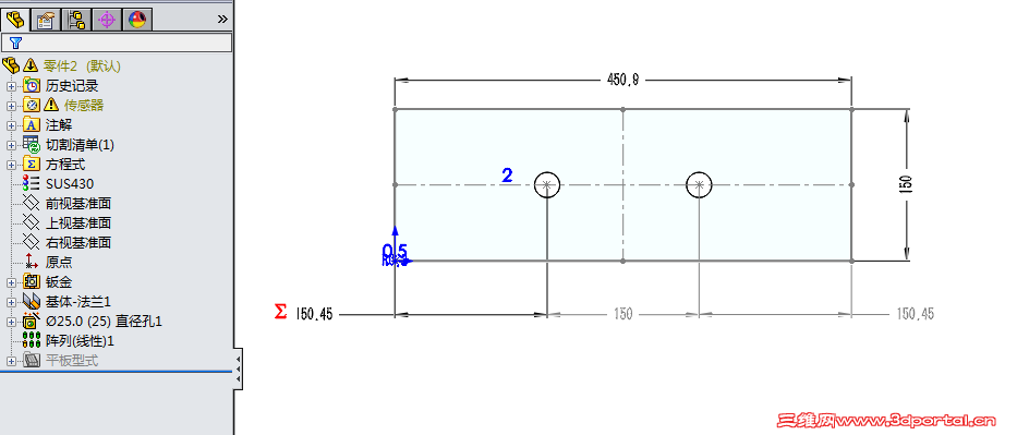
A.邊距50-150條件設定有問題。如下圖,第1孔邊距40,第2孔邊距190。  h' U) w% k( l0 K5 \+ h
        鈑長680時第一孔畫與不畫都不符合要求4 M* X* _$ y& o, O3 p
B.邊距變更為50-200,用區域填入也可達到樓主要求
. [- `- x6 _8 |; X9 v
  G5 t  ]9 J9 S. O 圖片1.jpg * t$ }; H' ~5 s$ |; G$ S
圖片2.jpg
0 u( S! E4 x) g  ]
发表于 2014-1-17 21:00:05 | 显示全部楼层 来自: 中国广东深圳
讨论得好深奥呀。幸好有个附件可以下载了研究下。谢谢上附件的那位朋友
发表于 2014-1-17 23:29:12 | 显示全部楼层 来自: 中国广东深圳
好资料啊。谢谢分享,
发表于 2014-1-23 11:39:47 | 显示全部楼层 来自: 中国天津
Francis 发表于 2014-1-17 13:25 static/image/common/back.gif7 F! H! W5 T; d* x" C. E
在這個論壇只有丹哥看到悶人的東東,可能這個系統有選擇性透明的特異功能。

% B8 r6 ~3 r3 R5 d  v4 s9 q% X+ L闷大,您怎么把小翔给忘了,除了丹哥,小翔也一直关注您的一举一动,$ R4 O7 A7 A! ^( v
只是天资有限,有的时候小翔只有看的份,
7 R( j8 N* x- [* k& v5 U7 |闷大永远是小翔的偶像,人生前进的目标
发表于 2014-1-24 00:42:43 | 显示全部楼层 来自: 中国香港
zh_x0511 发表于 2014-1-23 11:39 static/image/common/back.gif9 g% Z# d3 m! N7 M9 U+ {( _
闷大,您怎么把小翔给忘了,除了丹哥,小翔也一直关注您的一举一动,  q7 f" v: u# m5 x3 {2 R8 W
只是天资有限,有的时候小翔只有看 ...
) @% r5 p3 t/ M* e  e
感謝小翔的關注,說到當作悶人是偶像那就言重了。5 C& w. F/ M! Z
可以一起討論就足夠了,只是這裡的討論氣氛不好,不是互相指罵就是蔑視他人的回復。5 {& g' D6 A" \) b9 w, K

& j+ R" R% z. D" z就好像近幾天有位仁兄求助編寫一個有意思的“宏”,
4 r0 p9 t8 H- q* P: t' C悶人思考了半天有了初步構思,于是回帖提出“有一些前設必須厘清”,(見鏈接)
; _6 _& O( K# L/ u1 e& @( phttp://www.3dportal.cn/discuz/fo ... 9&fromuid=14066. M5 u. b0 Z* k1 H7 s6 [
發帖後繼續編寫,差不多完成的時候回來看看,希望看到答復就可以隨即完成那個宏,再上傳供各位測試。, n1 U. V* G. C% n& h
(情況有如小翔那次“坐標填入表格”的求助)http://bbs.icax.org/thread-912629-2-1.html
0 D/ V3 S( @7 s6 H: m3 X心想可能會比起小翔的情況更為順利,0 D' `  n$ q. v0 J+ y+ N1 }! A3 X
豈料非但沒看到求助者的回復,更看到一些不友善的回復,感到非常無奈,也不打算再回復該求助者的提問。
. S8 a8 c* B- H9 w5 ~, P% d$ M6 C
6 ^: X' L0 ~6 E* X2 X% P$ z& z0 L7 v/ I$ Q; S3 b% I- g3 F
发表于 2014-1-24 09:10:10 | 显示全部楼层 来自: 中国浙江嘉兴
Francis 发表于 2014-1-24 00:42 static/image/common/back.gif
2 u6 k6 Q. g7 \7 N7 P4 @" P% C感謝小翔的關注,說到當作悶人是偶像那就言重了。
9 {& C1 k1 r9 @* c; ?可以一起討論就足夠了,只是這裡的討論氣氛不好,不是 ...
' N& a1 R- u) @5 c
谢谢闷大的回复,但闷大确实是小翔的偶像。
" t: I/ [9 \2 N6 Z8 I小翔一般都是在开思交流比较多,而在此也是追随闷大,悄悄的看看闷大的回帖而已。
6 t5 x) n9 ~0 Y" Z. N5 F5 a其实闷大为各大论坛所做的贡献小翔都看在眼里,记在心里(除了玩家论坛,因为内地登不上)
+ L1 c  n9 I4 D# M$ {) O( C由于工作原因,需要用宏来提高效率,但小翔又是宏盲(其实最近有在学习了)
4 W. ^. t8 Q( i' X# i闷大上次3坐标导入工程图的宏大大提高了小翔的工作效率,小翔深表感谢,
; T) }) u6 ?0 Z" p/ X+ z在此也呼吁得到闷大帮助的人最起码说声谢谢,8 G4 X' U8 N+ J! Z: `
内地有句俗话:“人家帮你是福分,人家不帮你是本分”& d* [+ Z* _# ~5 K' x! K* q0 R3 C1 n0 v
最后想请闷大帮忙看下一个宏:http://www.solidworks.org.tw/forum.php?mod=viewthread&tid=23972&page=1#pid192086
2 q  X2 `4 L, |- D3 H# I12楼是小翔根据梁大修改的,但是不知道为什么,系统总是默认将最后一点连接到原点,这样就多了一条直线。+ O% m2 b& N* X5 C7 u$ Q) Z" R1 U
希望闷大有时间能讨论一下。谢谢。( D2 y' G! U8 M1 A9 ~1 D1 O' v
发表回复
您需要登录后才可以回帖 登录 | 注册

本版积分规则


Licensed Copyright © 2016-2020 http://www.3dportal.cn/ All Rights Reserved 京 ICP备13008828号

小黑屋|手机版|Archiver|三维网 ( 京ICP备2023026364号-1 )

快速回复 返回顶部 返回列表