QQ登录

只需一步,快速开始

登录 | 注册 | 找回密码

三维网

 找回密码
 注册

QQ登录

只需一步,快速开始

展开

通知     

楼主: 想家的人
收起左侧

[已解决] 如何整列数字

[复制链接]
发表于 2014-1-7 09:24:22 | 显示全部楼层 来自: 中国北京
到后面怎么重叠在一起啊
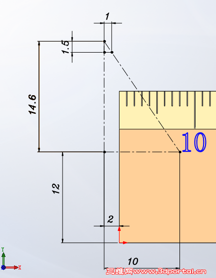
QQ截图20140107092340.jpg
发表于 2014-1-7 10:02:34 | 显示全部楼层 来自: 中国北京
不错   学习了    谢谢
发表于 2014-1-7 10:35:05 | 显示全部楼层 来自: 中国浙江嘉兴
乐一个 发表于 2014-1-7 09:24 static/image/common/back.gif
6 n3 ?7 E" |, u' S+ c# V到后面怎么重叠在一起啊
& t- {* W3 G/ i3 ^
文字的置放距離不過
发表于 2014-1-7 10:45:52 | 显示全部楼层 来自: 中国台湾
本帖最后由 gt.adan 于 2014-1-7 11:33 编辑 5 `# ?0 W6 ~3 ?5 D$ @# h/ A
lyz060301113 发表于 2013-12-30 18:53 static/image/common/back.gif; x: \+ t5 ?0 f3 _0 W
终于搞定了,今天上班公司用的SW2010,所以那个文本老显示不了数字。回家用我的电脑用SW2010和SW2012试了 ...

+ }. j! ~+ `9 h9 _- ^% d4 S更早期的版本是可以的…
发表于 2014-1-7 11:00:03 | 显示全部楼层 来自: 中国北京
ryouss 发表于 2014-1-7 10:35 static/image/common/back.gif/ z& A) c( R6 J4 i' R2 m- O
文字的置放距離不過

8 G# O+ z! ?2 y2 W  D要怎么做啊
发表于 2014-1-7 11:21:36 | 显示全部楼层 来自: 中国浙江嘉兴
本帖最后由 ryouss 于 2014-1-7 11:23 编辑 6 b: D+ P# G7 ~, @  a0 N9 T9 @
乐一个 发表于 2014-1-7 11:00 static/image/common/back.gif
5 {( h/ d- @; a, Y8 N% H" Q/ [4 X要怎么做啊
如#10樓, 加大10之尺寸...
$ x1 Y- i+ k; Z) z9 s( [建議學習不要"照抄"要懂得原理啊,
$ |3 j9 h) j  b, Y, x5 R那學習吸收得到的,才是你的.
 楼主| 发表于 2014-1-7 12:49:03 | 显示全部楼层 来自: 中国广东惠州
这个论坛真是好,有问必有答,终于等到答案了。谢谢各位的热心帮助。
 楼主| 发表于 2014-1-7 15:03:38 | 显示全部楼层 来自: 中国广东惠州
刚才猛看上去,好像懂了,结果有没有做出来,还请楼主有空做个详细的教程,在这里将感激不尽。
 楼主| 发表于 2014-1-7 15:12:15 | 显示全部楼层 来自: 中国广东惠州
只是感到自动好像太愚笨了,盼望各位大神指点迷津。
发表于 2014-1-7 16:16:52 | 显示全部楼层 来自: 中国浙江杭州
我想学习一下文字怎么弄,对宏还不了解
发表于 2014-1-8 16:30:29 | 显示全部楼层 来自: 中国广东东莞
求教圆的怎么做啊,直线的上面能做,但我看了下那个圆的上面也是直线陈列的哦
发表于 2014-1-8 16:32:17 | 显示全部楼层 来自: 中国广东东莞
ryouss 发表于 2013-12-28 22:48 static/image/common/back.gif
/ g6 {) }8 [3 q" J, i; S+ @" h- R- D+ N這個意思嗎?
& `5 q6 L" A. R* k7 m7 p
求教圆的陈列,
发表于 2014-1-9 09:44:31 | 显示全部楼层 来自: 中国浙江嘉兴
懂你1018 发表于 2014-1-8 16:32 static/image/common/back.gif1 W3 ]7 b6 b% N0 e( `$ ^% m- _+ d
求教圆的陈列,
$ n+ {2 Z, |% |0 V
http://www.3dportal.cn/discuz/fo ... 3623&extra=page%3D1" x" e1 i4 w! R5 I/ i3 @. M0 S' A6 g
道理同上,直線拉移,轉成如75線段之角度變化.
发表于 2014-1-9 11:33:10 | 显示全部楼层 来自: 中国湖北襄阳
捕获.PNG
) f, v" i+ T* X/ N* l8 r) Y+ L! d终于学会了,成功了,感谢大神的讲解。原来的数字总是对不齐,现在有了解决办法
 楼主| 发表于 2014-1-9 19:29:56 | 显示全部楼层 来自: 中国广东惠州
xflhf 发表于 2014-1-9 11:33 static/image/common/back.gif" S% c' b6 @2 R0 T1 s0 x
终于学会了,成功了,感谢大神的讲解。原来的数字总是对不齐,现在有了解决办法

& [! d. V0 V7 @7 H/ L5 I# B怎么做的?期待教程!!!!
 楼主| 发表于 2014-1-9 19:48:00 | 显示全部楼层 来自: 中国广东惠州
xflhf 发表于 2014-1-9 11:33 static/image/common/back.gif
0 U; p# W, Q+ C5 o3 {+ N终于学会了,成功了,感谢大神的讲解。原来的数字总是对不齐,现在有了解决办法

# z5 r- e, V' w万分期待。感谢分享。
发表于 2014-1-10 09:27:51 | 显示全部楼层 来自: 中国湖北襄阳
想家的人 发表于 2014-1-9 19:29 static/image/common/back.gif
1 T* \# O! j! P5 |3 r怎么做的?期待教程!!!!

& }: j* F& N6 D; n+ Z; W看第一页的梁大神,有gif动画教程,跟着做做就会了
发表于 2014-1-10 09:45:24 | 显示全部楼层 来自: 中国湖北襄阳
ryouss 发表于 2013-12-30 11:05 static/image/common/back.gif: _2 c. R7 Z6 }# ?* f: S. a) ?# n" ]' t
直排式為例,我的作法:
' i# {5 V# {+ E, W+ Y& J" j. ~一.

& F7 `: K; g2 g; Z8 [: v  y请教大神:3 ^8 v: _. l9 F% J+ {
我学着您的教程做了一个直尺,看起来成功了,可是关闭文件后,重新打开,它都提示要重建,同意重建后,那个自动变化的数字,都变成了最大数字,每个都一样。但是文件还是有特征处于没有重建状态,再次重建后,才正常,不知道是什么原因。我用的是2014SP4版本
' `5 b, q' R( y3 B: c% T
# x4 c  w; d, w' e! g 捕获.PNG
  N' {( V# N$ f+ s  d% S文件打开要求重建4 S0 {: L' y$ ^% _' K8 z% v
捕获1.PNG + ~  ?/ d3 r9 O5 L4 u% [8 R2 O
重建后,数字都变成最大的数字* T8 f. e( T! x2 r  @

9 c/ C. }  ?2 g 捕获2.PNG
! S4 X5 ]3 A, e5 G, `# e7 l再次重建后,恢复正常: Q' I/ H, x4 X* b8 H' L* X/ ~7 a
7 n: {$ J3 K8 h1 J1 e  y# L+ v; Z/ x2 T
捕获4.PNG
0 o9 y  |# p# ~% ^) t这是我的草图4 L+ o0 y( P+ {( O6 l' d

/ b6 Q' I  S. `/ T
发表于 2014-1-11 13:29:28 | 显示全部楼层 来自: 中国浙江嘉兴
懂你1018 发表于 2014-1-8 16:32 static/image/common/back.gif
8 G* Q/ W$ n+ F4 ]. z  z6 G5 B2 y$ _求教圆的陈列,
" r" R! K( D) O. n$ P
道理同直列的,就是用線跟弧的關係,把直線距離轉成弧長,而改變角度連動到文字.
8 Q, [' s+ e$ h0 E( v; g5 h如下圖
  X* u3 I5 `# F7 X% B/ n+ Q aa.gif
发表于 2014-1-12 08:14:38 | 显示全部楼层 来自: 中国北京
受教。多谢!我想知道未知(可变)长度怎么做?
 楼主| 发表于 2014-1-12 21:03:12 | 显示全部楼层 来自: 中国广东惠州
398312203 发表于 2013-12-30 15:58 static/image/common/back.gif6 F; W2 j7 s& o5 F3 B
阿丹大神,你看我做的对不对?

$ p! z# ?) E& J) X' U你是怎么做的?我也是照着动画做的,前面都是对的,到最后就是阵列不了。
发表于 2014-3-12 15:54:12 | 显示全部楼层 来自: 中国广东深圳
gt.adan 发表于 2013-12-29 10:25 static/image/common/back.gif
2 R/ J5 C( p3 Q梁兄的文字陣列是透過宏以實現 。
1 ]0 Z% |2 t4 I7 X) A6 k至於數字陣列,就是鏈結屬性而已。
( k* U; M1 R9 Q; h1 Y# E
大师帮我看下我的这个怎么随形阵列不成功啊 2012的

随形阵列-数字叠加1.rar

66.26 KB, 下载次数: 11

发表于 2014-3-12 16:27:05 | 显示全部楼层 来自: 中国台湾
SG小瓜 发表于 2014-3-12 15:54 static/image/common/back.gif3 G/ p( u6 s3 n
大师帮我看下我的这个怎么随形阵列不成功啊 2012的

8 z* r( _1 f& W2 D8 |* _+ a1 c: r隨形陣列的過程,模型不再重整(計算)。$ f. l, O: S4 f4 I
所以必需用數值鏈結,而不能用方程,你再試試~. _8 x" J  L1 v
3 u' D, _; O# Q6 w6 j
2014-3-12 下午 04-23-32.gif 2014-3-12 下午 04-26-01.gif
+ S3 C# U4 r9 Z
发表于 2014-3-12 17:00:46 | 显示全部楼层 来自: 中国广东深圳
gt.adan 发表于 2014-3-12 16:27 static/image/common/back.gif
% O) r3 Y9 u" ~) u隨形陣列的過程,模型不再重整(計算)。4 P& L1 l  a2 t4 [' N
所以必需用數值鏈結,而不能用方程,你再試試~

; n( r: o6 ?) m1 a" W谢谢大神的指导     原来12和1要先做到拉伸凸台2里面   而且发现没有联动的是不会随形阵列的   
QQ截图20140312170027.jpg
发表于 2014-3-12 21:21:10 | 显示全部楼层 来自: 中国陕西榆林
又学了一招( m2 [# t+ j' |3 M% d: E( ?
发表回复
您需要登录后才可以回帖 登录 | 注册

本版积分规则


Licensed Copyright © 2016-2020 http://www.3dportal.cn/ All Rights Reserved 京 ICP备13008828号

小黑屋|手机版|Archiver|三维网 ( 京ICP备2023026364号-1 )

快速回复 返回顶部 返回列表