QQ登录

只需一步,快速开始

登录 | 注册 | 找回密码

三维网

 找回密码
 注册

QQ登录

只需一步,快速开始

展开

通知     

查看: 5282|回复: 28
收起左侧

[讨论] 请问在图示的系统中,液压缸能否推动负载做加速运动?

[复制链接]
发表于 2007-11-18 21:46:07 | 显示全部楼层 |阅读模式 来自: 中国安徽马鞍山

马上注册,结识高手,享用更多资源,轻松玩转三维网社区。

您需要 登录 才可以下载或查看,没有帐号?注册

x
接触液压有一段时间了,但是一直觉得对液压中“压力取决于负载”这一基本原理有些困惑。向大家请教一下!
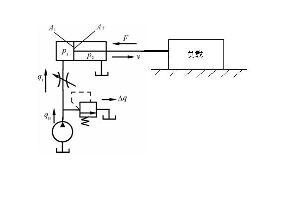
4 n2 \6 S8 f; a  v( I5 l+ O在图示的系统中,用液压缸去推一外负载,假如图中各液压元件均选型合理,溢流阀调定压力足够大。请问液压缸能推动外负载做加速度为a加速运动?如果能此时负载压力怎么确定
原理图.JPG

评分

参与人数 1三维币 +3 收起 理由
江边 + 3 这个议题不错,有时候确实会导致困惑。

查看全部评分

发表于 2007-11-18 22:13:46 | 显示全部楼层 来自: 中国湖北武汉
冲击油岗就是一种可加速油缸,也请后来的同志解释吧.
发表于 2007-11-19 08:13:18 | 显示全部楼层 来自: 中国河北沧州
P1A1=P2A2+F
$ y* E3 l0 E7 jP2=0
: ?- C: X, m, i% b' ]( l  EP1=F/A1
" P$ {" A0 @$ `( T5 Q" U, u所以压力取决于负载
发表于 2007-11-19 08:20:09 | 显示全部楼层 来自: 中国辽宁沈阳
开始系统需要建立压力,负载不动。当系统压力达到需要克服负载摩擦力的时候,有个瞬间加速过程,当负载在液压系统压力的推动下进行滑动时,系统压力与摩擦力平衡,做匀速运动。所以,我觉得上图在平衡情况向不能有加速运动。不知道分析的对不对

评分

参与人数 1三维币 +4 收起 理由
江边 + 4 感谢您的积极参与

查看全部评分

发表于 2007-11-19 08:29:28 | 显示全部楼层 来自: 中国江苏无锡
支持楼上的意见!当流量不发生变化的时候!起加速度就没有!
 楼主| 发表于 2007-11-19 10:06:47 | 显示全部楼层 来自: 中国安徽马鞍山
假如用比例节流阀取代系统中的节流阀,当增加节流阀开口的时候油缸就会加速,特别是使用用比例放大器把升速和降速时间都调定后,液压缸应该会有一个加速或减速过程吧
发表于 2007-11-19 12:23:50 | 显示全部楼层 来自: 中国北京
不加速如何动起来
发表于 2007-11-19 13:35:19 | 显示全部楼层 来自: 中国安徽马鞍山
压力取决于负载,速度取决于流量。有没有加速度就看流量了。我也比较赞成4楼的意见。
发表于 2007-11-19 14:04:09 | 显示全部楼层 来自: 中国辽宁沈阳
我同意4楼的意见。是否加速看负载情况、看流量情况。
 楼主| 发表于 2007-11-19 20:01:37 | 显示全部楼层 来自: 中国安徽马鞍山
是不是可以这样理解:油缸的运动速度取决于流量,当流量增加时油缸运动速度就增加,当油缸从一种速度切换到另一种速度时存在一个加速过程,在这个加速过程中油缸让负载运动需要克服动摩擦力和惯性力,此时系统压力会相应增加。- x, C/ }5 E3 L4 j6 V4 d% s
我对这个惯性力太明白,以前我觉得液压系统中的压力是由外负载引起的,系统压力是被动的量,只有外负载增加了系统的压力才会增加,我总觉得这个惯性力是由负载加速运动引起的,好像是惯性力在油缸推动负载做加速运动之后才形成,就是说系统压力先上去惯性力才产生。哪位能解释一下
 楼主| 发表于 2007-11-21 20:54:30 | 显示全部楼层 来自: 中国安徽马鞍山
再次向版主和各位大侠求助,这个问题困惑我很久了
发表于 2007-11-21 22:32:58 | 显示全部楼层 来自: 中国浙江杭州
油泵刚启动时,油液向无杆腔流动,油液压力迅速增大超过负载阻力F,推动活塞加速运动。2 Z1 p3 |( |3 O/ L
由于活塞加速向右运动,当速度够大时,它的左侧会留出一些空间,由液压油填补,液压油的压缩程度降低,其压力会相应降低。( Y- _: `: @+ U; L: [7 b
当液压力降到与F相等时,活塞匀速运动,此时油液压缩程度不再变化,压力保持稳定,活塞保持匀速运动。6 s8 k9 s/ \' m
所以,该系统的主要工作过程是匀速的。
 楼主| 发表于 2007-11-22 19:48:29 | 显示全部楼层 来自: 中国安徽马鞍山
假如用比例流量阀让负载加速运动5s,此时油缸无杆腔的压力该如何计算?无杆腔的压力是如何建立起来的?谢谢
发表于 2007-11-22 20:12:17 | 显示全部楼层 来自: 中国河南信阳

回复 13# 的帖子

加速5S的话就是力学问题了,油缸无杆腔压力的建立是,进入无杆腔流量增加,而负载基本不变,增加的流量打破了原来建立的动态平衡,使无杆腔压力增加,进而使活塞加速前行。
 楼主| 发表于 2007-11-24 21:01:15 | 显示全部楼层 来自: 中国安徽马鞍山
chenqing1120楼上,能够请你细说一下“增加的流量打破了原来建立的动态平衡”,谢谢
发表于 2008-3-16 01:10:09 | 显示全部楼层 来自: 中国四川成都

压缸能否推动负载做加速运动?

其实速度的快慢是与他的流量有关,而不是压力
发表于 2008-3-16 10:00:40 | 显示全部楼层 来自: 中国广西玉林
负载决定压力,流量决定速度。负载应该由摩擦力等和惯性力两部分组成,惯性力取决于加速度和物体质量,而加速度取决于流量的变化。对楼主的图示的情况,如果流量突然间增加,理论加速度可以达到无限大,当然实际上不可能(受压力飞升速率和溢流阀压力限制),但也会引起巨大冲击,所以,起步阶段,最好缓慢增加流量。3 g* Z! H* r$ A: }+ x* H7 h
' i0 }  u. O) Q1 c: A9 ?; ~: [
[ 本帖最后由 lwgx 于 2008-3-16 10:06 编辑 ]
发表于 2010-8-2 08:44:13 | 显示全部楼层 来自: 中国上海
这个问题还是不明白,谁能解释清楚下面几个问题:2 O$ J- c" C; Y) ~8 Q( B. f
1。既然速度取决于流量,加速度取决于流量变化,加速度似乎与受力无关,这显然与牛顿第二定律矛盾;3 h$ n. z: j5 k0 U, H! m8 P
2。速度取决于流量还是流量取决于速度?
, w. z/ M* G0 d. E; W3。如果不加外负载,负载就是摩擦力和惯性力了,提供恒定流量,流量稳定前活塞是加速的,稳定后为何加速度为零?我知道有些人有用速度取决于流量来解释,但又如何用受力来解释,必经流量稳定前后负载没变,压力变化也是一个爬坡再稳定的过程而已。
发表于 2010-8-2 09:48:30 | 显示全部楼层 来自: 中国北京
本帖最后由 zhaozhihui 于 2010-8-2 10:01 编辑 ) O) H) ?9 W1 D( }0 I

' ?: m* ?6 n  i7 {  G% a3 R压力取决于负载:% C- Y6 F; j6 r7 j) `! J4 @
在做加速的时候,活塞的平衡方程为:, Z/ {* M( n! O8 s/ r
P1A1-P2A2-F=Ma(M为所有做加速的物体质量之和),
6 g$ d/ J/ \) {2 K% f% v此时应该把加速的反力也作为负载;
+ G  F* e" X" X( H
3 q+ x' S2 O( b3 a; F# y- Q; V速度取决于流量:1 b+ V9 }+ F5 T5 a7 G! i( z
在做加速的时候,流量的平衡方程为:9 }2 T$ E$ e" \! j" G1 l7 z
ΔQ=aA1(ΔQ为流量的变化量),
. t0 w! T: P5 m/ s初始情况为Q=0,' y: |7 Q, U4 `" I5 A+ K* M' x, q; V
流量的变化由流量阀调节。% N" D. u7 ]$ Y, E

  B! y1 E* C+ M( `# j: M) ~不知道这样回答可以吗?
发表于 2010-8-2 10:25:57 | 显示全部楼层 来自: 中国广东江门
在没有运动之前,压力是变化的,系统一直在建立压力。从系统克服负载开始运动,为加速阶段,此阶段取决于压力建立的快慢(也就取决于系统流量),当负载开始运动,系统压力恒定的情况下,就匀速运动了。此时的速度取决于系统流量。
. E1 {- N2 @' r加速阶段的时间长与短取决于系统压力建立的快慢,也就是油缸推力F。
发表于 2010-8-2 17:02:40 | 显示全部楼层 来自: 中国山东济宁
:dizzy::dizzy:在建立起“系统压力恒定”情况时,继续增加流量负载会加速,但是压力并没有增加,P1A1=P2A2+F 负载又怎样再次加速呢   在平衡方程中力没有增加 方程会变成 加速方程??
发表于 2010-8-2 18:15:23 | 显示全部楼层 来自: 中国江苏连云港
不可能做加速运动的,压力取决于负载,要加速的话,除非是压力增大或者流量增大,如果在负载后面加一个力,让油缸推动,当系统压力大于只推动负载的压力时,这时撤去外加的力,油缸会在瞬间做加速运动,然后会做匀速运动(在流量不变的情况下),楼主可以看压力表的变化。
发表于 2010-8-3 12:44:15 | 显示全部楼层 来自: LAN
1.泵是定量泵,不考虑其他的流量是恒定的。
3 w! o- c- J$ k, z2 n% ]2.楼主说的溢流阀设定的压力足够高,就是说溢流阀不会有溢流。5 s# I5 H9 P7 p' s" Y7 j
所以泵出的油全进了油缸。
" ^# s7 n  ^4 I重物加速的加速度在这里可以算是无穷大。就好比一个静止的物体被另一个相撞,瞬间加速。0 J/ M) b3 f" Z
而在着以瞬间,系统的压力也接近无穷大的。(这里所说的都是理论理想情况)# a& @& Z- D& a& a: y
因为压力取决于负载,负载其实就是阻止油缸动的力,这里有摩擦力和惯性力,惯性力大小F=m*a(质量乘加速度)
" [* _( R1 ?! b/ b! T# ~
/ w/ e) {" p4 V& d9 u) d实际情况因为油液的压缩性等原因不可能是无穷大。
发表于 2010-8-4 10:07:31 | 显示全部楼层 来自: 中国上海
压力取决于负载,压力不能大于负载,应该是不能作加速运动
发表于 2010-8-4 23:26:28 | 显示全部楼层 来自: 中国湖南长沙
这应该是过渡阶段和平衡阶段; `) q) P) w! |5 p* ?
或者一个平衡阶段到另一个平衡阶段之间的响应过程,需要区分对待。
- \7 b* s9 t3 H2 ?7 C  i2 t只要存在阻尼的振动系统最终都会趋之平衡,在此过渡阶段必然存在速度的改变(即加速度),只是其中的影响因素需要仔细分析而已。
发表回复
您需要登录后才可以回帖 登录 | 注册

本版积分规则


Licensed Copyright © 2016-2020 http://www.3dportal.cn/ All Rights Reserved 京 ICP备13008828号

小黑屋|手机版|Archiver|三维网 ( 京ICP备2023026364号-1 )

快速回复 返回顶部 返回列表