QQ登录

只需一步,快速开始

登录 | 注册 | 找回密码

三维网

 找回密码
 注册

QQ登录

只需一步,快速开始

展开

通知     

查看: 2658|回复: 4
收起左侧

[求助] 分度圆做基准、分度圆的跳动问题

[复制链接]
发表于 2010-12-7 06:19:04 | 显示全部楼层 |阅读模式 来自: 中国北京

马上注册,结识高手,享用更多资源,轻松玩转三维网社区。

您需要 登录 才可以下载或查看,没有帐号?注册

x
有一批英国人设计的齿轮图纸,汇总起来有些问题分析时不太理解,想请教一下:" g) `3 Z6 |' k) r
4 F4 _4 i8 z; J& R# S
1. 可以用分度圆作基准吗?外圆、内孔、端面相对于该基准的跳动如何理解正确?测量上容易实现吗?哪些仪器可以实现?% [# M" t! P: T$ o1 z: K/ L
2. 分度圆上的跳动(圆跳或全跳)怎么测啊?相当于径向跳动吗?在测量当中如何实现呢?测量上是不是P100比三坐标要合适?斜齿的分度圆上跳动如何测呢?
# J) p; D+ [' }# |/ l4 L
3 G6 L- C, f* ^0 h+ y6 T5 f2 c6 h不知哪位前辈能给予指导,不胜感激......
发表于 2010-12-7 09:43:16 | 显示全部楼层 来自: 中国河南三门峡
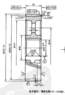
贴张图看看,做些专用检具应该是可以实现的。
3 r% ^' M* M) l5 q先看看图纸
发表于 2010-12-8 09:00:39 | 显示全部楼层 来自: 中国山西太原
齿轮的分度圆是理论上存在的圆,摸不着看不到,测量也是间接的。齿轮的形位公差标注一般是以内孔中心线为基准,测量齿顶圆和端面跳动(见机械设计手册图14-1-123,即下图)。齿轮的加工和检验是以内孔为基准。在加工时是以内孔穿芯轴定位,然后分度加工。实际上不能以分度圆作基准去测量内孔或外圆。
齿轮跳动的标注.jpg
发表于 2010-12-8 17:39:49 | 显示全部楼层 来自: 中国四川成都
1# qihong2009 - R; Z; Q& h7 e* p
在ASME Y14-5,2.9和2.10中规定螺纹花键齿轮,当是这些为基准时,除特别说明以外都是以中径(节圆)为基准来测量的。以螺纹中径基准测量相关形位公差比较常见。我就是做这种设备,齿轮也可以做的。关键是看价钱和用什么形式的设备了。
发表于 2010-12-11 20:26:09 | 显示全部楼层 来自: 中国江苏苏州
分度圆做基准很常见的啊,可以用MMC测量,也可以用标准球做辅助测量的。
发表回复
您需要登录后才可以回帖 登录 | 注册

本版积分规则


Licensed Copyright © 2016-2020 http://www.3dportal.cn/ All Rights Reserved 京 ICP备13008828号

小黑屋|手机版|Archiver|三维网 ( 京ICP备2023026364号-1 )

快速回复 返回顶部 返回列表