QQ登录

只需一步,快速开始

登录 | 注册 | 找回密码

三维网

 找回密码
 注册

QQ登录

只需一步,快速开始

展开

通知     

全站
8天前
查看: 2634|回复: 6
收起左侧

[已解决] 焊接式箱体

[复制链接]
发表于 2010-10-18 19:45:46 | 显示全部楼层 |阅读模式 来自: 中国浙江嘉兴

马上注册,结识高手,享用更多资源,轻松玩转三维网社区。

您需要 登录 才可以下载或查看,没有帐号?注册

x
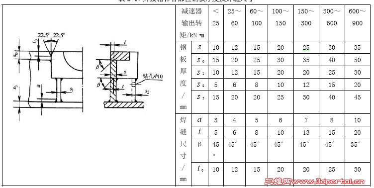
网上看到一焊接箱体的资料不知在哪本手册里能找到。! v/ Y9 p) @, M% ^: U% \# M, b8 q
26_126111_338ef7f11c5347d.jpg
发表于 2010-10-19 20:40:04 | 显示全部楼层 来自: 中国江苏苏州
本帖最后由 hero2006 于 2010-10-19 20:45 编辑
2 R. \3 O& i5 T
! A. K1 O1 r+ [/ M<<齿轮手册>>
0 C% c! u3 V$ d5 Zhttp://www.3dportal.cn/discuz/viewthread.php?tid=75895&highlight=%B3%DD%C2%D6%CA%D6%B2%E1( O1 F7 P, N: b# F% O8 e! S& @, s
在第十二篇
发表于 2010-10-20 11:45:24 | 显示全部楼层 来自: 中国山东济宁
我看了,在第7篇有
 楼主| 发表于 2010-10-20 18:11:46 | 显示全部楼层 来自: 中国浙江嘉兴
怎么找不到啊?大概在哪几页?还是要谢谢二位!
 楼主| 发表于 2010-10-22 17:03:08 | 显示全部楼层 来自: 中国浙江嘉兴
又查了好多篇都没找到
发表于 2010-10-23 11:08:13 | 显示全部楼层 来自: 中国河南
在齿轮手册里上册里第十二篇  通用减速器  第23页

评分

参与人数 1三维币 +2 收起 理由
hero2006 + 2 应助

查看全部评分

 楼主| 发表于 2010-10-23 21:50:57 | 显示全部楼层 来自: 中国浙江嘉兴
6# mc203
2 J6 ]* ~: l! d" z4 c看到了,谢谢!
发表回复
您需要登录后才可以回帖 登录 | 注册

本版积分规则


Licensed Copyright © 2016-2020 http://www.3dportal.cn/ All Rights Reserved 京 ICP备13008828号

小黑屋|手机版|Archiver|三维网 ( 京ICP备2023026364号-1 )

快速回复 返回顶部 返回列表