QQ登录

只需一步,快速开始

登录 | 注册 | 找回密码

三维网

 找回密码
 注册

QQ登录

只需一步,快速开始

展开

通知     

查看: 2117|回复: 9
收起左侧

[已答复] 如何确定两个零件的配合关系?

[复制链接]
发表于 2010-10-14 11:08:46 | 显示全部楼层 |阅读模式 来自: 中国河北秦皇岛

马上注册,结识高手,享用更多资源,轻松玩转三维网社区。

您需要 登录 才可以下载或查看,没有帐号?注册

x
现在有一个轴承和一个孔,轴承装配在孔内部,轴承属于标准件,因此推断属于轴配合,但是没有装配图,无法确定配合关系,请问有没有办法确定到底是过渡配合还是过盈配合?
发表于 2010-10-14 11:29:10 | 显示全部楼层 来自: 中国湖南岳阳
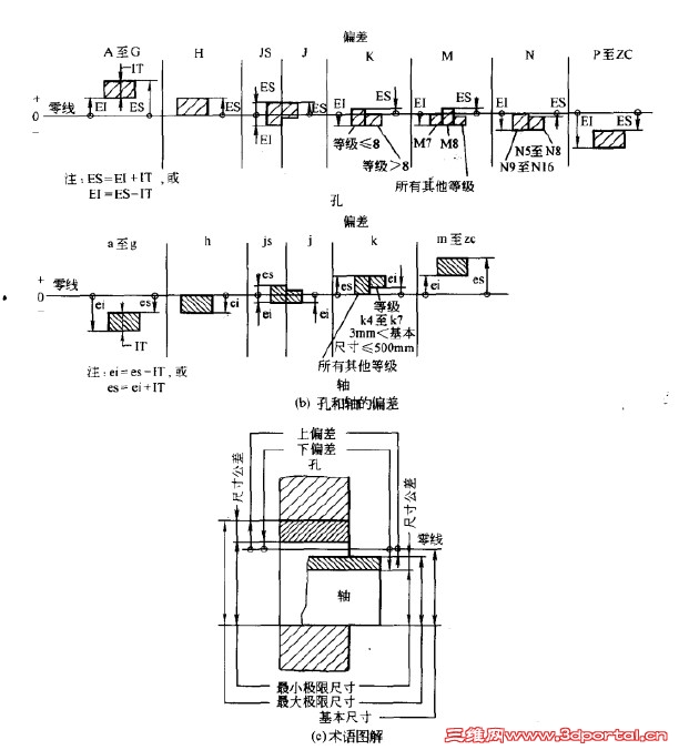
楼主要加强公差与配合的学习,这不是几句话能说清楚的。
1.jpg
2.jpg
3.jpg
头像被屏蔽
发表于 2010-10-14 11:39:54 | 显示全部楼层 来自: 中国辽宁丹东
提示: 作者被禁止或删除 内容自动屏蔽
发表于 2010-10-14 12:47:01 | 显示全部楼层 来自: 中国天津
这关系足可以写成一本书了
发表于 2010-10-14 13:09:15 | 显示全部楼层 来自: 中国安徽合肥
是的,这个问题不可能一两句话表达清楚的。
发表于 2010-10-14 17:33:30 | 显示全部楼层 来自: 中国河南信阳
轴承是标准件(配合有相关标准),内孔是基孔制为主,外圆是基轴制为主。一般用的6类轴承采用K5,h6,JS6等,但不能以盖而论。选用轴承时(特别是进口轴承)他们的样本里一般都有说明。2 d$ G2 U; i9 A" e2 C
  多看一些关于轴承配合的标准与样本。
发表于 2010-10-14 17:40:14 | 显示全部楼层 来自: 中国河南信阳
与标准件配合时,基准制依据标准件而定,轴承内圈与轴的配合应选用基孔制,而外圈与座孔的配合则应选用基轴制。基准制已经选好,至于怎样配合就得看运动关系了
发表于 2010-10-17 14:34:58 | 显示全部楼层 来自: 中国四川自贡
这个简单,你看看轴承是什么型号,一般地讲,只要有型号就可以在轴承样本中查到本轴承的推荐配合情况。/ i$ m' Y/ o) r. p4 p: {% p
一般情况下,按轴承样本上的推荐配合安装轴承不会出大问题。
发表于 2010-10-17 17:32:27 | 显示全部楼层 来自: 中国广东佛山
孔选用基轴制,轴选用基孔制,具体配合还得看用在什么工况下,具体你查一下机械手册嘛。
发表于 2010-10-19 08:15:26 | 显示全部楼层 来自: 中国湖南长沙
一般的轴承内圈用稍紧的配合 外圈用稍松的配合
发表回复
您需要登录后才可以回帖 登录 | 注册

本版积分规则


Licensed Copyright © 2016-2020 http://www.3dportal.cn/ All Rights Reserved 京 ICP备13008828号

小黑屋|手机版|Archiver|三维网 ( 京ICP备2023026364号-1 )

快速回复 返回顶部 返回列表