QQ登录

只需一步,快速开始

登录 | 注册 | 找回密码

三维网

 找回密码
 注册

QQ登录

只需一步,快速开始

展开

通知     

查看: 2860|回复: 8
收起左侧

[求助] 力士乐A6VM马达选型问题

[复制链接]
发表于 2010-9-20 19:15:20 | 显示全部楼层 |阅读模式 来自: 中国上海

马上注册,结识高手,享用更多资源,轻松玩转三维网社区。

您需要 登录 才可以下载或查看,没有帐号?注册

x
力士乐A6VM中,HD液压控制,与先导压力油管中,有好几种压力增量10bar;25bar;35bar,这几种压力增量是怎么选择的;它的控制起点怎么设置?另外在默认的情况下,他的一个HD.D的压力选择是怎么选择的(是否和主阀的压力设定有关),还是我直接使用他的默认值;不知道默认值是多少;请各位高手赐教!
发表于 2010-9-20 20:04:34 | 显示全部楼层 来自: 中国辽宁辽阳
这个问题怎么放到这里了?应该在液压还是会快点解决的。
发表于 2010-9-21 15:26:21 | 显示全部楼层 来自: 中国上海
HD控制压力增量是指从马达开始变量的压力到变到最大排量的压力的这个压差,其实用曲线表示就是马达的排量变化和压力的一个对应关系。比如你的起点变量压力是100Bar 那你的马达A口或B口的压力到达这个压力那马达就开始往大排量变化了。如果你的增量压力是10Bar 那就是系统压力到达110Bar的时候马达就到最大排量了,如果你选35Bar的增量压力那要到135Bar马达才会到最大压力。
发表于 2010-9-21 20:31:25 | 显示全部楼层 来自: 中国北京
楼上的兄弟,HD与HA不是一回事。
; q4 K- a) J& r4 r7 n7 w9 pHD说的控制压力的增量。
发表于 2010-9-21 21:58:12 | 显示全部楼层 来自: 中国安徽合肥
HD指外加的变量信号,看你能给的压力信号的范围了。如果是先导比例减压阀的话,建议选HD2型的,因为一般的先导泵的压力都是35BAR-40BAR左右,可以轻易实现ΔP=25BAR,这样变量范围比较宽,控制范围也比较大,HD1变量范围较少,外来压力型号不稳的话容易造成马达变量机构运动波动较大,变换太大,且可控范围相对较小。HD3型的变量范围相对先导压力来说有点宽了ΔP=35BAR。主要是看的能给的变量信号的控制范围了。     HD.D是压力越权控制,你设定个越权压力值,负载达到压力值时,HD控制不在有效。
' p# u. F* p6 g; u具体设定值你看附件吧,有详细介绍。(力士乐样本页)
发表于 2010-9-21 22:16:51 | 显示全部楼层 来自: 中国安徽合肥
这个A6VM马达的附件
发表于 2010-9-21 22:17:41 | 显示全部楼层 来自: 中国安徽合肥
传了2次都没成功,你有邮箱么,我发你邮箱吧
发表于 2010-9-22 12:16:15 | 显示全部楼层 来自: 中国辽宁本溪
感觉楼上的兄弟有实战经验。
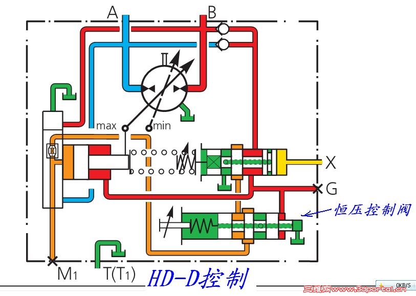
" z% T# p% i$ x' B# ?6 q" ]$ k  V+ F贴图是A6VM--HD-D控制的原理图。* |1 W, N# n, ~6 Q
关于它的恒压控制原理以及它与HD控制的关系,我不太清楚。
# z# j' n( q0 |9 l0 M! x哪位网友能讲解一下。, ?4 W0 ^( x* j
谢谢!
HDD.JPG
发表于 2010-9-23 08:58:37 | 显示全部楼层 来自: 中国上海
恒压控制主要用在什么地方
发表回复
您需要登录后才可以回帖 登录 | 注册

本版积分规则


Licensed Copyright © 2016-2020 http://www.3dportal.cn/ All Rights Reserved 京 ICP备13008828号

小黑屋|手机版|Archiver|三维网 ( 京ICP备2023026364号-1 )

快速回复 返回顶部 返回列表