QQ登录

只需一步,快速开始

登录 | 注册 | 找回密码

三维网

 找回密码
 注册

QQ登录

只需一步,快速开始

展开

通知     

查看: 1727|回复: 6
收起左侧

[求助] 帮忙分析一下这个阀的用法

[复制链接]
发表于 2010-9-6 17:19:13 | 显示全部楼层 |阅读模式 来自: 中国重庆

马上注册,结识高手,享用更多资源,轻松玩转三维网社区。

您需要 登录 才可以下载或查看,没有帐号?注册

x
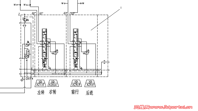
不知道这个阀室怎么用的,朋友们指教一下!
未命名.PNG
发表于 2010-9-6 17:22:30 | 显示全部楼层 来自: 中国北京
这个像是哈维的阀呀,你查下样本。自己对照一下。
发表于 2010-9-7 10:02:36 | 显示全部楼层 来自: 中国北京
HAWE的PSL比例多路阀啊,用于定量泵的负载敏感系统
发表于 2010-9-7 10:38:15 | 显示全部楼层 来自: 中国上海
高手,一看就知道
发表于 2010-9-9 16:40:57 | 显示全部楼层 来自: 中国江苏泰州
你需要知道哪个阀的作用?上面有一个三通压力补偿器一个溢流阀,另外就是多路阀啊,没什么名堂
发表于 2010-9-16 21:47:23 | 显示全部楼层 来自: 中国上海
多研究一下 样本就知道了
发表于 2010-9-17 09:07:45 | 显示全部楼层 来自: 中国辽宁沈阳
首先要了解多路阀的原理以及负载敏感,正流量,负流量等概念
发表回复
您需要登录后才可以回帖 登录 | 注册

本版积分规则


Licensed Copyright © 2016-2020 http://www.3dportal.cn/ All Rights Reserved 京 ICP备13008828号

小黑屋|手机版|Archiver|三维网 ( 京ICP备2023026364号-1 )

快速回复 返回顶部 返回列表