QQ登录

只需一步,快速开始

登录 | 注册 | 找回密码

三维网

 找回密码
 注册

QQ登录

只需一步,快速开始

展开

通知     

查看: 1932|回复: 5
收起左侧

[讨论] sauer-danffoss闭式系统变量泵原理探讨

[复制链接]
发表于 2010-8-23 16:01:52 | 显示全部楼层 |阅读模式 来自: 中国山西太原

马上注册,结识高手,享用更多资源,轻松玩转三维网社区。

您需要 登录 才可以下载或查看,没有帐号?注册

x
本帖最后由 zxrth 于 2010-8-23 16:31 编辑
1 N" `) s4 W. `! Y6 A6 L( n+ [4 [, g5 |0 d! C% F" N! d6 ?5 P1 W
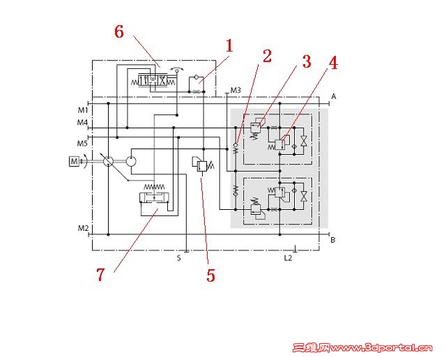
附上sauer闭式系统变量泵原理图,有几点疑惑,向各位高手请教+ w. w2 i6 J, |& W/ O
(1)图中单向节流阀1的作用?9 n; Y6 B' _( _& F; G
(2)样本上说伺服压力溢流阀2(即单向阀)限定伺服压力在合适的范围内,应作为如何理解?
- E# q/ M* y7 g7 r2 Q5 S(3)当系统压力到达压力限定值时,压力限制阀3迅速开启进而推动斜盘向中位运动以减小泵排量达到限制系统压力作用。对
5 {+ B: I# Y9 u9 \! k  `6 F0 y       于存在瞬间变化负载的应用,高压溢流阀4起作用实现系统过压保护。压力限制阀相当于高压溢流阀的先导级溢流阀,高压溢流阀在系统压力超过压力限制等级后起作用。对于样本上这些解释我的疑问如下:一、高压溢流阀4的油液溢流到何处?二、根据原理图可知,压力限制阀3开启时,可推动斜盘向中位运动以减小泵排量,但是假如油泵反向工作,那么高压溢流应发生在下面的油路上,这条油路上的压力限制阀开启时,却推动斜盘向泵更大排量处运行,岂不是压力越来越大? 12.JPG
 楼主| 发表于 2010-8-27 09:04:23 | 显示全部楼层 来自: 中国山西太原
怎么没人回应啊?难道问题太简单吗
发表于 2010-8-27 20:58:18 | 显示全部楼层 来自: 中国江苏无锡
一、单项节流阀作用:1.控制泵反反应时间 2.压力限制阀工作是通过单向阀迅速回油3 E$ v2 r& v7 E3 E. S
二、当伺服压力过高时通过该阀溢流,保护伺服油缸不受高压损坏
. D9 c% L0 x% N* }) D三、高压油溢流到低压腔。该泵不允许反向工作,但可以通过调节斜盘角度改变油液流向,当反向流动是正好另一组多功能阀起作用
 楼主| 发表于 2010-8-31 09:17:22 | 显示全部楼层 来自: 中国山西太原
多谢3楼的解释
发表于 2010-8-31 11:28:29 | 显示全部楼层 来自: 中国浙江宁波
楼主能不能发个资料给我啊。
发表于 2010-9-1 13:00:53 | 显示全部楼层 来自: 丹麦
一 控制某方向的反应速度
. U% l% B  m/ R' F二 补油溢流阀调节补油压力
* P, X* M3 g- Z. H三 两个阀分别控制两个方向
发表回复
您需要登录后才可以回帖 登录 | 注册

本版积分规则


Licensed Copyright © 2016-2020 http://www.3dportal.cn/ All Rights Reserved 京 ICP备13008828号

小黑屋|手机版|Archiver|三维网 ( 京ICP备2023026364号-1 )

快速回复 返回顶部 返回列表