QQ登录

只需一步,快速开始

登录 | 注册 | 找回密码

三维网

 找回密码
 注册

QQ登录

只需一步,快速开始

展开

通知     

全站
11天前
查看: 1695|回复: 9
收起左侧

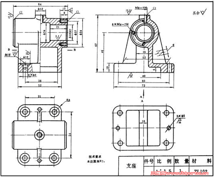
[求助] 如何设计该支座的夹具

[复制链接]
发表于 2010-7-5 16:03:39 | 显示全部楼层 |阅读模式 来自: 中国河北保定

马上注册,结识高手,享用更多资源,轻松玩转三维网社区。

您需要 登录 才可以下载或查看,没有帐号?注册

x
钻顶面M8螺纹孔夹具设计。应该是用多点联动夹紧机构吧?但是它主视图俯视图侧视图咋画啊..求大神帮忙
新图片.png
发表于 2010-7-5 16:29:55 | 显示全部楼层 来自: 中国河北廊坊
此M8-7H螺孔加工还用夹具吗?划线后直接将工件底面固定在钻床平台上,钻孔、攻丝就行了。
 楼主| 发表于 2010-7-5 17:02:58 | 显示全部楼层 来自: 中国河北保定
就是固定底面用个多点联动夹紧机构。
发表于 2010-7-6 08:06:31 | 显示全部楼层 来自: 中国浙江杭州
是不是批量生产的啊
发表于 2010-7-6 08:16:54 | 显示全部楼层 来自: 中国山东青岛
这个我也感觉不需要做工装的,底部直接有四个固定孔。
发表于 2010-7-6 08:17:38 | 显示全部楼层 来自: 中国山东青岛
如果批量加工的话,有那种专门可旋转720度的钻孔设备,很好用。
 楼主| 发表于 2010-7-6 09:30:16 | 显示全部楼层 来自: 中国河北保定
是批量生产的。要得不是钻孔设备..是夹具体。没什么。谢谢各位哥
发表于 2010-7-6 10:27:41 | 显示全部楼层 来自: 中国福建厦门
做一个钻套就行了吧!
发表于 2010-7-6 13:42:14 | 显示全部楼层 来自: 中国四川资阳
可旋转720度的钻孔设备? 有参考图片么?
发表于 2011-5-5 16:42:52 | 显示全部楼层 来自: 中国浙江宁波
就定位基准来说。底面是最好的。。而且有孔可固定。。不用工装了~
发表回复
您需要登录后才可以回帖 登录 | 注册

本版积分规则


Licensed Copyright © 2016-2020 http://www.3dportal.cn/ All Rights Reserved 京 ICP备13008828号

小黑屋|手机版|Archiver|三维网 ( 京ICP备2023026364号-1 )

快速回复 返回顶部 返回列表