QQ登录

只需一步,快速开始

登录 | 注册 | 找回密码

三维网

 找回密码
 注册

QQ登录

只需一步,快速开始

展开

通知     

全站
7天前
查看: 2281|回复: 12
收起左侧

[已解决] 求解电子图原理,重金悬赏之五

 关闭 [复制链接]
发表于 2010-6-16 07:42:29 | 显示全部楼层 |阅读模式 来自: 中国上海

马上注册,结识高手,享用更多资源,轻松玩转三维网社区。

您需要 登录 才可以下载或查看,没有帐号?注册

x
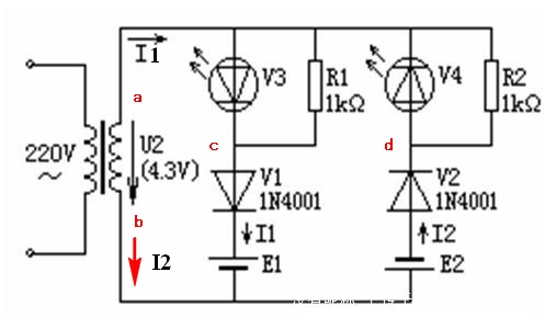
求解电子图原理,重金悬赏之五
$ f' F0 Q6 P! k- N2 ]9 K如图所示,是个电子图,麻烦那位哥们能帮我详细的讲讲这个图的原理。万望那位知道的能给于解答一下。详细解答者有100三维币的个人答谢。
pics_okstarzjj_1266748937.jpg
发表于 2010-6-16 08:53:37 | 显示全部楼层 来自: 中国福建龙岩
本帖最后由 linhuahualin 于 2010-6-16 08:57 编辑 # q3 s  Q. S4 P/ K& j+ y

" c+ ]+ Z( c' H* w这是个简易的充电电路,可以同时对两组总电压3V左右电池组充电.! S% a7 b5 R% c8 Z" U2 b+ W
  充电原理如下:
! N5 n' ~  _3 g2 X1 ~           在U2电源的正半波,a端为正,I1通过了→发光二极管V3和分流电阻R1→二极管V1整流,变成脉动直流电→对电池组E1充电→b.7 u7 a( q+ S: B, b) ]. P# I
           在U2电源的负半波,b端为正,I2通过了→电池组E1→二极管V2整流→发光二极管V4和分流电阻R2→a.7 ?+ Y+ B* ~& _1 u1 c& X
   U2的峰值电压为4.3×1.414=6.08V
( O# q8 _) H& X8 I5 c   发光二极管V3,V4压降约为2V, s7 j' ]4 s5 d# w; {( v( z
   硅整流二极管正向管压降约为0.7v
( d7 v" r8 b. m6 I8 N4 @" N1 ~   那么对电池充电的峰值电压=6.08-2-0.7=3.38V! V( i+ ]' m  M
因此,该电路可以对每组如E1为两节1.2~1.5V的可充电电池进行充电.
2.jpg

评分

参与人数 2三维币 +53 收起 理由
pangpang + 50 赏金
zhous_ch + 3 热情应助,奖励!

查看全部评分

发表于 2010-6-16 09:32:47 | 显示全部楼层 来自: 中国黑龙江牡丹江
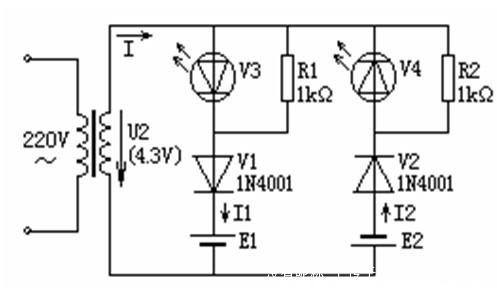
这是一个比较简单的充电电路。  工作过程是:市电经变压器降压后,当交流电正半周时经V3发光管和分流电阻R1 ,至整流二极管V1正极,经半波整流后给电池充电,V3发光管兼做充电指示。  同理负半周时电流经过电池  V2   V4  及电阻R2。

评分

参与人数 1三维币 +52 收起 理由
pangpang + 52 赏金

查看全部评分

发表于 2010-6-17 09:11:39 | 显示全部楼层 来自: 中国上海
属于基础级半波充电电路,一般电池线路的前级还应该加上滤波和稳压电路比较好,否则会充不满电.

评分

参与人数 1三维币 +52 收起 理由
pangpang + 52 赏金

查看全部评分

 楼主| 发表于 2010-6-17 21:30:36 | 显示全部楼层 来自: 中国上海
那照朋友的意思,这个电路图是应该怎么样的呢?
发表于 2010-6-18 08:28:30 | 显示全部楼层 来自: 中国广东汕头
本帖最后由 cylzwx 于 2010-6-18 08:31 编辑
9 V+ @# e: h; q0 y- z
' p9 W6 J6 N6 w9 j$ x一般对电池充电线路前要加稳压电路和恒流使电池不会过冲比较好.滤波电容可以不用.加滤波对充反差一点.
发表于 2010-6-18 10:03:26 | 显示全部楼层 来自: 中国江苏连云港
充电电路过于简单,没有自停或过充保护措施。
发表于 2010-6-18 10:27:55 | 显示全部楼层 来自: 中国福建龙岩
该电路是有过充保护或者说充饱自停的。当电池组电压大于或等于3.38V左右时,充电完成。主要是靠发光二极管来阻断充电回路(发光二极管在充电时起充电指示作用,不亮则充电完成)。此时由电阻R1或R2对电池进行浮充。
发表于 2010-6-18 19:53:56 | 显示全部楼层 来自: 中国湖北孝感
这是一个电池充电电路。
+ p0 |6 S9 K% ]3 h其中V1,V2为整流二极管,0 W/ j% ]4 l2 @
V3,V4为发光二极管,
! ]# M. c! L5 T5 D! q! iR1,R2为电阻,
0 r5 \: W- s7 e( ]5 q) FE1,E2为电池,
# ]% q# \5 s3 \$ C  P输入端为220/4.3的变压器。
) X) g1 `& C% R1 W/ V# g在U2的正半周时,V1,V3导通,电流流过V3,R1,V1,E1并对E1充电。+ |! j9 s/ \: p
在u2的负半周时,V2,V4导通,电流流过E2,V2,R2,V4并对E2充电。

评分

参与人数 1三维币 +52 收起 理由
pangpang + 52 赏金

查看全部评分

发表于 2010-6-19 14:21:25 | 显示全部楼层 来自: 中国广东汕头
本帖最后由 cylzwx 于 2010-6-19 14:22 编辑
7 y; P1 m! k) S: u8 w9 [! g' U% C% n3 S& ?. r* E" k
[quote]该电路是有过充保护或者说充饱自停的。当电池组电压大于或等于3.38V左右时,充电完成。主要是靠发光二极管来阻断充电回路(发光二极管在充电时起充电指示作用,不亮则充电完成)。此时由电阻R1或R2对电池进行浮充。, A. O$ U" D$ E, i
linhuahualin 发表于 2010-6-18 10:27 http://www.3dportal.cn/discuz/images/common/back.gif[/quote$ ?7 Z: A! w8 ?' I& y8 m% X
当输入电源电压误差±10%时,就是充不饱和过充就没有保护.

评分

参与人数 1三维币 +53 收起 理由
pangpang + 53 赏金

查看全部评分

发表于 2010-6-19 18:48:59 | 显示全部楼层 来自: 中国浙江绍兴
10# cylzwx
8 u1 \3 c0 i  m$ T9 n, D7 W    呵呵.这只是个简易的充电电容.主要是线路简单,成本低.能保证普通充电电池的充电要求.如果有类似的低成本简易充电电路,而又有完善的保护功能,那是再好不过了.

评分

参与人数 1三维币 +3 收起 理由
pangpang + 3 重在参予。应助。

查看全部评分

发表于 2010-6-23 18:16:56 | 显示全部楼层 来自: 中国广东深圳
这是一个模型化的的充电电路,实际的充电电路要比这个复杂.换句话说,这个电路没法直接应用于实际.主要原因一是半波整流后直接充电,充电电压纹波系数过大,无法保证电池质量;二是没有过充电保护之类的辅助电路,影响电池寿命的同时,也无法保护电路本身.

评分

参与人数 1三维币 +53 收起 理由
pangpang + 53 赏金

查看全部评分

 楼主| 发表于 2010-6-27 18:20:33 | 显示全部楼层 来自: 中国上海
本帖最后由 siemens70 于 2010-6-27 18:35 编辑 ) @+ L. W2 P: P$ K$ ^' v& [9 ?

3 ?% Y% s9 ^8 e; y9 n我明白了,谢谢,那位路过的版主帮我处理一下,奖励2、3、4、9、10、12楼的朋友每层三维币50个,钱从我这里扣

评分

参与人数 1三维币 -300 收起 理由
pangpang -300 支付赏金

查看全部评分

发表回复
您需要登录后才可以回帖 登录 | 注册

本版积分规则


Licensed Copyright © 2016-2020 http://www.3dportal.cn/ All Rights Reserved 京 ICP备13008828号

小黑屋|手机版|Archiver|三维网 ( 京ICP备2023026364号-1 )

快速回复 返回顶部 返回列表