QQ登录

只需一步,快速开始

登录 | 注册 | 找回密码

三维网

 找回密码
 注册

QQ登录

只需一步,快速开始

展开

通知     

查看: 1158|回复: 0
收起左侧

[求助] 高手帮忙解释下力士乐A7VO恒压变量泵的好处

[复制链接]
发表于 2010-6-13 18:27:08 | 显示全部楼层 |阅读模式 来自: 中国安徽马鞍山

马上注册,结识高手,享用更多资源,轻松玩转三维网社区。

您需要 登录 才可以下载或查看,没有帐号?注册

x
本帖最后由 wk1986ahut 于 2010-6-13 18:35 编辑
1 a6 N$ f/ o/ d; q6 E) h1 j* r0 X% Q5 X4 ]/ e# k, V
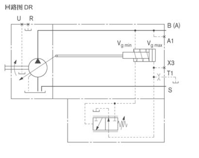
力士乐DR控制的A7VO恒压变量泵与普通泵的区别及它的好处!5 C9 V$ `0 g5 {* }9 x; p! X
谢谢了
QQ截图未命名.png
发表回复
您需要登录后才可以回帖 登录 | 注册

本版积分规则


Licensed Copyright © 2016-2020 http://www.3dportal.cn/ All Rights Reserved 京 ICP备13008828号

小黑屋|手机版|Archiver|三维网 ( 京ICP备2023026364号-1 )

快速回复 返回顶部 返回列表