QQ登录

只需一步,快速开始

登录 | 注册 | 找回密码

三维网

 找回密码
 注册

QQ登录

只需一步,快速开始

展开

通知     

查看: 2258|回复: 13
收起左侧

[讨论] 大家看一下两种平衡阀控制油缸的区别?

[复制链接]
发表于 2010-6-13 09:19:14 | 显示全部楼层 |阅读模式 来自: 中国上海

马上注册,结识高手,享用更多资源,轻松玩转三维网社区。

您需要 登录 才可以下载或查看,没有帐号?注册

x
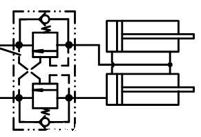
如图,看看两种平衡阀控制油缸的区别,请大家讨论一下。
1.JPG
2.JPG
发表于 2010-6-13 09:30:03 | 显示全部楼层 来自: 中国浙江杭州
都是双向平衡阀,图一是两腔,图二是四腔!
 楼主| 发表于 2010-6-13 09:45:41 | 显示全部楼层 来自: 中国上海
能具体说明  两者之间的差别
发表于 2010-6-13 16:38:43 | 显示全部楼层 来自: 中国福建厦门
图一只能靠一只平衡阀来控制两支油缸平衡的压力( `, Y& q( k: n/ Q# \- ]2 N7 J
图二是两支缸可以分开控制,互不影响
发表于 2010-6-13 18:54:33 | 显示全部楼层 来自: 中国山西大同
楼上正解。
 楼主| 发表于 2010-6-13 22:37:34 | 显示全部楼层 来自: 中国江苏苏州
如果两缸共推一个物体,对于共同控制和分开控制有什么区别?
发表于 2010-6-19 20:28:29 | 显示全部楼层 来自: 中国广东惠州
不是很懂,需要想大家学习哦,,
发表于 2010-6-20 00:37:43 | 显示全部楼层 来自: 中国内蒙古呼和浩特
没搞董,平衡阀我见过两种,其中一种中得溢流阀需要外控,如楼上;另外一种内控,请问两种区别???
发表于 2010-7-6 20:59:40 | 显示全部楼层 来自: 中国江苏泰州
本帖最后由 bsavage 于 2010-7-6 21:06 编辑
) T7 g; i8 {7 F" a) g- g
+ E. |2 U  H! s! o& F) |8# lszdyx
  Y, ^5 o" z( h( }* F0 t  R. r% }- C9 m) a1 N
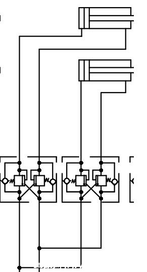
看两个油缸是不是同步,会不会因为串油影响到其他的
液压马达控制块.jpg
螺纹插装阀图片.gif
logo2.jpg
}PH_G{_XZM@($L1%$`I%[GR.jpg
K7$5SSD`CJZT$4D4FGF0WAD.jpg

评分

参与人数 1三维币 -3 收起 理由
柠檬咖啡 -3 不要做广告

查看全部评分

发表于 2010-7-8 22:06:44 | 显示全部楼层 来自: 中国广东广州
我能想到的只用一组平衡阀 的缺点 也只是 串油;8 L* m1 H5 h. A1 {
比如一缸受外力失控的情况下,可能拖着另一缸运动。4 q" w1 P. W. {& I* _! O5 v% m/ F
这只是猜想。不知道实际是怎样的
发表于 2010-7-10 21:48:34 | 显示全部楼层 来自: 中国北京
我们曾经遇到过楼主这种问题,实际经验是两个油缸用一个平衡阀控制比两个控制好些,两个阀的背压难以调的一致,而且即使一致当维修时也不方便!
发表于 2010-7-24 20:00:46 | 显示全部楼层 来自: 中国江苏泰州
6# 雨夜孤心
$ h& ^: E( }9 E& K0 y3 g3 d0 s- s共同推一个物体需要考虑同步,看你采用机械同步还是液压同步.如果要求部高可以考虑节流同步.
发表于 2010-8-6 20:33:27 | 显示全部楼层 来自: 中国辽宁鞍山
1# 雨夜孤心 呵呵 基本上没有什么区别把
7 U* s" {5 S( C8 y! n) [0 z就是 油液供油管路都是一个样的, 液压阀也是一样的
  j% _2 Y6 U8 G; @8 }1 t但是 从阀出来的油管不一样
, X" G) P8 \! p" p" a. w% m- X+ }一个是,分开,一个阀对应一个液压缸、
2 F& W+ ?4 J/ p9 M) P; k* S另一个  没有分开  两个阀一起对应 两个缸 : v4 x0 ^  {! [/ D) w8 e2 Y) ]

- X& |) {! x" F4 ~! x区别真的不是很大。功能也差不多啊
发表于 2010-8-7 20:19:08 | 显示全部楼层 来自: 中国重庆
本人从事多年液压油缸和各种气缸的生产设计和制造,现在生产一种刀具.具有镗孔滚压一次成型精度达到H9,光洁度可达镜面,设备只需普通车床加工即可,加工一只欧曼车翻转油缸缸筒【40X500】只需5分钟,加工一只南骏110举伸缸缸筒【110X840】只需九分钟。还可以生产各种缸头和附件。如有对该行业感兴趣的朋友可共同探讨,如需要该技术的可转让。联系电话  15086777518  王先生  qq274272433

评分

参与人数 1三维币 -5 收起 理由
柠檬咖啡 -5 严禁广告!

查看全部评分

发表回复
您需要登录后才可以回帖 登录 | 注册

本版积分规则


Licensed Copyright © 2016-2020 http://www.3dportal.cn/ All Rights Reserved 京 ICP备13008828号

小黑屋|手机版|Archiver|三维网 ( 京ICP备2023026364号-1 )

快速回复 返回顶部 返回列表