QQ登录

只需一步,快速开始

登录 | 注册 | 找回密码

三维网

 找回密码
 注册

QQ登录

只需一步,快速开始

展开

通知     

查看: 1221|回复: 3
收起左侧

[讨论] 铰接螺栓

[复制链接]
发表于 2010-6-12 18:47:18 | 显示全部楼层 |阅读模式 来自: 中国湖北鄂州

马上注册,结识高手,享用更多资源,轻松玩转三维网社区。

您需要 登录 才可以下载或查看,没有帐号?注册

x
求铰接螺栓型号规格尺寸!
发表于 2010-6-12 20:59:38 | 显示全部楼层 来自: 中国四川成都
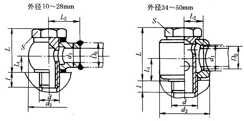
查看“JBT 999-1977 管接头用铰接螺栓”和“JB978-77-焊接式铰接管接头”。
发表于 2010-6-12 21:09:35 | 显示全部楼层 来自: 中国广东佛山
仅供急用参考!
铰接2.JPG
铰接1.JPG
发表于 2010-6-13 11:50:03 | 显示全部楼层 来自: 中国山西太原
国标活接螺栓是铰接用的:
活接螺栓.jpg
发表回复
您需要登录后才可以回帖 登录 | 注册

本版积分规则


Licensed Copyright © 2016-2020 http://www.3dportal.cn/ All Rights Reserved 京 ICP备13008828号

小黑屋|手机版|Archiver|三维网 ( 京ICP备2023026364号-1 )

快速回复 返回顶部 返回列表