QQ登录

只需一步,快速开始

登录 | 注册 | 找回密码

三维网

 找回密码
 注册

QQ登录

只需一步,快速开始

展开

通知     

查看: 1982|回复: 7
收起左侧

[已解决] TY80螺纹是什么螺纹啊?

 关闭 [复制链接]
发表于 2010-6-3 14:35:43 | 显示全部楼层 |阅读模式 来自: 中国广东广州

马上注册,结识高手,享用更多资源,轻松玩转三维网社区。

您需要 登录 才可以下载或查看,没有帐号?注册

x
各位高人TY80螺纹是什么螺纹啊?(起重件吊钩MMD型16号吊钩上的螺纹)还有,有没有螺纹的教程呀,给小弟上传一份吧
发表于 2010-6-3 14:51:49 | 显示全部楼层 来自: 中国上海
梯形圆螺纹
发表于 2010-6-3 16:57:24 | 显示全部楼层 来自: 中国江苏苏州
楼上,可否传一份详细说明,我不知道,想根着学习!!!
发表于 2010-6-4 11:00:12 | 显示全部楼层 来自: 中国山西太原
本帖最后由 gaoyns 于 2010-6-4 15:44 编辑 " h8 q9 @, O- A2 w" K2 z

% g& T. B) d! ^螺纹应为梯形螺纹,用传动力或力矩。/ d! m$ g9 v& J$ e' O
详细资料参见:化学工业出版社《机械设计手册》 第2卷  P5-22~28。
发表于 2010-6-4 14:49:43 | 显示全部楼层 来自: 中国江苏苏州
我国梯形螺纹量规标准存在缺陷,螺纹通端量规不控制工件螺纹底径的最大实体尺寸。用于重要场合需特别注意。
发表于 2010-6-4 15:09:53 | 显示全部楼层 来自: 中国上海
本帖最后由 lhf999 于 2010-6-4 15:26 编辑 ; E/ m8 l. ^# k# h% N
& V% r" e' c* D! g
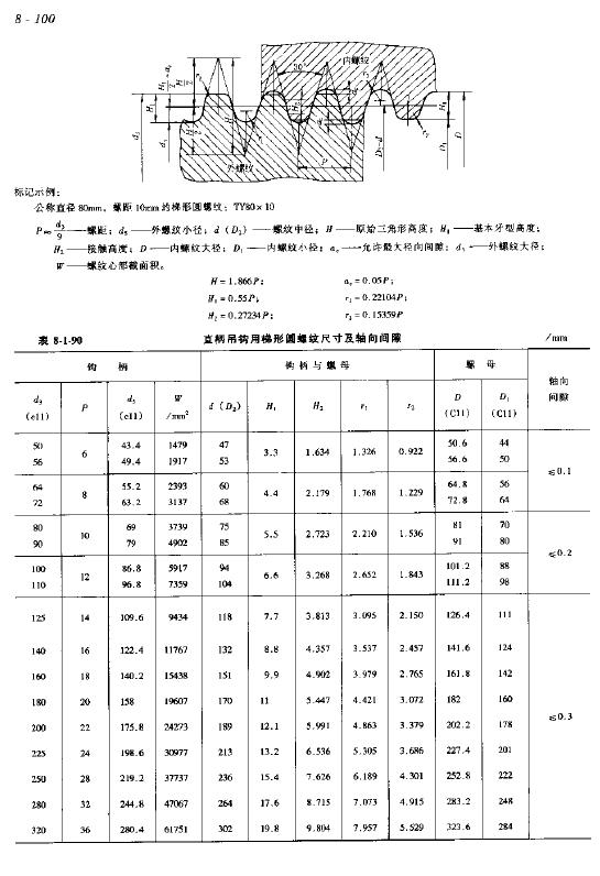
是梯形圆螺纹。设计手册上有的呀。
8 [9 U* ~  \7 ~5 i5 X+ g下面的图片摘自《机械设计手册》(单行本,化工2004)第8篇 《起重运输机械零部件》。# u( v. a$ o5 l- `) e! b
& ~* M. @4 q) o  M& B$ ?  s' e4 }7 y
这种专用螺纹标准见:GB 10051.5-88起重吊钩 直柄单钩- n) w6 C3 U9 e1 o* j
http://www.3dportal.cn/discuz/viewthread.php?tid=160373
ty.jpg

评分

参与人数 1三维币 +2 收起 理由
天际孤帆 + 2 技术交流

查看全部评分

 楼主| 发表于 2010-6-7 09:58:33 | 显示全部楼层 来自: 中国广东广州
太感谢大家了!管理员把求助改成已解决吧:)
发表于 2010-6-8 02:35:45 | 显示全部楼层 来自: 中国四川德阳
本帖最后由 fxl690209 于 2010-6-8 02:46 编辑 4 K8 o. X+ G' x
, o" u! g( Z: j2 V! W" Y% H8 O
支持6楼
发表回复
您需要登录后才可以回帖 登录 | 注册

本版积分规则


Licensed Copyright © 2016-2020 http://www.3dportal.cn/ All Rights Reserved 京 ICP备13008828号

小黑屋|手机版|Archiver|三维网 ( 京ICP备2023026364号-1 )

快速回复 返回顶部 返回列表