QQ登录

只需一步,快速开始

登录 | 注册 | 找回密码

三维网

 找回密码
 注册

QQ登录

只需一步,快速开始

展开

通知     

全站
1天前
查看: 2214|回复: 13
收起左侧

[求助] 挑战高手们的建模能力

[复制链接]
发表于 2010-5-29 22:35:48 | 显示全部楼层 |阅读模式 来自: 中国上海

马上注册,结识高手,享用更多资源,轻松玩转三维网社区。

您需要 登录 才可以下载或查看,没有帐号?注册

x
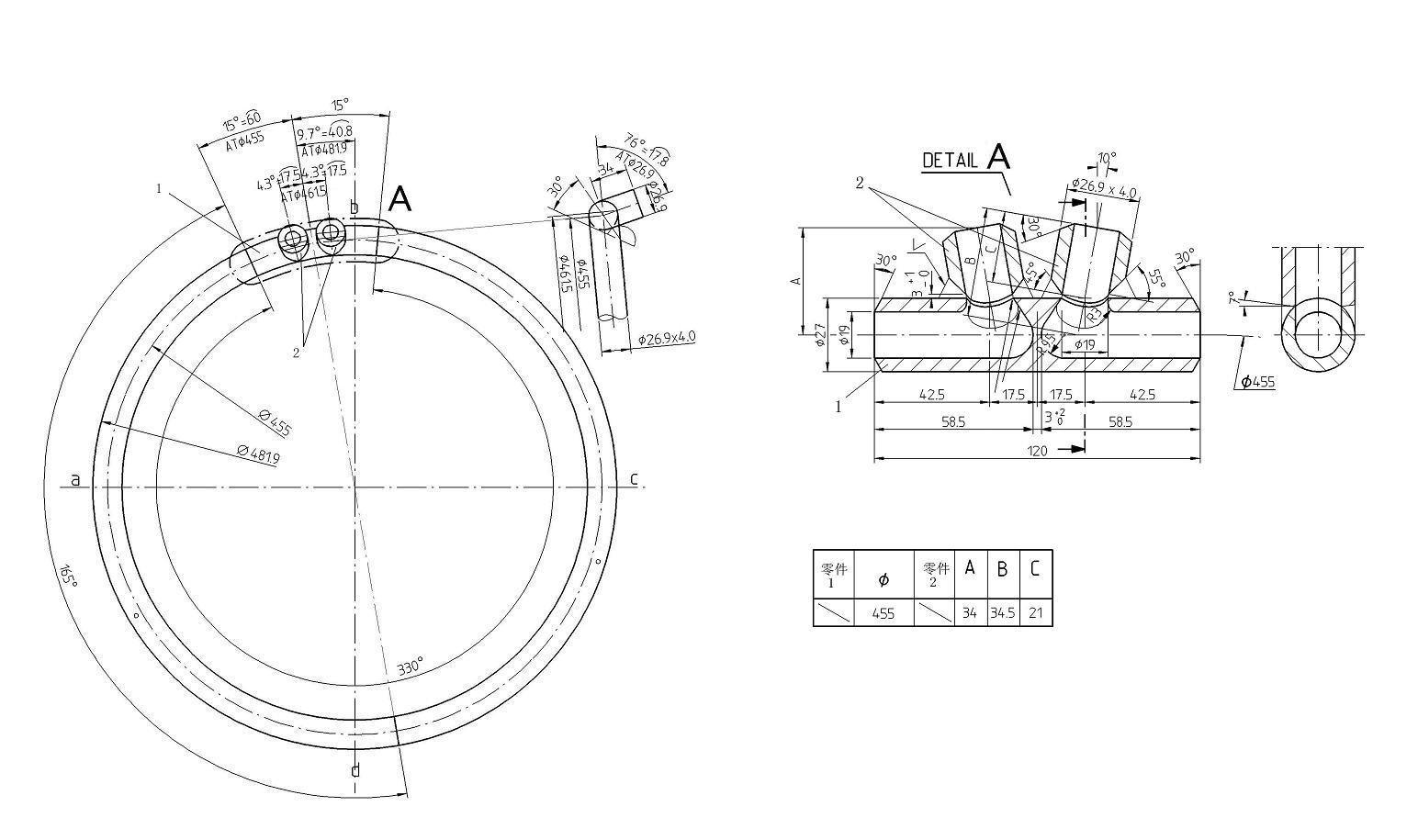
发张图看看这个论坛有多少人能画出此零件图,画出图的高手们请把SW的文件一并上传供大家学习研究!!谢谢! futu.jpg
发表于 2010-5-30 16:48:48 | 显示全部楼层 来自: 中国山东青岛
看得不是很清楚
发表于 2010-5-30 17:32:48 | 显示全部楼层 来自: 中国湖北宜昌
看不清楚,能有DWG格式的吗
 楼主| 发表于 2010-5-30 18:09:50 | 显示全部楼层 来自: 中国上海
不用DWG,直接点一下,下载图片就可以了!!
发表于 2010-5-30 18:52:30 | 显示全部楼层 来自: 中国安徽六安
这是两个什么件啊,光从图纸看,视图尺寸不全。搞不倒
发表于 2010-5-30 19:41:24 | 显示全部楼层 来自: 中国江苏南京
怀着一颗极其好奇的心 ,却没看清楚图纸,有点遗憾
发表于 2010-5-30 19:42:17 | 显示全部楼层 来自: 中国安徽淮南
自己辛苦一点画着玩吧,估计真正的高手,不会替你画的。
 楼主| 发表于 2010-5-30 20:36:56 | 显示全部楼层 来自: 中国上海
就是因为画不好,才会请高手帮忙" s2 ~; z3 A+ p& O1 ?* Y/ Z

* K9 x7 J, E/ r+ s. |; W不用DWG,直接点一下,下载图片就可以了!!) ~- b( ^' G$ ?# m9 L
不用DWG,直接点一下,下载图片就可以了!!4 [! v% }* Q- Z' _
不用DWG,直接点一下,下载图片就可以了!!1 A  w+ R& d" r, T; B: L# S; W# P
不用DWG,直接点一下,下载图片就可以了!!
 楼主| 发表于 2010-5-30 20:37:47 | 显示全部楼层 来自: 中国上海
这是两个什么件啊,光从图纸看,视图尺寸不全。搞不倒
& a* F+ F# S9 ^! D" h3 `yuxuelin1986 发表于 2010-5-30 18:52 http://www.3dportal.cn/discuz/images/common/back.gif
. }' ~2 {1 Y. m/ _: B

' p1 j4 D' \& g. q: N那个尺寸不全,请说明一下
 楼主| 发表于 2010-5-31 19:42:52 | 显示全部楼层 来自: 中国上海
没有人能画吗,论坛高手这么多,都不愿帮忙?
发表于 2010-6-1 16:44:24 | 显示全部楼层 来自: 中国河北邯郸
我也相信高手们不会替你画的
发表于 2010-6-1 16:57:55 | 显示全部楼层 来自: 中国北京
不是不全,是看不清,黑乎乎的一片。楼主还是把DWG图贴上来吧!
发表于 2010-6-1 18:16:54 | 显示全部楼层 来自: 中国湖北武汉
是啊··
) a* U, E# S) k2 C. E& n  很不清楚的,怎么能画得的出来的···
发表于 2010-6-22 20:04:58 | 显示全部楼层 来自: 中国湖北武汉
厉害了··: R$ }; H7 K' h& Q9 L+ |! ^
  好羡慕你们的能力啊!
发表回复
您需要登录后才可以回帖 登录 | 注册

本版积分规则


Licensed Copyright © 2016-2020 http://www.3dportal.cn/ All Rights Reserved 京 ICP备13008828号

小黑屋|手机版|Archiver|三维网 ( 京ICP备2023026364号-1 )

快速回复 返回顶部 返回列表