QQ登录

只需一步,快速开始

登录 | 注册 | 找回密码

三维网

 找回密码
 注册

QQ登录

只需一步,快速开始

展开

通知     

查看: 2389|回复: 18
收起左侧

[已答复] 钩形键的装配问题

[复制链接]
发表于 2010-5-29 15:42:06 | 显示全部楼层 |阅读模式 来自: 中国江苏无锡

马上注册,结识高手,享用更多资源,轻松玩转三维网社区。

您需要 登录 才可以下载或查看,没有帐号?注册

x
设计时碰到钩形键,钩形键带有1:100的斜度,轮毂的键槽也1:100的斜度,发现如果两个斜度顺着的话似乎敲不紧,另外,我看了一张图纸,似乎是两个斜度方向相反,这样的话我认为可以实现,请教有经验的朋友,实际究竟是怎样,谢谢。
发表于 2010-5-29 17:01:03 | 显示全部楼层 来自: 中国安徽淮南
上个图吧,楼主,不太明白你的顺与不顺。
发表于 2010-5-29 17:24:05 | 显示全部楼层 来自: 中国辽宁沈阳
一般轮或者轴一面使用有斜度的槽,另一面使用平槽。由于属于一般连接松动机率较多,不建议使用。
发表于 2010-5-29 19:07:02 | 显示全部楼层 来自: 中国北京
应该是顺着的。不紧可能是公差控制问题
发表于 2010-5-30 00:20:54 | 显示全部楼层 来自: 中国台湾
有沒東西可看 ,說這樣要節打有點難耶,能詳細一點嗎
 楼主| 发表于 2010-6-1 11:56:59 | 显示全部楼层 来自: 中国江苏无锡
本帖最后由 langhuan05 于 2010-6-1 15:49 编辑 0 Z2 ^; \' q+ H
# {2 U- y% Z( v0 h$ [* a
我来详细解释一下吧- o- J8 S+ x, j* }2 |3 y8 J/ E
首先,看一下机械设计手册上的介绍如图: W' o. ^$ E! ?
image002.jpg
. E2 J, Q0 Y1 ?) k" t# f9 h6 N, s1 P& o% X% y) S% \2 R& b. E' ]
image002.gif
1 r: N4 L( v9 \* n; s6 _4 y image004.gif
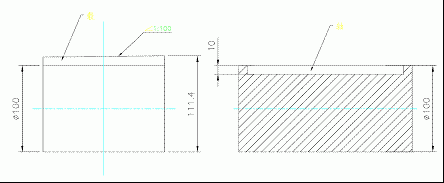
4 t. N% C( F% V6 l# B8 i0 I以轴径100为例) d3 I3 b( d' C6 v, b5 u& \6 o
由下图可知,孔毂的键槽应该是带1:100斜度的
; R5 R8 C& k- S1 K- M image002.gif
* s7 C) o& Q# W) C# v% U' D( u) X! K0 v/ t
现在CAD里将轮毂和钩形键分别作出来,以轴径100为例9 x2 `# x' K5 l1 F
image002.gif ( g# m7 H+ X% |0 O( ~* u
image002.gif 1 i6 l2 Z9 i4 _- s$ t. c* A0 A

  C% ?8 t1 i& n有兴趣的可以试试两种装配+ E: N6 @# q# k. c+ H- Y
1)钩形键和轮毂键的斜度一致,也就是顺着装
5 ?: B! y% U* O* \" {5 v$ O2)钩形键和轮毂键的斜度相反,也就是逆着装
1 K0 Q% ~# j' b5 @- `' V# ^会有什么结果呢?请比较下面两张图
: D) h: L' A( \3 B& I% g 逆.pdf (20.46 KB, 下载次数: 6)
 楼主| 发表于 2010-6-5 10:54:54 | 显示全部楼层 来自: 中国江苏无锡
自顶一下,希望关注
发表于 2010-6-7 13:36:50 | 显示全部楼层 来自: 中国黑龙江佳木斯
怎么装进去的呢?搞不清楚。
1.jpg
 楼主| 发表于 2010-6-7 16:39:22 | 显示全部楼层 来自: 中国江苏无锡
怎么装进去的呢?搞不清楚。
3 n8 z9 A9 d; P  y: u$ E  I' x0 wshifeng18 发表于 2010-6-7 13:36 http://www.3dportal.cn/discuz/images/common/back.gif

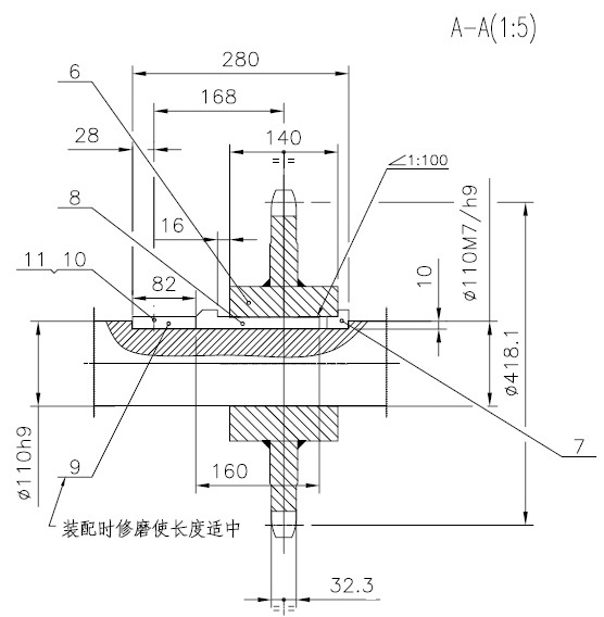
1 e5 x% y( O2 z. y对不起有一个错误,钩形键的长度160太长了,已经改短了,但不影响图反映的意思
发表于 2010-6-8 02:55:36 | 显示全部楼层 来自: 中国四川德阳
本帖最后由 fxl690209 于 2010-6-8 02:57 编辑 5 a* }, _  ~8 _7 K6 K$ @: B
) M$ E' g1 J, K, F
8# shifeng18 - p7 L! I6 Q/ p9 v/ o% |
从图中看,件7和件8是两个零件,这就好理解了,先将件7装在轴上后装件6,装件8到位后装件9.
发表于 2010-6-8 06:13:18 | 显示全部楼层 来自: 中国辽宁沈阳
楼主6#图示的钩形键图,为标准装配(顺)方式。若感觉不够紧,多为配合尺寸不合适,可作修正。- u9 S% _* k) P4 @& p0 {' [
若按楼主所叙,所谓的“逆着”装是不合适的。刚装上后,手感可能没问题。但连续使用后,很容易锁不住。
 楼主| 发表于 2010-6-8 12:33:59 | 显示全部楼层 来自: 中国江苏无锡
本帖最后由 langhuan05 于 2010-6-8 12:43 编辑 - ~0 l* a7 e& R" Q  A3 ?' n
楼主6#图示的钩形键图,为标准装配(顺)方式。若感觉不够紧,多为配合尺寸不合适,可作修正。
3 R/ g& @6 u6 C5 G8 o" G若按楼主所叙,所谓的“逆着”装是不合适的。刚装上后,手感可能没问题。但连续使用后,很容易锁不住。
4 o6 Q  `; N2 M: g点识 发表于 2010-6-8 06:13 http://www.3dportal.cn/discuz/images/common/back.gif

' U" p) S/ n* q) U' Q/ s有道理,如果顺装是正确的话,感觉这个标准是有问题了?
8 {+ i4 t. u4 z: w9 l我认为逆装可行也是基于这个标准给出的数值矛盾了,后来考虑,也许钩形键和轮毂键槽配合,通过外力可以产生一些塑性变形,毕竟1:100的斜度是很小的,只要外力足够,产生微小的变形似乎不难,而且,可以产生紧密贴合的效果- v$ }8 d# p% n5 C
2 u4 u; T* H; D
示例图是外国某公司的,不知看了没有9 ~" r2 I+ Y( u1 w+ V/ ~

; y+ U4 u2 t& r: h2 a/ B+ `等到实际装配的时候,我会去现场关注这个问题,到时会说明一下结果。
发表于 2010-6-8 12:58:01 | 显示全部楼层 来自: 中国黑龙江佳木斯
本帖最后由 shifeng18 于 2010-6-8 13:03 编辑 / u+ g9 i* T: f$ V/ h# |

4 S& U, Y# \0 K7 a8#图即为逆装图。按尺寸差1毫米呢,能装进去吗?. [' I  f/ c" Y9 C2 K0 g; b" _" S( k+ w! P
这种键一般在农机中有应用,其它行业几乎没有。所以建议不用为佳。
发表于 2010-6-9 10:12:56 | 显示全部楼层 来自: 中国天津
钩头契键就是靠上下两面的正压力产生的摩擦力来工作的,因而契键的上面1:100的斜面必定与轮毂的斜面匹配,只能是顺着装!
 楼主| 发表于 2010-6-11 12:10:10 | 显示全部楼层 来自: 中国江苏无锡
本帖最后由 langhuan05 于 2010-6-11 12:11 编辑 . l- ^0 ^% q  P/ c4 ]
钩头契键就是靠上下两面的正压力产生的摩擦力来工作的,因而契键的上面1:100的斜面必定与轮毂的斜面匹配,只能是顺着装!1 Z  ]9 G, T! C0 w: e2 v
z-xinjing 发表于 2010-6-9 10:12 http://www.3dportal.cn/discuz/images/common/back.gif

  s& |; b* o" V8 S7 P请认真研读再来讨论这个问题,GB/T1563和1565标准很难自圆其说,我认为
发表于 2010-6-11 13:11:22 | 显示全部楼层 来自: 中国黑龙江佳木斯
本帖最后由 shifeng18 于 2010-6-11 13:19 编辑 9 [& ?4 [% Y. d5 w* H
3 H& \) \: O$ |# B. Y
“后来考虑,也许钩形键和轮毂键槽配合,通过外力可以产生一些塑性变形,毕竟1:100的斜度是很小的,只要外力足够,产生微小的变形似乎不难,而且,可以产生紧密贴合的效果”
3 y' h' h3 E  w- S  e正是这样。
, w5 ^7 _1 k4 O! C安装时轴、毂槽对齐再将键插进,用锤击钩头,将键打进轴、毂槽内。它就是利用弹性变形使得键固定轴、毂槽内。拆卸时用钢片塞进钩头靠轴一端锤击钢片将键卸下来。
' ^2 I9 C# R' {3 F如果负载遇到阻力就将破坏键的弹性变形力,常使得键与槽紧固状态改变为有间隙状态并顺斜面将键吐出。所以只有农机行业为了适应农村没有工具及维修条件才使用这种键。
 楼主| 发表于 2010-6-12 13:16:48 | 显示全部楼层 来自: 中国江苏无锡
“后来考虑,也许钩形键和轮毂键槽配合,通过外力可以产生一些塑性变形,毕竟1:100的斜度是很小的,只要外力足够,产生微小的变形似乎不难,而且,可以产生紧密贴合的效果”
. j6 q& y" W' Y3 g9 w正是这样。
) q0 @7 V. o/ X安装时轴、毂槽对齐再将键插 ...
9 f' j& q  K) b3 m; ishifeng18 发表于 2010-6-11 13:11 http://www.3dportal.cn/discuz/images/common/back.gif

* L2 a" t$ G  Q, n; _# H+ J0 s3 _0 t. c% c: T3 Q! q! r
我们从事冶金行业,冶金行业设备做得一般都比较扎实,精度要求不是太高,当然还要看具体情况了。
发表于 2010-6-15 08:02:10 | 显示全部楼层 来自: 中国黑龙江佳木斯
返回看到了你的帖子。
7 E% F- S; B8 U, |; q冶金行业设备一般功率较大,因为一般连续生产要求生产过程中设备不能检修,杜绝损坏。钩头键在这种环境使用不合适。应该采用平键。
 楼主| 发表于 2010-6-15 21:18:24 | 显示全部楼层 来自: 中国江苏无锡
返回看到了你的帖子。" I4 R% n" I/ C1 Y) O! L
冶金行业设备一般功率较大,因为一般连续生产要求生产过程中设备不能检修,杜绝损坏。钩头键在这种环境使用不合适。应该采用平键。* M1 Y% _% L4 \" z
shifeng18 发表于 2010-6-15 08:02 http://www.3dportal.cn/discuz/images/common/back.gif
4 L2 G# g8 C! x/ l( W# z! j  |
3 x+ y# Z- f4 c' F& L! j5 i
你说的也不无道理,但钩形键可以使轮毂紧紧地抱合轴,特别是用于5~6米的重载长轴,如果采用很紧的配合,装配和定位会带来很大困难,故采用钩形键是比较好的选择,典型例子是机械冷床的偏心轮装配,有兴趣可以去研究一下。
) w( y0 H9 D" g4 J/ |还有,损坏是必然的,没有哪一件东西能够永远金刚不坏,结合实际情况,可以将重要零件的使用寿命设计长一些,这是一般可行可靠的思路。
发表回复
您需要登录后才可以回帖 登录 | 注册

本版积分规则


Licensed Copyright © 2016-2020 http://www.3dportal.cn/ All Rights Reserved 京 ICP备13008828号

小黑屋|手机版|Archiver|三维网 ( 京ICP备2023026364号-1 )

快速回复 返回顶部 返回列表