QQ登录

只需一步,快速开始

登录 | 注册 | 找回密码

三维网

 找回密码
 注册

QQ登录

只需一步,快速开始

展开

通知     

全站
7天前
查看: 2169|回复: 6
收起左侧

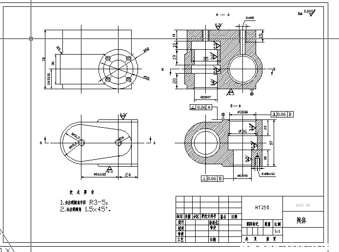
[已解决] 帮忙看一下这个阀体怎么设计夹具?

[复制链接]
发表于 2010-5-14 20:02:08 | 显示全部楼层 |阅读模式 来自: 中国江西吉安

马上注册,结识高手,享用更多资源,轻松玩转三维网社区。

您需要 登录 才可以下载或查看,没有帐号?注册

x
要开始搞一个阀体”零件机械加工工艺及4-M6螺纹底孔钻夹具设计 课程设计  菜鸟  所以来向大侠们请教   不吝赐教    阀体1.rar (60.6 KB, 下载次数: 3)

评分

参与人数 1三维币 +3 收起 理由
洪哥 + 3 鼓励内容完整求助帖

查看全部评分

发表于 2010-5-14 21:30:34 | 显示全部楼层 来自: 中国江苏南京
钻模最好做,以孔和端面定位,加上一个钻模板和一个分度底座即可。

评分

参与人数 1三维币 +3 收起 理由
洪哥 + 3 感谢帮助

查看全部评分

 楼主| 发表于 2010-5-14 22:15:00 | 显示全部楼层 来自: 中国江西吉安
可否发一个图看看
发表于 2010-5-14 22:54:30 | 显示全部楼层 来自: 中国辽宁阜新
先加工好台阶大孔,做一钻模钻孔:以大孔和端面定位,两侧外形对齐确定4个M6螺孔的角度

评分

参与人数 1三维币 +3 收起 理由
洪哥 + 3 感谢帮助

查看全部评分

发表于 2010-5-21 21:16:35 | 显示全部楼层 来自: 中国江苏无锡
用两块板做成L型就搞定了。按上面的思路很简单的。L板其中一面内侧上做个圆心突台和工件中间的大孔配合。周围按尺寸打上钻模孔。突台可以给螺孔的圆心定位。通过L板另一面与工件侧面平行来限制角度就可以了。

评分

参与人数 1三维币 +3 收起 理由
洪哥 + 3 感谢帮助

查看全部评分

 楼主| 发表于 2013-5-25 22:03:14 | 显示全部楼层 来自: 中国浙江杭州
学习受教了 很好

评分

参与人数 1三维币 +3 收起 理由
洪哥 + 3 有始有终

查看全部评分

发表于 2013-5-26 10:55:16 | 显示全部楼层 来自: 中国浙江湖州
大概是听明白了不过有图纸最好
发表回复
您需要登录后才可以回帖 登录 | 注册

本版积分规则


Licensed Copyright © 2016-2020 http://www.3dportal.cn/ All Rights Reserved 京 ICP备13008828号

小黑屋|手机版|Archiver|三维网 ( 京ICP备2023026364号-1 )

快速回复 返回顶部 返回列表