QQ登录

只需一步,快速开始

登录 | 注册 | 找回密码

三维网

 找回密码
 注册

QQ登录

只需一步,快速开始

展开

通知     

查看: 2137|回复: 22
收起左侧

[已解决] 帮帮小弟

 关闭 [复制链接]
发表于 2010-5-14 15:43:09 | 显示全部楼层 |阅读模式 来自: 中国湖北武汉

马上注册,结识高手,享用更多资源,轻松玩转三维网社区。

您需要 登录 才可以下载或查看,没有帐号?注册

x
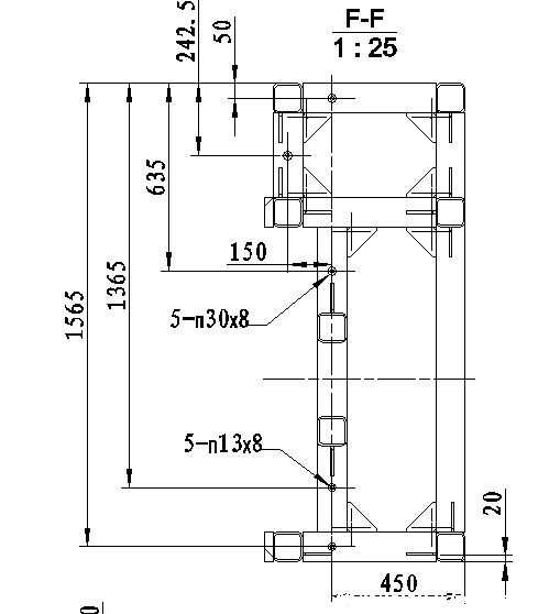
各位前辈,这图纸中标示 6-n40X20 是什么意思啊?$ ]7 \! r- R" {
管螺纹?英制螺纹?
发表于 2010-5-14 16:56:26 | 显示全部楼层 来自: 中国上海
最好传上图纸
 楼主| 发表于 2010-5-14 17:09:51 | 显示全部楼层 来自: 中国湖北武汉
就是这两处
2.JPG
1.JPG
发表于 2010-5-14 19:41:39 | 显示全部楼层 来自: 中国江苏常州
这个要联系全图看,不外是数量、直径之类。
发表于 2010-5-14 20:48:58 | 显示全部楼层 来自: 中国山东临沂
楼主把真个附件都长传看看算了,这样还是看不明白
发表于 2010-5-15 06:12:43 | 显示全部楼层 来自: 中国湖南长沙
不是国标标注方法,最好问问客户,
 楼主| 发表于 2010-5-15 08:14:25 | 显示全部楼层 来自: 中国湖北武汉
各位大侠帮忙看下,附件中是全部图纸。

1.rar

304.16 KB, 下载次数: 5

 楼主| 发表于 2010-5-15 10:17:18 | 显示全部楼层 来自: 中国湖北武汉
礼拜六,联系不上客户。见鬼!
& A, F, ~6 s. `) l' f% e我觉得,或者说猜测:# I/ \- e  p, q% E5 R
是不是设计员把∮这个字符打不出来,用n代替?后面跟个20是不是代表孔深?
- B9 }* x  B' Y+ w$ o, g; z) Y* F6-n40X20   6处孔,直径40深度20
) ]' J$ Y$ m5 k) X各位大侠,我这猜测准确么?
发表于 2010-5-15 11:17:13 | 显示全部楼层 来自: 中国湖北武汉
图形文件无效!!!!
 楼主| 发表于 2010-5-15 11:51:33 | 显示全部楼层 来自: 中国湖北武汉
9# jaychou315
6 \9 L8 O5 b' b, N9 r4 D3 ]# \; T. @4 E! E) h0 z* Q- S: U. Q# ?7 [
DWG格式的图档,怎么会呢?
发表于 2010-5-15 12:32:44 | 显示全部楼层 来自: 中国江苏常州
这个东西还是确认一下比较好,不要凭空想象
发表于 2010-5-15 12:33:27 | 显示全部楼层 来自: 中国天津
就是写错了吧
 楼主| 发表于 2010-5-15 13:05:54 | 显示全部楼层 来自: 中国湖北武汉
谢谢各位帮助,待与客户确认后,再来告知大家!
" n$ ]( I$ W* Y& n5 ]谢谢
发表于 2010-5-15 16:19:03 | 显示全部楼层 来自: 中国台湾
......各位大侠,我这猜测准确么?' B" O& I8 N. I8 N% @
FJL0929 发表于 2010-5-15 10:17 http://www.3dportal.cn/discuz/images/common/back.gif

3 S/ u! I7 N* e. e, e∮打不出来可用DODID代替;猜是危险行为!!
发表于 2010-5-16 07:46:48 | 显示全部楼层 来自: 中国山东烟台
深有体会,在使用AutoCAD过程中,字体不对的时候就出现“n”代替“∮”
发表于 2010-5-16 07:55:56 | 显示全部楼层 来自: 中国山东烟台
最好不要猜测,应该和客户联系
 楼主| 发表于 2010-5-18 08:46:53 | 显示全部楼层 来自: 中国湖北武汉
与客户联系,确实是“∮” 图纸其他部分也有类似的字符错误:: o9 M9 P2 p* g/ V
1 “∥”显示“e”9 d0 L7 t. v0 q( ^7 J
2 “—”显示“f”.....等% Z% F: ^8 O. `6 L2 [
请问各位,这个会不会是使用的软件不一样,转换出现的问题呢?
% V  \. \( i0 [- p7 t客户提供的是DXF 文件,我用AcmeCADConverter打开的。
发表于 2010-5-18 09:36:05 | 显示全部楼层 来自: 中国广东佛山
与客户联系,确实是“∮” 图纸其他部分也有类似的字符错误:5 J- m5 Q3 L" c" J! W
1 “∥”显示“e”0 k8 Q7 f% ~  {
2 “—”显示“f”.....等9 i- u5 A2 C- U: t' L
请问各位,这个会不会是使用的软件不一样,转换出现的问题呢?3 u# k* W8 M% L- h) I
客户提供的是DXF 文件,我用AcmeCADCon ...+ I0 t& Z5 P# g: S$ e3 l
FJL0929 发表于 2010-5-18 08:46 http://www.3dportal.cn/discuz/images/common/back.gif
应该是不同版本间字库不兼容问题.
发表于 2010-5-18 14:15:49 | 显示全部楼层 来自: 中国安徽合肥
还是问问客户,标注风格不同啊
发表于 2010-5-18 14:19:03 | 显示全部楼层 来自: 中国安徽阜阳
应该是字库或者版本的问题.有时候甚至打不开
发表于 2010-5-19 11:18:08 | 显示全部楼层 来自: 中国湖南株洲
也许就是CAD中的一乱码.
发表于 2010-5-22 12:55:26 | 显示全部楼层 来自: 中国浙江宁波
6-n40X20   6处孔,直径40深度20$ L; K* \$ o. R' g" _
n代表直径。
5 M4 @5 y! {6 q9 F$ c% p4 ?+ B2 G上次客户给我司的图纸也是用n表示直径的
发表于 2010-5-24 18:39:31 | 显示全部楼层 来自: 中国广东广州
呵呵,一场误会,还真没见过这个标注。
发表回复
您需要登录后才可以回帖 登录 | 注册

本版积分规则


Licensed Copyright © 2016-2020 http://www.3dportal.cn/ All Rights Reserved 京 ICP备13008828号

小黑屋|手机版|Archiver|三维网 ( 京ICP备2023026364号-1 )

快速回复 返回顶部 返回列表