QQ登录

只需一步,快速开始

登录 | 注册 | 找回密码

三维网

 找回密码
 注册

QQ登录

只需一步,快速开始

展开

通知     

查看: 1928|回复: 10
收起左侧

[已答复] 求助图示零件如何加工比较好一点

[复制链接]
发表于 2010-5-14 11:38:07 | 显示全部楼层 |阅读模式 来自: 中国浙江杭州

马上注册,结识高手,享用更多资源,轻松玩转三维网社区。

您需要 登录 才可以下载或查看,没有帐号?注册

x
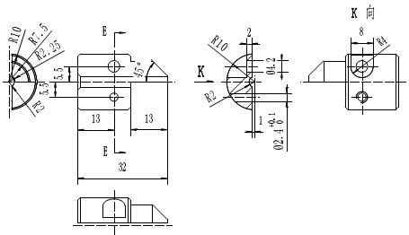
求助图示零件如何加工比较好一点,要求材质为45#钢,现在主要是批量加工问题,本来用机械加工方法加工的,但现在批量都是5万个左右,请大家帮我看看用什么方法加工比较好,或者介绍一下有没有合适的厂家,谢谢

沉孔.pdf

19.26 KB, 下载次数: 7

发表于 2010-5-14 17:06:32 | 显示全部楼层 来自: 中国上海
应该直接把图贴出来啊
发表于 2010-5-14 20:35:34 | 显示全部楼层 来自: 中国山东临沂
楼主要是求助的话发的东西就别要流量了
发表于 2010-5-14 21:01:21 | 显示全部楼层 来自: 中国江苏南京
下载看图后认为用板材冲裁后机加工较好。
发表于 2010-5-14 21:30:05 | 显示全部楼层 来自: 中国山西太原
这个零件是半片,可两个整体作。+ k  Y& Z3 r" Q% @/ V
1  先车外形及打中心内孔。 2  划线、铣平台窝,钻孔。 3  用厚1.5mm锯片铣刀铣开两半,将铣出的平面铣成距中心面1mm。4  铣凸出齿部分。 5  攻丝。
零件.jpg

评分

参与人数 1三维币 +3 收起 理由
天际孤帆 + 3 谢谢贴图及应助

查看全部评分

发表于 2010-5-14 21:45:07 | 显示全部楼层 来自: 中国江苏常州
下载看图后认为用板材冲裁后机加工较好。
8 P) ?2 H( i5 Hzpc64 发表于 2010-5-14 21:01 http://www.3dportal.cn/discuz/images/common/back.gif
) I9 }4 P( A' P: n
板材?棒料吧。
发表于 2010-5-14 21:48:35 | 显示全部楼层 来自: 中国江苏常州
5楼方案基本可行,但批量大,不适合划线,靠设备工装保证。
发表于 2010-5-15 06:06:45 | 显示全部楼层 来自: 中国湖南长沙
5楼方案可行
发表于 2010-5-15 12:46:45 | 显示全部楼层 来自: 中国江苏常州
7# ftgww123 言之有理,顶你

评分

参与人数 1三维币 -3 收起 理由
天际孤帆 -3 请首先阅读版规,技术交流性网站,支持技术交流,这样的顶帖没有什么必要

查看全部评分

发表于 2010-5-22 14:47:14 | 显示全部楼层 来自: 中国山东济南
这个零件是半片,可两个整体作。
! J2 W, X6 t# _* a7 g9 U1  先车外形及打中心内孔。 2  划线、铣平台窝,钻孔。 3  用厚1.5mm锯片铣刀铣开两半,将铣出的平面铣成距中心面1mm。4  铣凸出齿部分。 5  攻丝。5 ^7 j" N" x9 ^& P2 b* q
gaoyns 发表于 2010-5-14 21:30 http://www.3dportal.cn/discuz/images/common/back.gif

5 g! j2 C9 s) _$ i  @8 S' O2 [' T9 V. P3 P" u# F1 F
3 用线切割切成两半怎么样?1 J+ ?- Y! X+ g3 N6 Z& D% g3 m

# L3 l# M2 h+ b楼主求助还要大家支付流量,牛 哈哈
 楼主| 发表于 2010-5-31 15:10:20 | 显示全部楼层 来自: 中国浙江杭州
非常感谢大家的建议,现在用的加工方法基本上和5楼的差不多,但我想有没有更简单的加工方法来实现批量加工呢,是否可以用模具成形, 另外真不好意思,我不是想让大家支付流量的,只是那天不知道怎么也贴不上图片,所以才不得不转换成PDF格式的,请谅解,谢谢大家
发表回复
您需要登录后才可以回帖 登录 | 注册

本版积分规则


Licensed Copyright © 2016-2020 http://www.3dportal.cn/ All Rights Reserved 京 ICP备13008828号

小黑屋|手机版|Archiver|三维网 ( 京ICP备2023026364号-1 )

快速回复 返回顶部 返回列表