QQ登录

只需一步,快速开始

登录 | 注册 | 找回密码

三维网

 找回密码
 注册

QQ登录

只需一步,快速开始

展开

通知     

全站
10天前
查看: 1871|回复: 4
收起左侧

[求助] 圆柱蜗杆减速器

[复制链接]
发表于 2010-5-9 13:49:58 | 显示全部楼层 |阅读模式 来自: 中国江苏南京

马上注册,结识高手,享用更多资源,轻松玩转三维网社区。

您需要 登录 才可以下载或查看,没有帐号?注册

x
本人毕业设计要做个减速器    参数基本算出来了。不知道图怎么画,哪位高手指教··
& R7 `" @6 v: ?' F2 H8 O2 J
序号
  u1 ?& t/ o/ C! G3 d) x  @
名称

7 E& G6 N& D4 G0 g& V) `
代号
6 `5 a  K" m, g6 o: B
关系式
6 N; d7 }9 ?  H7 M  d
结果
/ a! W* O& `, @6 \& S
1
! x2 q( i' M$ r3 ]: f5 N, e) B
中心距
2 j, ~! q6 Q3 C: H
a
0 q- B- X, L0 M+ z. u
a=(d1+d2+2x2m)/2

& n5 u% }' O/ V1 @& P, Q' w
40mm
. h6 B/ Q$ {, {$ H! P" [
2

8 f6 O; _. r3 \7 {' }/ _- r6 t& m7 A
蜗杆头数
1 g8 u1 C) j- f9 m& G+ v+ @! t
z1

6 z- P% S7 A  j9 J
-

# K: W$ F# `* B- O) T6 f
1

' L$ H2 W% w7 B2 L+ I2 d' a! M
3
  H2 G7 b8 p! K( K! v
蜗杆齿数

2 Q9 z- {: D" D  U+ g1 L# U
z2
5 U3 k7 S9 q) W6 I8 f
z2=iz1

- ]$ x  }* P" [7 Z! f! ~
49
2 Z# J  f0 o" |& [/ T% r' L5 G
4
# R# Q3 E/ n2 M- A
齿形角

. s* D$ y! p' b3 b' R0 F3 q
a

( J( K' p1 w. p4 a  j, m' }( [2 K
ax=20°或an=20°

) |$ r- X- C: v9 d+ h+ I$ i' S. N& y; ^
20°

( _4 C7 x3 r" R2 R$ X; [
5

' G. ]* E1 J, C1 q2 I5 T
模数

2 T& v# I  w" p9 I5 z& c. ]' Z
m

! d* A. T0 k3 R! M
m=mx=mn/cosγ

  z/ C: ]& O+ h" C6 j+ u9 Y8 C& y
1.25

( o/ g) \" z' }5 z0 |2 U
6

1 H' p! i$ U* @  p7 ~
传动比

4 H* V: ]. _7 ^& D  J' _& j
i

' s; |. p2 J. U& Q0 a3 _
i=n1/n2
% [: z! _1 X; a* v. F+ u
49

9 t$ I9 x" `) y6 w5 l
7

8 G1 h% f+ K/ e
齿数比

9 I. u8 @4 h# b' U2 H# _3 m
u

; M0 q! _/ Z' w0 ]" u+ s5 |
u=z2/z1

% f4 K, B8 Y) h; B' l( L" C
49
- h- A- `3 R9 v2 {7 V* T/ W
8

8 G7 P$ N. A) h7 J6 l6 w9 T2 D
蜗轮变位系数

& \& v4 C+ Z# K* r( @
x2
& d' M7 N' p& O% b& J* D' g$ `
x2=a/m-(d1+d2)/2m
8 `' ^* [0 {% C' V- J; L5 p
-0.500

5 G3 i# t/ M  s1 V
9
# B" ]# c' R4 K6 ?- s
蜗杆直径系数

* U; y! P; T% J/ ?/ C( ^5 [* k
q
4 {- J& \2 I* S9 i, v/ `8 K
q=d1/m
0 ]. W0 G& H! b. O& n0 Q/ D
16
5 B4 j% a& Q3 H. L$ C( o6 [
10
) c9 Y. @" ^' S( S0 Y/ J$ Q6 t4 v* B6 P
蜗杆轴向齿距
0 }) x& s6 j9 w
px

3 @9 z! {$ V1 |) O. t
Px=πm

! W- i: d9 h: A5 m# ?
3.925
. ?! g3 }1 `# C0 ?* w. G
11
/ [) \# }: }/ o* b
蜗杆导程

7 f: d- H1 q2 @: R4 u4 d( ]
pz
+ t3 u2 y  V5 U" J% E( }
pz=πmz1

! J+ H; K( N! p' ~0 a, P9 H
3.925

% `8 l$ O$ G( @6 F. i
12

4 @& S# B! ^) O0 Z$ k
蜗杆分度圆直径
6 m3 v' H% r4 c# d. D
d1

) H/ x' O% [8 ?# ?4 t& o1 R3 B9 r
d1=mq

4 D0 K% R- U, a; {0 W4 f, D0 r
20
# g& [" |* p1 o1 W1 L
13

" Y/ s6 i6 E3 ^7 |0 q6 j" b3 i
蜗杆齿顶圆直径
9 U; y" [, x1 q
da1

7 w3 A/ K. \6 @
da1=d1+2ha1=d1+2ha*m
2 g% n, R" [( M* Y7 l
22.5
6 A8 S0 d% a/ P) X, j  F# z$ j
14

6 C7 y7 r. F/ ]6 n! U6 ]& Z
蜗杆齿根圆直径

3 s$ x; ~" S- n8 C7 n
df1

9 Q# n0 d: x% s+ G7 ~/ g
df1=d1-2hf1=d1-(2ha*m+c)
  G, f& X' s0 l
17
; t2 a2 V7 _8 L( M6 B8 |
15

& ^$ ?! ?! l7 e: p
顶隙
  q2 g- x8 h9 k2 E, d) L  G
c

2 d4 b, a1 q/ H, T6 ]; r" O
c=c*m
$ u( p$ @  I& w3 n
0.25

6 C" G, B3 n' M
16
. T5 k3 j9 ^2 T2 M6 v" h* m3 g4 s
渐开线蜗杆基圆直径

  }2 R1 L" h" [0 h$ C+ U/ F* f+ u
db1

1 y7 u( o/ ?& {
db1=d1tanγ/1tanγb=mz1/1tanγb
7 ?( c9 ^* m- n5 ]6 [& v4 B

; K0 S* L/ d( S! M" X
17
, [* D9 `( N& @# o3 H3 W/ Y. @% i9 F
蜗杆齿顶高

6 v& {" i8 O7 C5 Y, q! }. l/ p" [
ha1
- A4 ?4 ^/ o6 F; _# e
ha1=ha*m=(da1-d1)/2
! t7 Y; p# F* U/ ]4 l" I9 _$ D& e
1.25
4 @3 f! J5 o: i8 D
18

0 Q1 I+ F; b( H8 ^% P" P9 H
蜗杆齿根高

1 F9 f3 r. ]9 I# Q  z, b9 [+ l
hf1
% s8 A* o4 K2 h+ ]2 Q6 E$ X& V
hf1=(ha*+c*)m=(d1-df1)/2
; D9 P3 d: v/ T; r4 B1 j( V
1.5
6 ?. U) }0 Y3 n" z) \
19

( G7 q$ |& ?5 g# n. v
蜗杆齿高

! O8 C' B0 r7 [+ x1 o" w6 t
h1
- {& E& y. r: l) t
h1=ha1+hf1=(da1-df1)/2
, T; k8 I, t2 `5 i; c9 E% z3 |
2.625
0 L4 T& ^7 B- P. `
20
6 P7 S: [3 B0 n" T* d& d1 K
蜗杆导程角

, w& N: Y2 K1 F8 W
γ
, E- [! z; Z. @% y4 N2 _, d
tanγ=mz1/d1=z1/q
$ k, Q7 D3 K7 a) ~# }- _
3.576°
& W6 A2 R) W6 N, n
21

( ^; ^& S6 I' c% {
渐开线蜗杆基圆导程角
) `$ q+ [' i# J: m7 V8 E
γb

5 s/ a. K: K- h0 z/ p# m
cosγb=cosγcosαn

% s$ b* T4 p, y9 E
! }: [" R( ]' ~" l2 E
22

& @- Q, }) O/ n4 Q- z2 Y& K& H2 E
蜗杆齿宽

8 a+ V& _8 H) y# _3 j' e- L
b1
; [5 X* ]* C" H& u2 g  M  v, c
z1=1.2时 b1≥(12+0.1z2)m

. ^3 g& \2 q( l
z1=3.4时 b1≥(13+0.1z2)m
1 m, b! c- S% R% C  H4 a

: i  m- a6 Z# s  K
23

$ J6 }; J: B% n* f
蜗轮分度圆直径
( ]' D- K: u) e4 B1 X% ^' P
d2
4 c% U, b& O' c, i( C+ v3 e
d2=mz2=2a-d1-2x2m
3 F7 J4 y) z, O3 I/ f
61.25
% f/ X8 O& _& l
24
* N$ u+ X! u  [% P
蜗轮喉圆直径
5 N: t9 i$ q0 l% Y# _. D
da2

. J+ k: c: N4 R) o, D4 |  ^( ~/ m3 M
da2=d2+2hf2
' T; [/ F5 W# i
65.5

9 U, a6 g' J( Q) p- M! S' Q
25
: B4 h1 L5 m3 }2 q
蜗轮齿根圆直径

5 F; X$ d8 c7 r- J
df2

  t( g4 M* M0 w) N
df2=d2-2hf2

6 c2 u; Z1 v; D7 Z9 b
57

8 y* m! U8 `" i1 {
26

% J. k1 c+ U- S# `& c
蜗轮齿顶高
- C) }+ L5 f0 K8 }1 Y
ha2
* h1 T$ L% ]) Q
ha2=(da2-d2)/2=m(h*a+x2)

; T. k2 t9 ~+ B
0.625
) n9 g; ?; P% V) W
27

' K" {/ ?' s6 L
蜗轮齿根高
. |2 U& A1 z% I/ W6 J: u8 h
hf2

4 G, j/ w* t7 w1 k- T
hf2=(d2-df2)/2=m(h*a-x2+c*)

. w( p: d8 G4 L8 f: i" C
2.125

1 z/ N3 l  b6 k% P& b9 u5 D
28
0 ]! M& y4 n* r2 O5 T
蜗轮齿高
8 r  w. M6 N& l6 E4 g
h2
# H4 O- ^9 V9 y9 N
h2=ha2+hf2=(da2-df2)/2
% c4 m( w5 v" o# u% o
4.25
& a& d8 l6 f% f& y5 m' r
29

: r! n; y6 F& i' R8 |
蜗轮咽喉母圆半径
0 ^/ x9 _  q3 h' ^0 j
rg2

3 F" k& ~: ~) e/ |) o7 a5 I3 N
rg2=a-da2/2
/ {0 K. _9 X3 h# o" P* \
7.25
( n5 g3 l+ @) ~
30

8 Z& X$ r& C( X% N6 D3 X* N8 x2 K
蜗轮齿宽

7 f. a) `9 h: a+ j) m
b2
. x4 w0 S! W- M) _7 D
b2≥0.65da1

0 H6 u, b9 j" Y
15

( t& S& B/ I* U
31

8 d" u1 Y$ _9 q6 r* g6 t. [
蜗轮齿宽角
' R+ I  g/ U- [$ Z7 D
θ

8 g' I% e# j6 [; R1 |% p) u
θ=2arcsin(b2/d1)

! }, O- p3 T( ~- n- |, \* o3 C: A
97.18
% i) P/ c! u, s9 ?( }
32
4 p2 u; X1 g1 }+ P6 {8 F8 N6 I0 p
蜗轮轴向齿厚

9 e6 y- M1 G* J, ^: u7 O
sx

3 J% `$ T3 _7 e% F+ `2 L1 F
sx=πm/2
. ^6 Q3 h! V8 L- Q0 g
1.96
% L9 B- N4 e) k/ c
33

' k) m, e, s7 n: b' Q! s& F# L- ?
蜗杆法向齿厚

4 O+ e+ |* x# O' J
sn
9 r) }4 g8 ~( P' O  h2 y' B; c
sn=sxcosγ

+ W, w. [8 n+ r" O: W# C% M5 H
1.96
, Z* U( U4 L* q- A# c& e  ^" N
34
% G! v: A, g. _
蜗轮齿厚
/ Z9 B" F1 A7 c1 Q& G* z
st

( D" ]$ k- t- o. U6 S
按蜗杆节圆处轴向齿槽宽e'x确定

0 a& S6 l, X; N+ s- U

* a$ n( f  N9 ]  H; M
35

/ b% W7 G6 n) g6 i- z4 q' I3 X
蜗杆节圆直径
& ]. C4 \5 U; g
d'1
/ a( z1 O! S; }  M3 a" v
d'1=d1+2x2m=m(q+2x2)

/ ~$ T9 Z* q. e- H; B' o/ I2 F
18.75

- I8 j5 g/ A3 J" |7 A3 B/ d
36
( a3 x4 Q8 r$ m5 h# U( j) Q1 s
蜗轮节圆直径

# s: ]# J! o. d
d'2
% B8 X. Z6 \9 x; D6 a1 z
d'2=d2

4 U9 V5 P# }, g$ I8 q) M, O
61.25
# l2 A8 O3 W+ q" o: O$ o6 a
 楼主| 发表于 2010-5-9 13:51:17 | 显示全部楼层 来自: 中国江苏南京
哪位高手帮忙画下蜗杆,蜗轮··谢谢了···
发表于 2010-5-9 15:15:58 | 显示全部楼层 来自: 中国江苏泰州
1 中心距 a a=(d1+d2+2x2m)/2=40mm
: b- T( x3 ?- B3 c* [2 蜗杆头数 z1 =1
3 ?7 _( h! k& E% Y2 n3 蜗杆齿数 z2 z2=iz1=49
& G9 G8 Z$ d3 l, ?, ?& b+ j4 J4 齿形角 a ax=20°或an=20° 取20° 0 \, v. j+ N( M3 v& {
5 模数 m m=mx=mn/cosγ=1.25 & m; [" d* K6 G
6 传动比 i i=n1/n2=49 6 J$ ]1 W! ~8 w( P& m3 }; B' g
7 齿数比 u u=z2/z1=49 - U5 s: H1 E2 E; b! ^
8 蜗轮变位系数 x2 x2=a/m-(d1+d2)/2m=-0.500
& N7 ]2 C/ o/ Y+ ?/ i5 W$ W9 蜗杆直径系数 q q=d1/m=16
7 Z; C6 P3 l4 x* u/ W& u10 蜗杆轴向齿距 px Px=πm=3.925
8 X1 c$ ~2 e/ }* F1 a8 `11 蜗杆导程 pz pz=πmz1=3.925
* q9 b! M# |9 v4 [% y9 z& D" W12 蜗杆分度圆直径 d1 d1=mq=20 / I4 \: g! C' Y
13 蜗杆齿顶圆直径 da1 da1=d1+2ha1=d1+2ha*m=22.5 % Q2 r0 ?, q9 [3 M9 O: K2 c/ E, l
14 蜗杆齿根圆直径 df1 df1=d1-2hf1=d1-(2ha*m+c)=17
6 a1 w/ V* V8 X15 顶隙 c c=c*m=0.25
( [2 a, I( R: g. t$ J16 渐开线蜗杆基圆直径 db1 db1=d1tanγ/1tanγb=mz1/1tanγb $ H# D, @2 P: A$ @
17 蜗杆齿顶高 ha1 ha1=ha*m=(da1-d1)/2=1.25 - G6 R* r! `1 _9 f7 F4 x: u
18 蜗杆齿根高 hf1 hf1=(ha*+c*)m=(d1-df1)/2=1.5 2 D, Q4 `9 S' ~' M, u
19 蜗杆齿高 h1 h1=ha1+hf1=(da1-df1)/2=2.75
0 K2 Q' [/ a* g' d8 h20 蜗杆导程角 γ tanγ=mz1/d1=z1/q=3.576°
3 N6 Y1 q! B8 N$ ]0 N. t21 渐开线蜗杆基圆导程角 γb cosγb=cosγcosαn
7 y0 N5 j4 o4 J8 x+ T22 蜗杆齿宽 b1 z1=1.2时 b1≥(12+0.1z2)m z1=3.4时 b1≥(13+0.1z2)m
- @" C; W1 z/ d2 W( {$ v23 蜗轮分度圆直径 d2 d2=mz2=2a-d1-2x2m=61.25 . P7 h0 M6 `: x1 z
24 蜗轮喉圆直径 da2 da2=d2+2ha2+2*x*m=62.25 ) V! m. g& F' Q* G* @9 h
25 蜗轮齿根圆直径 df2 df2=d2-2hf2+2*x*m=56.75 ( q5 v5 o- q( y* p: |
26 蜗轮齿顶高 ha2 ha2=(da2-d2)/2=m(h*a+x2)=0.625 ' Q+ [9 C6 C6 a+ V2 n) j+ r: E0 D
27 蜗轮齿根高 hf2 hf2=(d2-df2)/2=m(h*a-x2+c*)=2.125 8 f8 u, A: g% {
28 蜗轮齿高 h2 h2=ha2+hf2=(da2-df2)/2=2.75
$ o0 i* b6 d% j! f9 G* k; k29 蜗轮咽喉母圆半径 rg2 rg2=d1/2-m=8.75 ! U& L6 ?# Y) L3 N6 f) Q
30 蜗轮齿宽 b2 b2≥0.65da1取15
3 C; ?# z4 C/ n! e) e7 {31 蜗轮齿宽角 θ θ=2arcsin(b2/d1) 97.18 * ]0 e- s# u* g- Q" {# V8 U
32 蜗轮轴向齿厚 sx sx=πm/2 1.96
' U$ l- F( \! [- T; c33 蜗杆法向齿厚 sn sn=sxcosγ 1.96 * m5 o, i. {0 [8 `
34 蜗轮齿厚 st 按蜗杆节圆处轴向齿槽宽e'x确定
9 K7 j' D; ^7 J0 a# [35 蜗杆节圆直径 d'1 d'1=d1+2x2m=m(q+2x2) 18.75
. Z9 {+ s- G$ ^9 s: R; _: M36 蜗轮节圆直径 d'2 d'2=d2 61.25
# n8 J7 ]/ |) {' J+ j
  L. z7 z# b5 y1 j/ U. Z1 u) L  u注意以上大字部分,有关绘图的算错的基本参数。

评分

参与人数 1三维币 +2 收起 理由
虎强 + 2 积极讨论

查看全部评分

发表于 2010-5-9 15:21:22 | 显示全部楼层 来自: 中国江苏泰州
蜗杆蜗轮减速器,要绘零件图,一般先按输入输出要求,及内部技术参数绘出装配图,再从装配图中拆出零件图,这样确保满足装配要求和检修要求。
$ C+ o' M! Y  c4 `" y0 _单纯教人画蜗杆蜗轮图纸不能适应设计要求。
发表于 2010-5-9 15:29:11 | 显示全部楼层 来自: 中国湖南岳阳
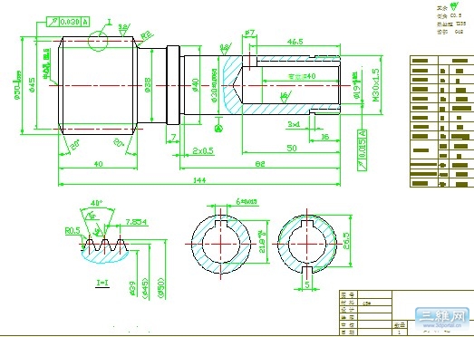
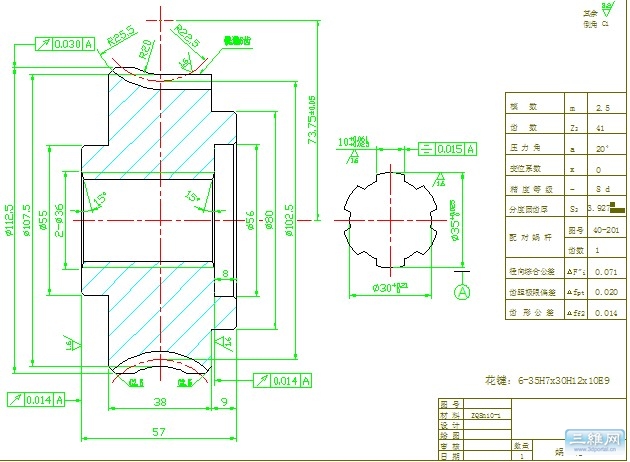
既然参数都已经算出来了(不能太依靠计算软件,必须要自己按计算公式一步一步计算才算真正弄明白了),你又是学这一行的,难道老师没有教你怎么绘图吗?给份蜗轮、蜗杆参考图片,还是自己动手绘图吧。
蜗杆.jpg
蜗杆参数表.jpg
蜗轮.jpg
蜗轮参数表.jpg

评分

参与人数 1三维币 +3 收起 理由
虎强 + 3 积极讨论

查看全部评分

发表回复
您需要登录后才可以回帖 登录 | 注册

本版积分规则


Licensed Copyright © 2016-2020 http://www.3dportal.cn/ All Rights Reserved 京 ICP备13008828号

小黑屋|手机版|Archiver|三维网 ( 京ICP备2023026364号-1 )

快速回复 返回顶部 返回列表