QQ登录

只需一步,快速开始

登录 | 注册 | 找回密码

三维网

 找回密码
 注册

QQ登录

只需一步,快速开始

展开

通知     

查看: 1243|回复: 3
收起左侧

[已答复] 带轮问题

[复制链接]
发表于 2010-5-4 10:55:04 | 显示全部楼层 |阅读模式 来自: 中国浙江湖州

马上注册,结识高手,享用更多资源,轻松玩转三维网社区。

您需要 登录 才可以下载或查看,没有帐号?注册

x
请问8V带的带轮槽型是不是25N/J,为什么机械设计手册上找不到8V带这种说法。
 楼主| 发表于 2010-5-14 11:30:39 | 显示全部楼层 来自: 中国浙江湖州
有人知道吗?
发表于 2010-5-15 13:07:29 | 显示全部楼层 来自: 中国江苏常州
8V9V有说法吗?不是根据带长来的吗?
发表于 2010-5-15 17:06:28 | 显示全部楼层 来自: 中国广东深圳
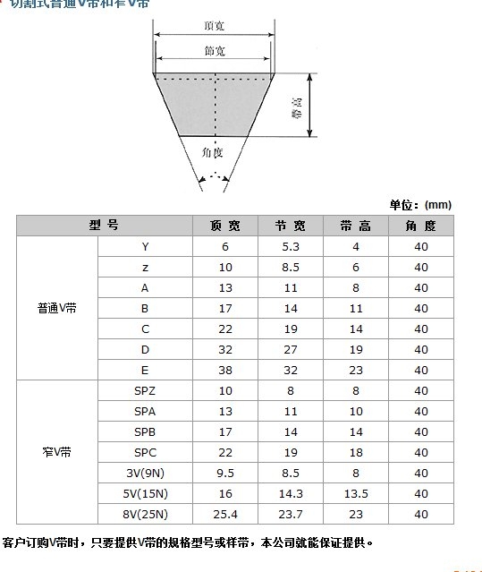
参考看看
3 d; `- f" L4 H; S' C- s% K6 t) t) ]" ~( o, M( y* @+ V$ _
Image00200.jpg
发表回复
您需要登录后才可以回帖 登录 | 注册

本版积分规则


Licensed Copyright © 2016-2020 http://www.3dportal.cn/ All Rights Reserved 京 ICP备13008828号

小黑屋|手机版|Archiver|三维网 ( 京ICP备2023026364号-1 )

快速回复 返回顶部 返回列表