QQ登录

只需一步,快速开始

登录 | 注册 | 找回密码

三维网

 找回密码
 注册

QQ登录

只需一步,快速开始

展开

通知     

查看: 2563|回复: 21
收起左侧

[求助] 这个拉伸件的怎么绘图

[复制链接]
发表于 2010-4-21 14:30:25 | 显示全部楼层 |阅读模式 来自: 中国上海

马上注册,结识高手,享用更多资源,轻松玩转三维网社区。

您需要 登录 才可以下载或查看,没有帐号?注册

x
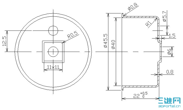
拉伸件为不锈钢的,具体尺寸见图,由于刚开始自学SolidWorks不知道怎么画这个3维图,从哪里入手?肯请各位能不能画个3维图,最好保存个附件让我看看操作的步骤。谢谢了。
/ H3 c0 i! @( l+ {6 s 捕获.JPG
发表于 2010-4-21 14:36:14 | 显示全部楼层 来自: 中国天津
本帖最后由 81130549 于 2010-4-21 15:49 编辑 / `1 M5 d5 m% T; K

4 t/ y  s# [! d- E; f4 z步骤:1。旋转。
6 u+ S! c6 t7 I0 b! |- w5 I      2。拉伸切除方孔。
; l) D- x. b6 {4 c% Y! z8 G' N      3。拉伸形成1.5mm高的凸台。
$ ^5 w% j" m# B+ O      4。拉伸0.8mm补上方孔。" ?* o: O5 \- L3 @
      5。拉伸切除2个圆孔。; y- `2 P6 I3 A1 w* N
      6。倒角。" V9 Q$ P$ B* m$ S9 v. H: r3 h+ X( t# r
除第一步在左基准面上做草图,其余的草图都可以在前基准面。第3/4步的拉伸要注意选项(从“指定面”开始,拉伸“指定距离”。
发表于 2010-4-21 15:31:50 | 显示全部楼层 来自: 中国北京
看看这个可以不,不过是2010的,不知道你能不能打开。

新建文件夹.rar

237.21 KB, 下载次数: 11

发表于 2010-4-21 15:42:55 | 显示全部楼层 来自: 中国北京
楼上说的对,对于初学者,建议好好了解关于基准面的用法。
发表于 2010-4-21 16:02:27 | 显示全部楼层 来自: 中国黑龙江哈尔滨
这种简单的零件,初学者都应该会的!
发表于 2010-4-21 16:20:50 | 显示全部楼层 来自: 中国上海
本帖最后由 ZYLIN 于 2010-4-21 16:26 编辑
+ k# W3 [9 H, r% ~& D; g, G4 h7 Z  g: D5 P* L4 b4 u
2# 81130549 可以简单点:1.旋转  2.成形方形凸台 3.切除圆孔
发表于 2010-4-21 16:26:17 | 显示全部楼层 来自: 中国辽宁鞍山
楼上说的不对吧!
发表于 2010-4-21 16:29:55 | 显示全部楼层 来自: 中国江苏徐州
先旋转一个实体,在做凸台,做壳体,做孔。OK
发表于 2010-4-21 16:54:53 | 显示全部楼层 来自: 中国上海
7# han_xin_tong 我刚才试了一下,确实有点问题。原打算使用成形工具,但旋转后无法变成钣金件,因此方形台要两步才能做成。
发表于 2010-4-21 17:05:52 | 显示全部楼层 来自: 中国北京
刚画的 按你图纸画的
9.png

零件1.rar

101.33 KB, 下载次数: 9

发表于 2010-4-21 17:39:54 | 显示全部楼层 来自: 中国广东广州
我是全实体建模,用SW2010打开。
QQ截图未命名.png

拉伸件.zip

218.48 KB, 下载次数: 8

发表于 2010-4-21 17:58:58 | 显示全部楼层 来自: 中国广东汕头
it looks as if  that 's a bit simple,you just utilize the extrude command.you should slowly think it!
发表于 2010-4-21 19:06:57 | 显示全部楼层 来自: 中国天津
这个看起来不难!!
发表于 2010-4-21 19:27:07 | 显示全部楼层 来自: 中国重庆
2# 81130549 可以简单点:1.旋转  2.成形方形凸台 3.切除圆孔7 c0 g4 W9 L3 C& v
ZYLIN 发表于 2010-4-21 16:20 http://www.3dportal.cn/discuz/images/common/back.gif
最简洁的方法,也比较符合这类零件的实际工艺过程。
 楼主| 发表于 2010-4-21 20:02:39 | 显示全部楼层 来自: 中国上海
感谢各位!只可惜我用的是2009打不开2010的,我做了个抽壳的步骤其他的基本一样,只是11楼的有异型孔这个不熟练以后多多联系下,2楼10楼只有拉伸和拉伸切除倒圆角就出来了,看来要多加练习才是,多谢各位!受益匪浅!只有还有一点不太明白,9楼有提到钣金件,钣金是什么概念?这个拉伸件也能做成钣金件?
发表于 2010-4-21 20:18:13 | 显示全部楼层 来自: 中国广东东莞
11的方法比较好。换我我也这样做
发表于 2010-4-21 23:04:50 | 显示全部楼层 来自: 中国北京
我又精简了一步 楼上的可以看一下
10.png

零件1.rar

102.69 KB, 下载次数: 5

发表于 2010-4-22 08:11:16 | 显示全部楼层 来自: 中国广西玉林
都很基本的,钣金功能是SW运用的很好功能。
发表于 2010-4-22 08:21:45 | 显示全部楼层 来自: 中国湖北荆门
旋转圆柱体-拉伸上部凸台-倒圆角-抽壳-拉伸切除出两处孔
发表于 2010-4-22 09:57:19 | 显示全部楼层 来自: 中国浙江金华
较简单的但是还是支持一下。
捕获.JPG
发表于 2010-4-22 09:58:18 | 显示全部楼层 来自: 中国北京
一句话,简单就是最好!
 楼主| 发表于 2010-4-22 11:11:49 | 显示全部楼层 来自: 中国上海
给了我很大的启发
发表回复
您需要登录后才可以回帖 登录 | 注册

本版积分规则


Licensed Copyright © 2016-2020 http://www.3dportal.cn/ All Rights Reserved 京 ICP备13008828号

小黑屋|手机版|Archiver|三维网 ( 京ICP备2023026364号-1 )

快速回复 返回顶部 返回列表