QQ登录

只需一步,快速开始

登录 | 注册 | 找回密码

三维网

 找回密码
 注册

QQ登录

只需一步,快速开始

展开

通知     

查看: 939|回复: 0
收起左侧

[求助] 求高手帮忙设计双活塞油缸内部结构

[复制链接]
发表于 2010-4-6 18:05:32 | 显示全部楼层 |阅读模式 来自: 中国辽宁抚顺

马上注册,结识高手,享用更多资源,轻松玩转三维网社区。

您需要 登录 才可以下载或查看,没有帐号?注册

x
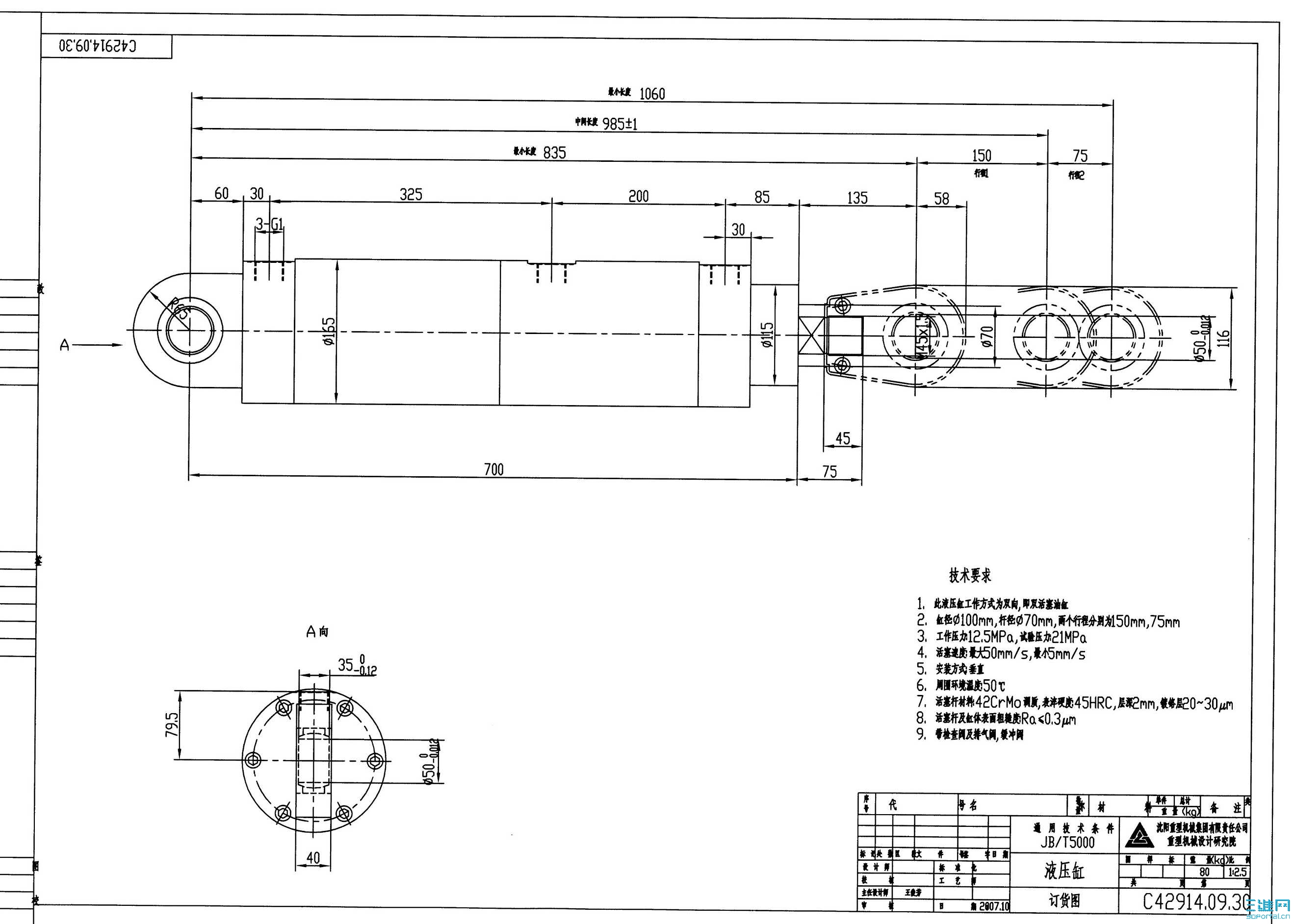
液压缸1.jpg 此油缸有3个油口,应该为多工位的差动缸,可是我对此种内部结构不熟悉,希望高手帮忙给点建议。谢谢!如果有厂家能做此种油缸请和我联系。1300923380 赵
发表回复
您需要登录后才可以回帖 登录 | 注册

本版积分规则


Licensed Copyright © 2016-2020 http://www.3dportal.cn/ All Rights Reserved 京 ICP备13008828号

小黑屋|手机版|Archiver|三维网 ( 京ICP备2023026364号-1 )

快速回复 返回顶部 返回列表