QQ登录

只需一步,快速开始

登录 | 注册 | 找回密码

三维网

 找回密码
 注册

QQ登录

只需一步,快速开始

展开

通知     

查看: 1537|回复: 5
收起左侧

[已答复] 请教这样的位置度怎么理解

[复制链接]
发表于 2010-3-26 18:39:41 | 显示全部楼层 |阅读模式 来自: 中国浙江杭州

马上注册,结识高手,享用更多资源,轻松玩转三维网社区。

您需要 登录 才可以下载或查看,没有帐号?注册

x
本帖最后由 sky19 于 2010-3-26 22:01 编辑 6 z+ t& p; o) N  V8 v( t
  Y' |5 d. k& I& B- Z# N
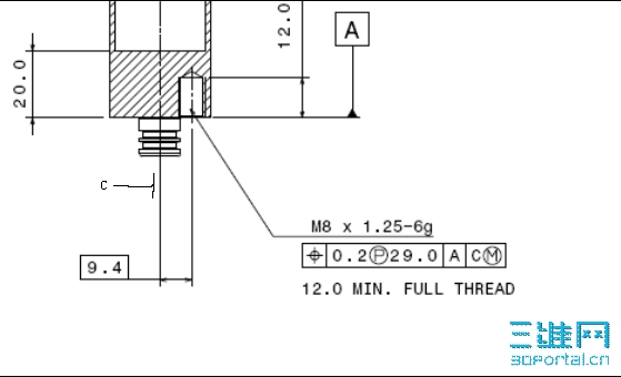
请教大家一下,下面图中这样的位置度怎么理解?谢谢!
111.JPG
发表于 2010-3-26 19:09:09 | 显示全部楼层 来自: 中国江苏常州
图纸不完整,有些要素看不到,贴全图吧。
发表于 2010-3-26 20:19:26 | 显示全部楼层 来自: 中国山西运城
1  M8螺孔轴线的的位置度公差对对基准平面A、和基准C(图中未给出)不大于0.2mm。6 z0 a" J% t$ j* y( f; M
2  圈P表示延伸公差带,要求位置度公差带延伸到被测要素的长度界限之外29mm处。( D$ v) a; S2 @6 G. ]
3  基准C遵循最大实体状态,即当该基准偏离最大实体尺寸时,偏离量可以补偿给位置度公差。
0 \5 A, [* N1 e& _3 a9 K% F/ `4  方框中9.4 表示二轴心线的距离为理论正确尺寸。
0 Y; s: d: y+ @3 V7 p  E5  位置度公差方框下面的内容表示螺孔的螺纹有效长度最小为12mm。

评分

参与人数 1三维币 +2 收起 理由
天际孤帆 + 2 鼓励交流

查看全部评分

发表于 2010-3-26 21:26:17 | 显示全部楼层 来自: 中国江苏常州
其余全部好理解& u8 X4 p. \2 A' u1 [5 b
就是延伸公差带问题
( Q6 U  T6 x( O那种标注方式不大于国家标准相符
! b, C7 P' h+ R' {/ G-----------
* }! {" v. C. z- m几个图片~~~~~~~~~~~~~~
10001.jpg
10002.jpg
10003.jpg

评分

参与人数 1三维币 +2 收起 理由
天际孤帆 + 2 鼓励交流

查看全部评分

发表于 2010-3-26 21:30:21 | 显示全部楼层 来自: 中国上海
3楼分析的很全面,赞成!
 楼主| 发表于 2010-3-27 14:01:11 | 显示全部楼层 来自: 中国浙江杭州
多谢大家的指点!
发表回复
您需要登录后才可以回帖 登录 | 注册

本版积分规则


Licensed Copyright © 2016-2020 http://www.3dportal.cn/ All Rights Reserved 京 ICP备13008828号

小黑屋|手机版|Archiver|三维网 ( 京ICP备2023026364号-1 )

快速回复 返回顶部 返回列表