QQ登录

只需一步,快速开始

登录 | 注册 | 找回密码

三维网

 找回密码
 注册

QQ登录

只需一步,快速开始

展开

通知     

全站
8天前
查看: 1445|回复: 2
收起左侧

[求助] 求教薄片法兰近净成形的最佳工艺

[复制链接]
发表于 2010-3-25 16:54:48 | 显示全部楼层 |阅读模式 来自: 中国广东广州

马上注册,结识高手,享用更多资源,轻松玩转三维网社区。

您需要 登录 才可以下载或查看,没有帐号?注册

x
本帖最后由 powelltan 于 2010-3-25 21:11 编辑
5 }  I- R" m& o% B# V" y- J
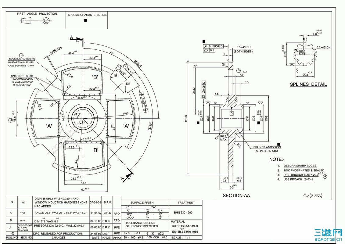
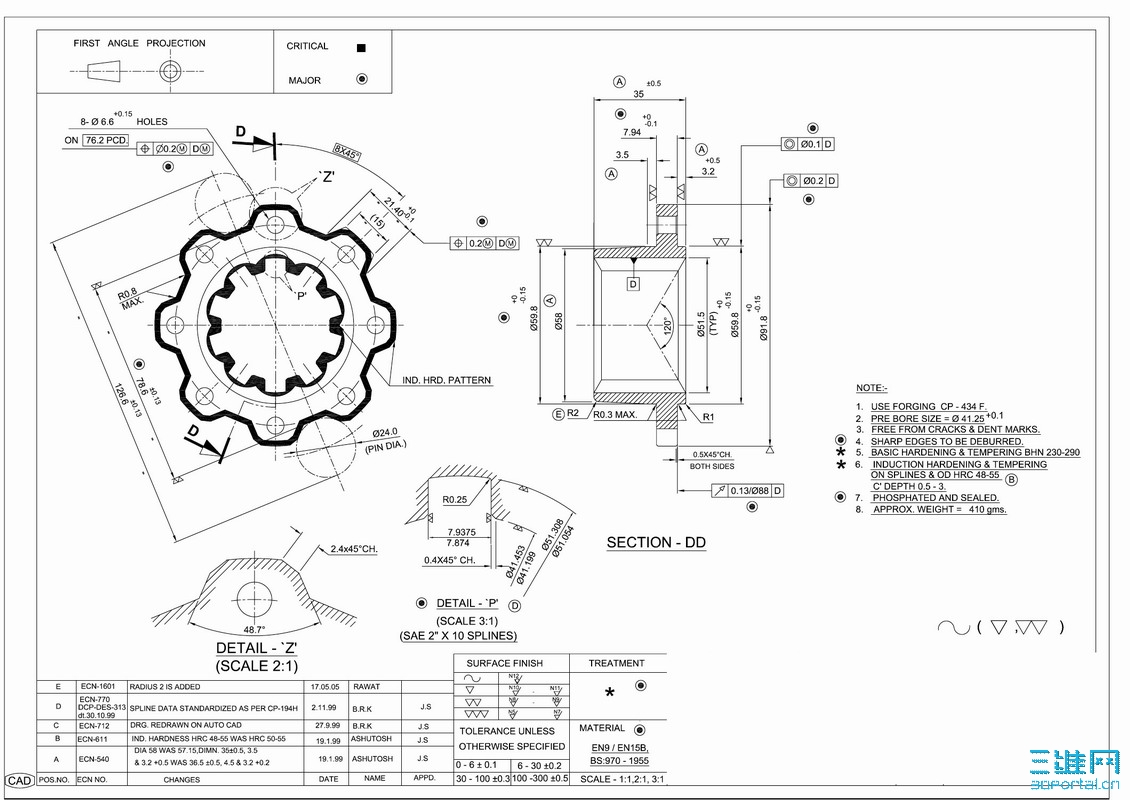
  k+ H; e+ H: b! E* A" r类似如图大小的薄片法兰,和稍粗的法兰盘毂类似零件, 50mm~150mm,100mm以下居多, 厚50mm下,30mm左右最多,产品基本在此范围类似大小的, 希望能做到近净成形,节省材料和时间,请教坛子的技术高手,采用何种方式做到最佳工艺, 冷锻,精冲?还是粉末? 老式热锻太费材料和成本.
/ V$ p9 i- K- ?汽车离合器用, 40CR/45钢, 硬度HRC25左右,也可以QQ: 564793474联系偶详解,谢谢.
1.JPG
2.JPG
 楼主| 发表于 2010-3-26 21:04:45 | 显示全部楼层 来自: 中国广东中山
各位高手请支招,
发表于 2010-3-27 08:37:47 | 显示全部楼层 来自: 中国四川资阳
闭式锻造最好,高频加热。
发表回复
您需要登录后才可以回帖 登录 | 注册

本版积分规则


Licensed Copyright © 2016-2020 http://www.3dportal.cn/ All Rights Reserved 京 ICP备13008828号

小黑屋|手机版|Archiver|三维网 ( 京ICP备2023026364号-1 )

快速回复 返回顶部 返回列表