QQ登录

只需一步,快速开始

登录 | 注册 | 找回密码

三维网

 找回密码
 注册

QQ登录

只需一步,快速开始

展开

通知     

查看: 4977|回复: 8
收起左侧

[已答复] G螺纹在管道连接中如何密封

[复制链接]
发表于 2010-3-25 08:50:23 | 显示全部楼层 |阅读模式 来自: 中国广东佛山

马上注册,结识高手,享用更多资源,轻松玩转三维网社区。

您需要 登录 才可以下载或查看,没有帐号?注册

x
本帖最后由 hnld888 于 2010-3-25 09:42 编辑 8 h- \$ C& f! U, o7 x( v+ q
% h  P) d( e; }; H  M0 ]0 y' j( Z/ G5 k
55°非密封管螺纹代号G ,但是有个疑问了~在管道连接经常看到G螺纹,G螺纹是什么样密封的啊?请大侠们指点一二,在密封要求严格的场合中
发表于 2010-3-25 09:08:06 | 显示全部楼层 来自: 中国广东珠海
要么平面胶圈, 要么螺纹上缠白带
发表于 2010-3-25 09:10:29 | 显示全部楼层 来自: 中国广东珠海
就是生料带  一般水管连接用的。
发表于 2010-3-25 10:27:37 | 显示全部楼层 来自: 中国山西太原
G螺纹是非密封管螺纹,是间隙配合螺纹,用于低压流体输送管道的连接。在联接中一种是采用涂厚漆缠麻密封,这种联接能承受较高压力。另一种是在螺纹上缠聚四氟乙烯生料带,达到密封的效果。

评分

参与人数 1三维币 +2 收起 理由
天际孤帆 + 2 鼓励交流。

查看全部评分

发表于 2010-3-25 10:43:56 | 显示全部楼层 来自: 中国上海
本帖最后由 lhf999 于 2010-3-25 10:49 编辑
! d) J8 ?+ k# m, `% b# S
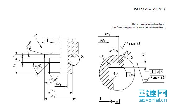
* g3 R* f9 }2 x: w$ HG螺纹连接是需要带密封圈的,不能只用生料带之类的密封。* M1 d) i  K  U
密封圈尺寸和相关沟槽尺寸在各种管接头的标准中有。第一个图中是M螺纹连接,用G螺纹连接的话也是这种样式。
g.jpg
g1.jpg
g2.jpg
G4.jpg

评分

参与人数 1三维币 +2 收起 理由
天际孤帆 + 2 鼓励交流

查看全部评分

发表于 2010-3-26 08:24:45 | 显示全部楼层 来自: 中国辽宁丹东
可以缠麻或者生料带、蘸铅油等。
发表于 2010-3-26 22:49:35 | 显示全部楼层 来自: 中国湖南长沙
一般用的是生胶带或漆麻等
发表于 2010-4-4 13:10:53 | 显示全部楼层 来自: 中国河北邢台
楼主请看管螺纹相关简介8 `( A( W" o( \- @% Q7 S3 Z
截图00.png 0 s6 l: v, O' I1 Y; V. E2 s; M

" H+ n) J2 v! c5 L内容请见
3 P! z& p' C0 N3 O9 P% E《公制、美制和英制螺纹标准手册》第二版2006年出版 清晰PDF+书签3 [# I) |' ~: E8 R! ?, x
http://www.3dportal.cn/discuz/viewthread.php?tid=827090
发表于 2010-4-6 10:59:57 | 显示全部楼层 来自: 中国江苏常州
再巩固已下啊,多谢
发表回复
您需要登录后才可以回帖 登录 | 注册

本版积分规则


Licensed Copyright © 2016-2020 http://www.3dportal.cn/ All Rights Reserved 京 ICP备13008828号

小黑屋|手机版|Archiver|三维网 ( 京ICP备2023026364号-1 )

快速回复 返回顶部 返回列表