QQ登录

只需一步,快速开始

登录 | 注册 | 找回密码

三维网

 找回密码
 注册

QQ登录

只需一步,快速开始

展开

通知     

查看: 2031|回复: 13
收起左侧

[已解决] 带O型圈的螺栓连接,向大家求助

 关闭 [复制链接]
发表于 2010-3-17 09:19:07 | 显示全部楼层 |阅读模式 来自: 中国广东佛山

马上注册,结识高手,享用更多资源,轻松玩转三维网社区。

您需要 登录 才可以下载或查看,没有帐号?注册

x
本帖最后由 hnld888 于 2010-3-17 22:04 编辑
  n- O4 l' e3 |$ P+ a  @& \$ U" s6 ^$ h
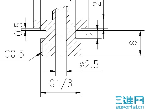
螺栓上有个密封槽用O型圈密封,密封圈刚好卡进螺纹口的倒角上,8 p% |! \4 w* x5 e
用于管道连接,这种连接何解,听人说过,不知道具体有没有~这种连接叫什么?  d' g! S. }, Z' k; L
孔口密封.jpg
发表于 2010-3-17 10:33:21 | 显示全部楼层 来自: 中国辽宁沈阳
不知楼主所示件用在何处?功能要求如何?不过,从图示上看应该是密封用螺塞。但它的具体用法也是有些讲究的。: R0 n' F. O- |- G5 N; l6 M6 Q
因不明楼主的具体工艺要求,给楼主提供点参考吧。
( @( m5 p. d+ G5 j( _ 螺塞1.jpg 6 x/ \5 \9 L2 m3 L0 d4 b0 f! w6 z
螺塞2.jpg
( d$ }! J) W+ F- D 螺塞3.jpg

评分

参与人数 1三维币 +2 收起 理由
天际孤帆 + 2 技术交流

查看全部评分

发表于 2010-3-17 10:58:06 | 显示全部楼层 来自: 中国北京
螺塞是通过螺纹密封吧?
" U$ A* Q1 ~- R( a% _6 T" P' F: a" g) h( A4 f3 _1 q/ Y
这个感觉主要靠O型圈密封,有点类似使用密封垫的方式使用O型圈
 楼主| 发表于 2010-3-17 17:24:45 | 显示全部楼层 来自: 中国广东佛山
本帖最后由 hnld888 于 2010-3-17 17:30 编辑 8 B# {9 M7 h1 X  X9 W& s9 }  Q

: Q3 r; Q8 Q& E6 A4 w2# 点识 非常 感谢2楼的热心解答,用于管子的连接,不知道有孔口倒角有讲究么?
发表于 2010-3-18 00:01:31 | 显示全部楼层 来自: 中国黑龙江
这种结构使用非常巧妙,常在一些轻工产品上使用。没有见到过国家标准,因此在1~2kg的压力上使用尚可。与o型圈接触的位置粗糙度应该在3.2以上。
发表于 2010-3-18 09:08:15 | 显示全部楼层 来自: 中国广东珠海
一般来说直接这样密封连接很少, 要不螺纹间加上胶水, 要么前面做一段孔用于密封
发表于 2010-3-18 09:36:26 | 显示全部楼层 来自: 中国上海
本帖最后由 lhf999 于 2010-3-18 09:46 编辑
. D1 u8 ~$ ~, q, @) b% h/ }; y
7 ?- X2 M2 G& I! Q3 W1.这不是螺栓,这是管接头。" S, f) W! f) I7 }9 L' k
2.螺纹孔口只用倒角,好像不是很好的,可以在孔口锪出安装O形密封圈的凹台,凹台尺寸按照O形密封圈沟槽尺寸设计。我们的产品上有类似的结构,承受6.3MPa压力的,只是用O形密封圈不能多次拆装。
9 q# l3 z  @/ N' E9 P- d这样的零件和结构可以参考标准:
6 P6 G- c) m7 w4 \' M# d% \: S8 gJB/T 966-2005 用于流体传动和一般用途的金属管接头O形圈平面密封接头
* g0 P: m& J1 {* x$ I+ [GB/T 19674.1-2005 液压管接头用螺纹油口和柱端 螺纹油口
: [8 D5 l7 y( j0 `, p$ S! LISO 8434-3:2005 用于液压传动和一般用途的金属管接头 第3部分 O形圈端面密封管接头* m- T8 G. n" x4 y) z! h
ISO 6149-1:2006 用于液压流体传动和一般用途的管接头 带ISO 261M螺纹和O形圈密封的油口和螺纹端头 第1部分 带锪孔沟槽中装有O形密封圈的油口
. Q; K8 U* \! C! {5 U8 F( z# _0 z% \7 Z2 {3 E
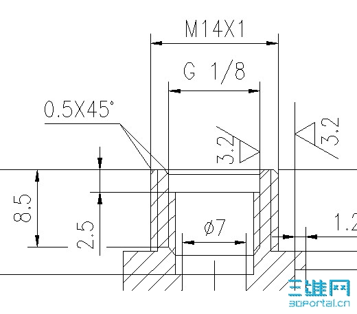
下图为ISO 6149-1的油口. Q$ l/ M: j. v5 q! S
po.jpg , y. Y$ u. ^  e; ]. N
下图为ISO 6149-2:2006《用于液压流体传动和一般用途的管接头 带ISO 261M螺纹和O形圈密封的油口和螺纹端头 第2部分 重型(S系列)螺柱端头的尺寸、设计、试验方法和技术要求》中的螺纹接头
' w3 I% ?' }1 g- v4 g po2.jpg

评分

参与人数 1三维币 +2 收起 理由
天际孤帆 + 2 技术交流

查看全部评分

发表于 2010-3-18 09:39:01 | 显示全部楼层 来自: 中国北京
在内螺纹口(现在的倒角处)切一个方口比较好。
 楼主| 发表于 2010-3-19 09:45:21 | 显示全部楼层 来自: 中国广东佛山
8# lhf999 非常感谢,原来这样~ 谢谢~能不能提供PDF电子档~不胜感激!
发表于 2010-3-19 10:05:21 | 显示全部楼层 来自: 中国上海
8# lhf999  非常感谢,原来这样~ 谢谢~能不能提供PDF电子档~不胜感激!
9 ^0 i" z  C3 ~1 Y# X8 whnld888 发表于 2010-3-19 09:45 http://www.3dportal.cn/discuz/images/common/back.gif

8 {6 V. w' |  Z* M3 R8 \( F" g; c& V" h; e
这几个标准论坛里都有,自己搜索一下吧。
发表于 2010-3-21 11:20:41 | 显示全部楼层 来自: 中国浙江丽水
应该不是把密封圈顶在倒角上的。 倒角的位置应该是个槽
发表于 2010-3-21 11:55:02 | 显示全部楼层 来自: 中国山东青岛
这种结构实际用的过程中,有可能会把O圈挤坏的。我们曾经又改成铜垫了。2 B2 g, N5 ^4 A* j' Q
不过这在老外的机械设备中见过,人家没有问题的。
; V, E" Y1 S6 n3 w差别在什么地方我不清楚。
发表于 2010-3-21 17:09:25 | 显示全部楼层 来自: 中国河北邯郸
7楼说的很明白,基本上就是这个用途。
发表于 2010-3-25 10:21:11 | 显示全部楼层 来自: 中国重庆
应该是O形圈密封
5 M+ h6 L2 y3 W6 \3 R不过楼主这样的密封结构,加工要求高。这儿放两张结构图你看看。- q! |8 \- C, o- n6 X
改成径向密封,结构尺寸找手册一查,上面都有。
01.jpg
03.jpg
发表回复
您需要登录后才可以回帖 登录 | 注册

本版积分规则


Licensed Copyright © 2016-2020 http://www.3dportal.cn/ All Rights Reserved 京 ICP备13008828号

小黑屋|手机版|Archiver|三维网 ( 京ICP备2023026364号-1 )

快速回复 返回顶部 返回列表