QQ登录

只需一步,快速开始

登录 | 注册 | 找回密码

三维网

 找回密码
 注册

QQ登录

只需一步,快速开始

展开

通知     

查看: 1935|回复: 7
收起左侧

[求助] 如何快速标注4-∅10

[复制链接]
发表于 2010-3-6 09:50:00 | 显示全部楼层 |阅读模式 来自: 中国广东佛山

马上注册,结识高手,享用更多资源,轻松玩转三维网社区。

您需要 登录 才可以下载或查看,没有帐号?注册

x
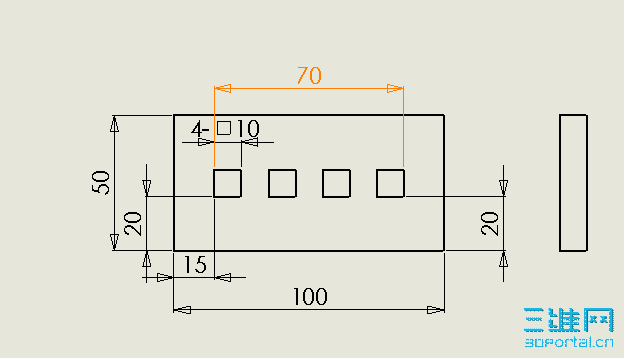
如题,一工程图有4个∅10阵列孔,如何快速标注出“4-∅10”
 楼主| 发表于 2010-3-7 10:25:35 | 显示全部楼层 来自: 中国广东佛山
自己沙发,顶,,
发表于 2010-3-7 11:45:53 | 显示全部楼层 来自: 中国湖北武汉
楼主看看是这样的吗? 方孔.png
 楼主| 发表于 2010-3-8 15:59:03 | 显示全部楼层 来自: 中国广东佛山
本帖最后由 maichengyou 于 2010-3-8 16:00 编辑
/ Y6 P9 S5 X$ V. w  p
5 B7 R2 _# Y$ C( y如图,12-∅33.5的“12-”怎么快速搞出来,曾见过一高手好像按个快捷键就出来,那动作太快了,我都没看清楚他按什么键
1.jpg
发表于 2010-3-8 16:56:24 | 显示全部楼层 来自: 中国江苏盐城
期待高手讲解,等待中
发表于 2010-3-8 17:18:15 | 显示全部楼层 来自: 中国江苏常州
4-∅10?
) x- M, q+ e: }# Z$ f5 x3 ^4-Φ10的话可以用孔标注直接标注(前提是4个孔用异型孔向导一次做出)
 楼主| 发表于 2010-3-8 18:15:40 | 显示全部楼层 来自: 中国广东佛山
我敢保证,那孔不是异型孔向导做出来的,何况一个光孔用用异型孔向导做也太麻烦了。因为他之前已经标了个∅10,后来发现少了4-,不知按那个快捷键就出来了,
发表于 2010-3-8 20:21:02 | 显示全部楼层 来自: 中国江苏苏州
本帖最后由 szat51980 于 2010-3-8 20:28 编辑
; o$ s  j7 v$ [! y5 r0 c( v$ Q$ ?) k& ]" B9 @* x, i! c; b  O
笨办法
% S) G! f, x% c  `1 u- ?
: D; Q' P* q6 R( X从下图左侧中可看出是异形孔,然后阵列。在工程图中利用孔标注,不用输入什么4-! Z( ~$ M5 `7 l% v7 x3 {' N, T# c3 x

5 _2 n! |4 n  D# F/ P楼主所讲的快捷键在下也很想知道,期待高手赐教
1.jpg
2.jpg
发表回复
您需要登录后才可以回帖 登录 | 注册

本版积分规则


Licensed Copyright © 2016-2020 http://www.3dportal.cn/ All Rights Reserved 京 ICP备13008828号

小黑屋|手机版|Archiver|三维网 ( 京ICP备2023026364号-1 )

快速回复 返回顶部 返回列表