QQ登录

只需一步,快速开始

登录 | 注册 | 找回密码

三维网

 找回密码
 注册

QQ登录

只需一步,快速开始

展开

通知     

查看: 1611|回复: 7
收起左侧

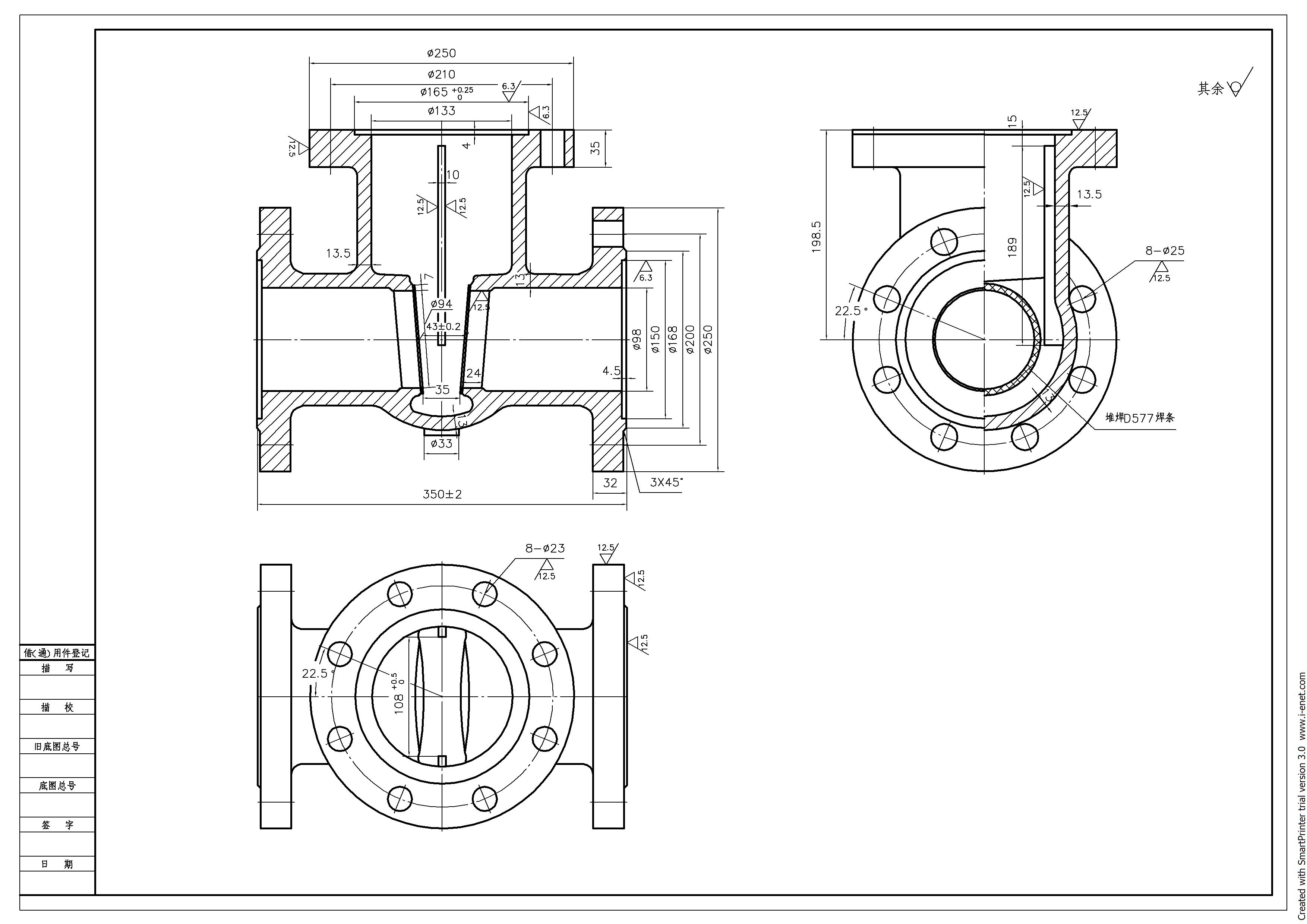
[求助] 求助solidworks2007绘制闸阀,有尺寸

[复制链接]
发表于 2010-3-5 20:03:45 | 显示全部楼层 |阅读模式 来自: 中国上海

马上注册,结识高手,享用更多资源,轻松玩转三维网社区。

您需要 登录 才可以下载或查看,没有帐号?注册

x
33.jpg
9 g- f- E* b- w# j! \# ?求助高手绘制!!详细步骤!!
发表于 2010-3-5 20:26:19 | 显示全部楼层 来自: 中国浙江杭州
楼主,这个只需要用常用的实体设计工具就可做出来的
发表于 2010-3-5 20:26:54 | 显示全部楼层 来自: 中国浙江杭州
需要自己多动手动脑,一开始哪怕多用些步骤也没关系
 楼主| 发表于 2010-3-5 20:42:22 | 显示全部楼层 来自: 中国上海
先谢谢了,能不能画一下传上来看看
发表于 2010-3-6 11:35:20 | 显示全部楼层 来自: 中国福建厦门
。。原图是谁给你的,还是人下载的,应该不难,多练练就会了,,
发表于 2010-3-9 07:23:19 | 显示全部楼层 来自: 中国北京
差距是永存的,谢谢楼主分享。
发表于 2010-3-9 15:13:36 | 显示全部楼层 来自: 中国上海
给楼主做了一个,有点小地方还要改,
1.jpg
2.jpg

闸阀.rar

369.96 KB, 下载次数: 32

发表于 2010-3-14 22:27:30 | 显示全部楼层 来自: 中国吉林四平
你不会用软件画吗,还要别人喂给你,零件都有尺寸是能画图来的,除非你不会用软件
发表回复
您需要登录后才可以回帖 登录 | 注册

本版积分规则


Licensed Copyright © 2016-2020 http://www.3dportal.cn/ All Rights Reserved 京 ICP备13008828号

小黑屋|手机版|Archiver|三维网 ( 京ICP备2023026364号-1 )

快速回复 返回顶部 返回列表