QQ登录

只需一步,快速开始

登录 | 注册 | 找回密码

三维网

 找回密码
 注册

QQ登录

只需一步,快速开始

展开

通知     

全站
9天前
查看: 1288|回复: 2
收起左侧

[求助] 求助三维模型

[复制链接]
发表于 2010-3-4 15:23:55 | 显示全部楼层 |阅读模式 来自: 中国江苏苏州

马上注册,结识高手,享用更多资源,轻松玩转三维网社区。

您需要 登录 才可以下载或查看,没有帐号?注册

x
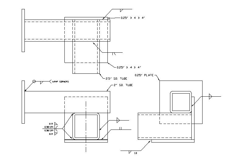
焊接.JPG 这个是什么东西啊?有没有高手能帮我画一个简易的三维模型啊,谢谢了!
发表于 2010-3-5 08:56:50 | 显示全部楼层 来自: 中国江苏南京
CAD也可以画好三维,这么标准的模型。
发表于 2010-3-8 20:09:00 | 显示全部楼层 来自: 中国广东深圳
好像尺寸不全,
发表回复
您需要登录后才可以回帖 登录 | 注册

本版积分规则


Licensed Copyright © 2016-2020 http://www.3dportal.cn/ All Rights Reserved 京 ICP备13008828号

小黑屋|手机版|Archiver|三维网 ( 京ICP备2023026364号-1 )

快速回复 返回顶部 返回列表