QQ登录

只需一步,快速开始

登录 | 注册 | 找回密码

三维网

 找回密码
 注册

QQ登录

只需一步,快速开始

展开

通知     

查看: 2096|回复: 11
收起左侧

[求助] 请教减压阀的下面可以加溢流阀吗?

[复制链接]
发表于 2010-3-3 18:48:52 | 显示全部楼层 |阅读模式 来自: 中国辽宁本溪

马上注册,结识高手,享用更多资源,轻松玩转三维网社区。

您需要 登录 才可以下载或查看,没有帐号?注册

x
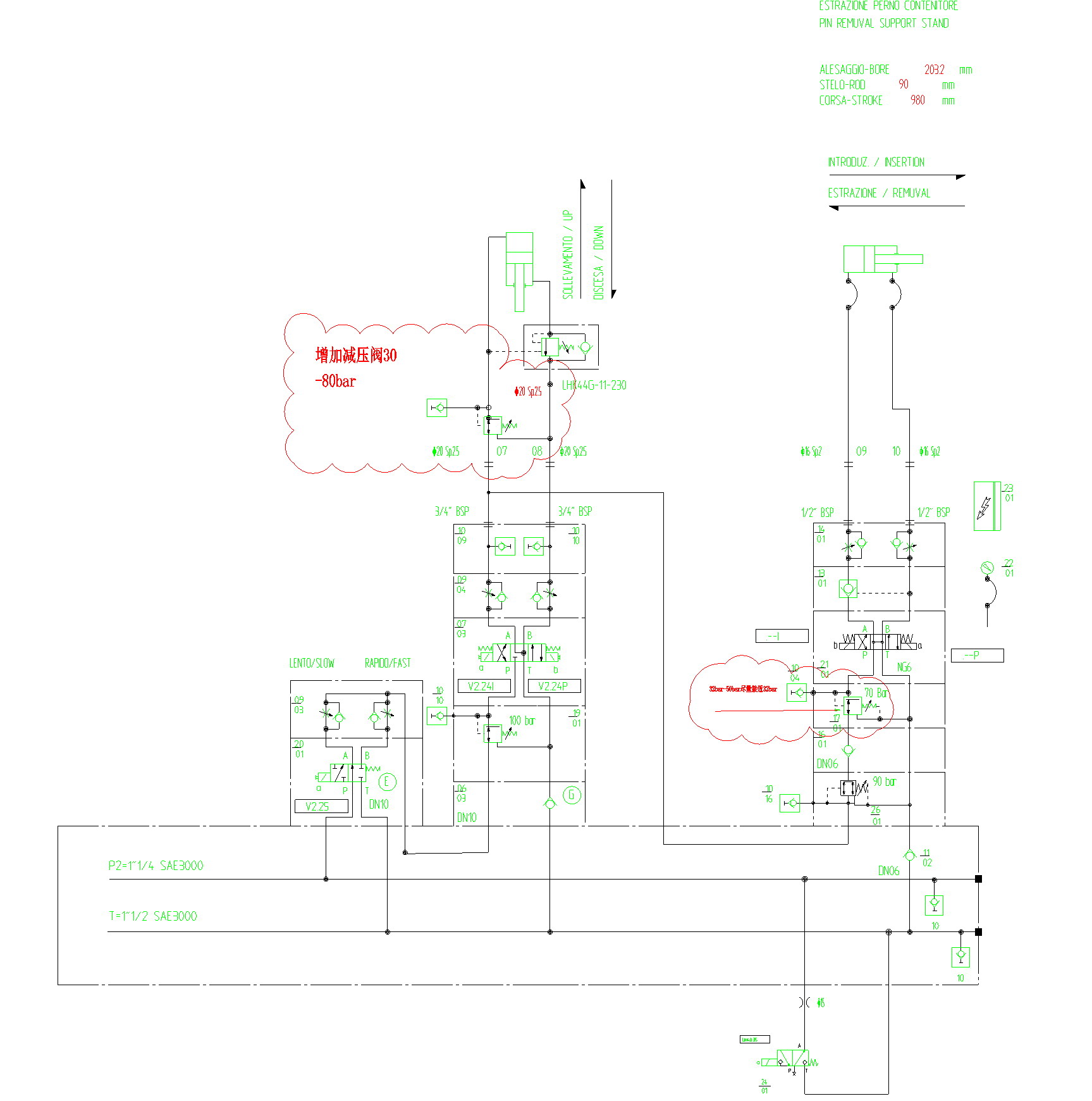
这个问题我发过当时可能没说清楚,大家也给予了很好的回答。当时我不知道怎么发图纸。; S/ q$ ]7 h* @2 N8 J' E8 a
云线处的减压阀是后增加的,压力范围30-80bar ,这个位置能增加这样的减压阀?如果回油不接08处,还可以怎么接。
  ~* m( ~. S2 M如果能需要考虑的是换向阀电磁铁b动作时减压阀的回油口压力情况。4 K; v8 \. ?- m8 l
通径是10的这样的阀的型号是什么?; u" n$ I. w) E1 {0 X4 A
希望大家给予回答谢谢。

减压阀云线系统.rar

134.45 KB, 下载次数: 5

发表于 2010-3-3 20:02:16 | 显示全部楼层 来自: 中国内蒙古呼和浩特
你最好发图片,大家可以直接看到,另外你说的“下面”是什么意思,表达清楚一些
 楼主| 发表于 2010-3-3 20:21:04 | 显示全部楼层 来自: 中国辽宁本溪
我不会发图片。不知道怎么发。- N2 B9 ?7 y2 F: l
看图纸就知道下面了,应该是换向阀后。就是说在换向阀的某个出口和液压缸的一个腔之间增加减压阀。
发表于 2010-3-4 12:13:33 | 显示全部楼层 来自: 中国辽宁大连
我给你把图贴出 减压阀云线系统.jpg
发表于 2010-3-4 12:24:49 | 显示全部楼层 来自: 中国辽宁大连
减压阀泄油要单独回邮箱的。
 楼主| 发表于 2010-3-4 18:32:45 | 显示全部楼层 来自: 中国辽宁本溪
谢谢6666帮我贴图,如果单独回油箱,在这里还能加叠加减压阀吗?我想应该没有这样的阀吧。因为这个回油要经过换向阀。
发表于 2010-3-4 19:06:54 | 显示全部楼层 来自: 中国辽宁大连
不客气. _! a9 S" V  O/ z& u/ n
  j- q& D" I7 ^$ I: N) B1 Z

- h2 x9 t7 v  m+ K! B叠加式减压阀单独泄油没问题,因为叠加阀的P口和T口是直通阀块的,不受双单向节流阀的影响。
  C' B$ H9 U# E3 y
$ [* Z) R& o  l& G. \2 E+ s但你这种情况也加不了叠加阀啊,你在减压阀前也就是换向阀的A口取一个油路,怎么取啊。1 F# n  T: }- @7 o
% T9 Y  r) ~8 R$ O
你要是不取这个油路是可以的。
+ F* Y$ p: \* C6 j, s+ ?, q1 Q2 T1 R% U+ P
你的平衡阀是装在油缸上吗,如果不是,可以把平衡阀和减压阀单独做一个小阀块。
发表于 2010-3-4 19:08:37 | 显示全部楼层 来自: 中国辽宁大连
本帖最后由 kevin6666 于 2010-3-4 19:20 编辑
+ B! ~9 p* y& n: Q/ d" `
& L6 Y1 I- Y+ w$ |也有可能,就是在减压阀后面再加一个叠加块(自己设计),这个块的目的就是在A口取油。
 楼主| 发表于 2010-3-4 20:21:07 | 显示全部楼层 来自: 中国辽宁本溪
这是个成型的液压系统,已经使用在生产中了,在使用中出现的问题,就是无杆腔压力过高,损坏可液压缸底座。为了降低无杆腔压力,我考虑增加溢流阀压力调节30-80bar。但增加溢流阀要在管路上增加不怎么美观,如果能增加叠加减压阀,就可以直接加在阀组内了。但需要考虑的是电磁铁a(上面我说是b了我说错了)动作时在08处有高压油,这路油要进入减压阀的回油腔,如果看减压阀的图纸好像没问题,好像是压力油和弹簧的压力方向一样,油不会流到无杆腔去。不知道我说的对不希望大家帮助分析。
$ [- l0 V% ?# s9 i我在减压阀的位置加溢流阀我想应该是没问题的吧,希望大家的意见。
发表于 2010-3-5 09:16:37 | 显示全部楼层 来自: 中国江苏南京
建议在油路设计时将压力叠加阀组单独做。流量及控制阀组另外做一个阀组。
7 F2 R. j9 e7 `) `+ r2 A& |( {这样系统清晰,易于扩展和改进,也便于故障诊断和维修啊。
发表于 2010-3-6 11:03:39 | 显示全部楼层 来自: 中国贵州贵阳
唉,看着眼花
发表于 2010-3-6 11:20:27 | 显示全部楼层 来自: 中国河南南阳
楼主需要无杆腔减压吗?( b- B# N6 Z$ ?5 @

+ O; V& S% [6 }; ^3 z" K1 t8 E如果是这样,可以使用一个叠加式的外控减压阀(P油路),外控油由A腔(无杆腔)控制,这样就可以实现只有一个腔减压。
发表回复
您需要登录后才可以回帖 登录 | 注册

本版积分规则


Licensed Copyright © 2016-2020 http://www.3dportal.cn/ All Rights Reserved 京 ICP备13008828号

小黑屋|手机版|Archiver|三维网 ( 京ICP备2023026364号-1 )

快速回复 返回顶部 返回列表