QQ登录

只需一步,快速开始

登录 | 注册 | 找回密码

三维网

 找回密码
 注册

QQ登录

只需一步,快速开始

展开

通知     

查看: 1922|回复: 17
收起左侧

[求助] 国产溢流阀厂家?60Mpa的,谢谢

[复制链接]
发表于 2010-3-1 10:25:19 | 显示全部楼层 |阅读模式 来自: 中国北京

马上注册,结识高手,享用更多资源,轻松玩转三维网社区。

您需要 登录 才可以下载或查看,没有帐号?注册

x
国产溢流阀厂家?60Mpa的,谢谢
发表于 2010-3-1 21:28:32 | 显示全部楼层 来自: 中国天津
国内没有吧?
1 r$ e8 s5 T  Q超高压得找国外品牌!# e% a$ ^  D% k+ K4 C0 I
发表于 2010-3-1 21:51:47 | 显示全部楼层 来自: 中国北京
国产有的,华德DBD的可以达到,是批量生产的# o  S2 x: {! v1 h6 j
可以咨询一下
发表于 2010-3-2 07:43:28 | 显示全部楼层 来自: 中国江苏南通
没用过,不建议
发表于 2010-3-2 14:54:08 | 显示全部楼层 来自: 中国江苏南京
我只用到35Mpa,再高没经验。
 楼主| 发表于 2010-3-3 09:27:00 | 显示全部楼层 来自: 中国北京
国产有的,华德DBD的可以达到,是批量生产的# t$ D% ~2 F* J
可以咨询一下% ^% w, b% S+ D7 }1 Q& j; K; \2 `
柠檬咖啡 发表于 2010-3-1 21:51 http://www.3dportal.cn/discuz/images/common/back.gif
" r, I! N2 D+ [7 ^( L  f  W
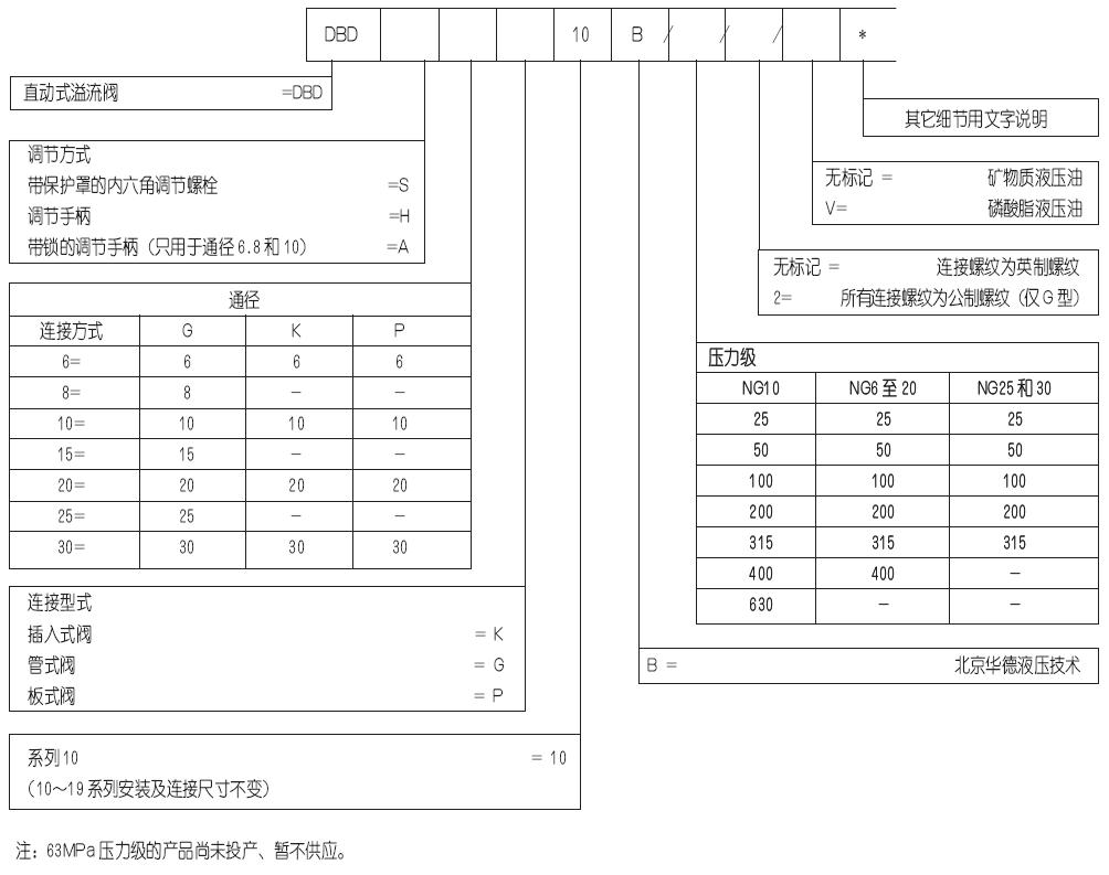
但样本上有个备注“60MPa的未投入生产,不供应”
未命名.JPG

评分

参与人数 1三维币 +2 收起 理由
自流井 + 2 技术讨论

查看全部评分

发表于 2010-3-12 18:37:01 | 显示全部楼层 来自: 中国山东
6# wangliwei_1981 这个最好咨询厂家,样本经常会改动的。你的流量多大?
发表于 2010-3-12 20:45:33 | 显示全部楼层 来自: 中国江苏无锡
很少见啊!一下就干到70了,什么系统啊
发表于 2010-3-13 09:22:12 | 显示全部楼层 来自: 中国江苏南通
这么高也有?
发表于 2010-3-13 12:24:57 | 显示全部楼层 来自: 中国上海
超高压系统元件不建议用国产品牌,不是不爱国,而是他们没有给出值得我们去爱的理由
发表于 2010-3-13 21:20:13 | 显示全部楼层 来自: 中国江苏扬州
我作这么高的压力都是通过增压实现的,还没有见过这么高压力的溢流阀
发表于 2010-3-14 13:46:42 | 显示全部楼层 来自: 中国北京
特殊定做,就密封考虑一下
! u2 @3 V2 f0 ]; y. {: c其他没什么难的
发表于 2010-3-14 13:51:36 | 显示全部楼层 来自: 中国河南郑州
看不懂哟!!!!!!!!!!!
发表于 2010-3-14 13:52:45 | 显示全部楼层 来自: 中国河南郑州
能不能详细点呀???????????
 楼主| 发表于 2010-4-22 09:20:13 | 显示全部楼层 来自: 中国北京
没什么详细的了,就是流量20L/min。关键是压力腔承压问题和阀芯加工精度。这种溢流阀有密封的地方都是回油腔,压力腔都是靠金属间压紧密封的
发表于 2010-4-23 13:01:26 | 显示全部楼层 来自: 中国浙江绍兴
超高压的设备最好找老外的,国产的如果是国防上用的你可以考虑,如果是民用就不要费心了!
发表于 2010-7-22 21:09:07 | 显示全部楼层 来自: 中国宁夏银川
廊坊、德州生产的太多了
发表于 2010-7-24 09:05:15 | 显示全部楼层 来自: 中国福建厦门
60mpa溢流阀?什么系统用的啊,没见过用这么大的.
发表回复
您需要登录后才可以回帖 登录 | 注册

本版积分规则


Licensed Copyright © 2016-2020 http://www.3dportal.cn/ All Rights Reserved 京 ICP备13008828号

小黑屋|手机版|Archiver|三维网 ( 京ICP备2023026364号-1 )

快速回复 返回顶部 返回列表